GM Service Manual Online
For 1990-2009 cars only
Makes
🢒
Pontiac
🢒
2002
🢒
Aztek - FWD
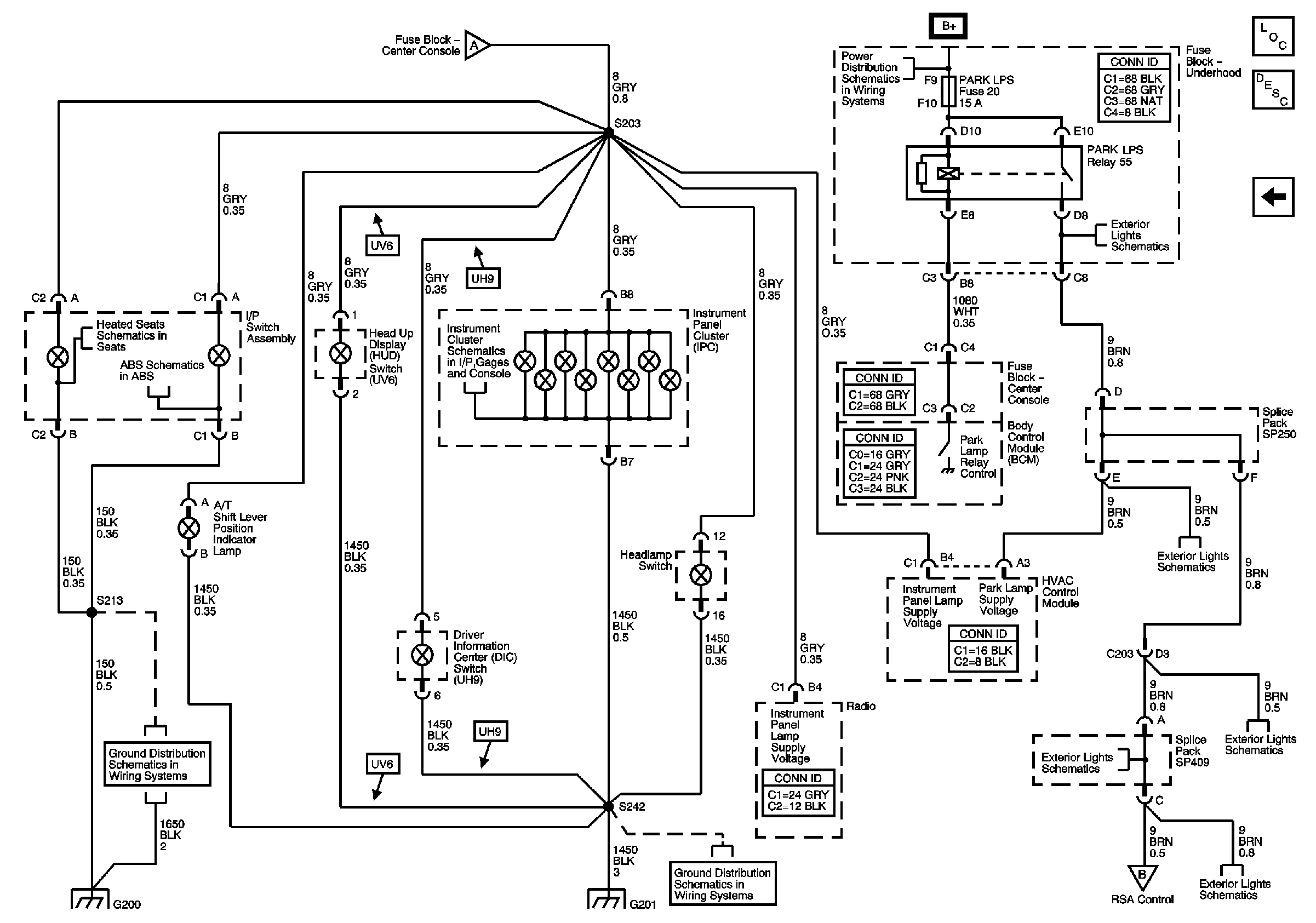
🢒 Instrument Cluster, Radio, Heater A/C Control
Instrument Cluster, Radio, Heater A/C Control
Panel Lamps 2 of 2
Master Electrical Component List
Interior Lighting Systems Description and Operation
Headlamp Switch, BCM, Door Switches, Steering Wheel Controls, Radio Rear Seat Audio
Parklamp Relay, Headlamp Switch,
Parklamp Relay, Headlamp Switch,
Parklamp Relay, Headlamp Switch,