GM Service Manual Online
For 1990-2009 cars only
Makes
🢒
Pontiac
🢒
2002
🢒
Aztek - FWD
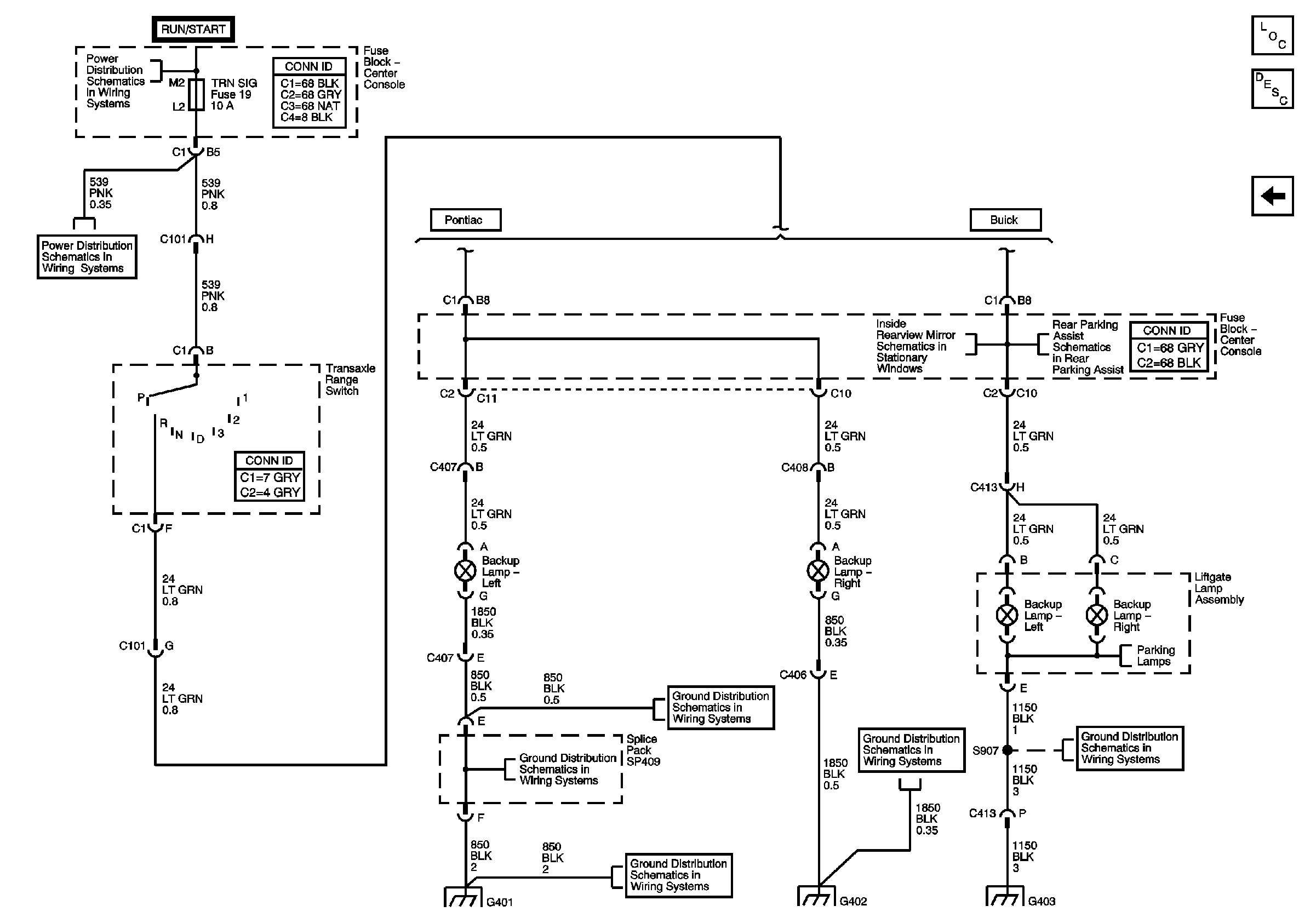
🢒 Backup Lamps
Backup Lamps
Backup Lamps
Master Electrical Component List
Exterior Lighting Systems Description and Operation
Trailer Harness
Fuse Block-Underhood Fuses: 27, 31 and 33 Fuse Block-Center Console Fuse: TURN SIG
Drive Belt Rumbling Diagnosis
Drive Belt Rumbling Diagnosis
Van Rear Parking Assist (RPA) Module Power and Ground
Inside Rearview Mirror Schematics
G401 (1 of 3)
G401 (3 of 3), G402, and G403
G401 (3 of 3), G402, and G403
Ground G401, 402 and 403 Schematics