GM Service Manual Online
For 1990-2009 cars only
Makes
🢒
Pontiac
🢒
2002
🢒
Aztek - FWD
🢒 Ground G202 Schematics
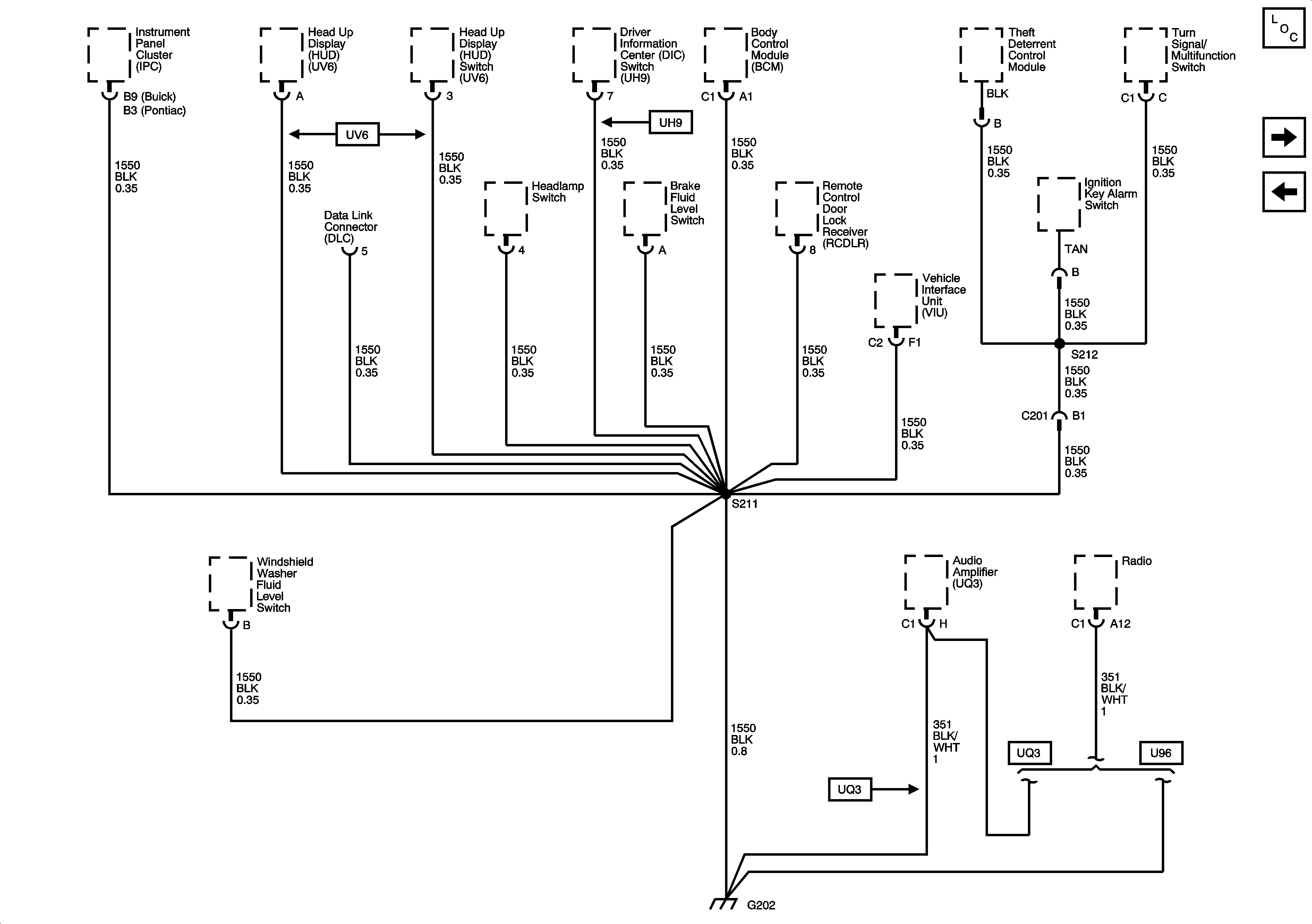
Ground G202 Schematics
Ground G202
Master Electrical Component List
Ground G301 Schematics
Ground G201 Schematics