GM Service Manual Online
For 1990-2009 cars only
Makes
🢒
Pontiac
🢒
2002
🢒
Aztek - FWD
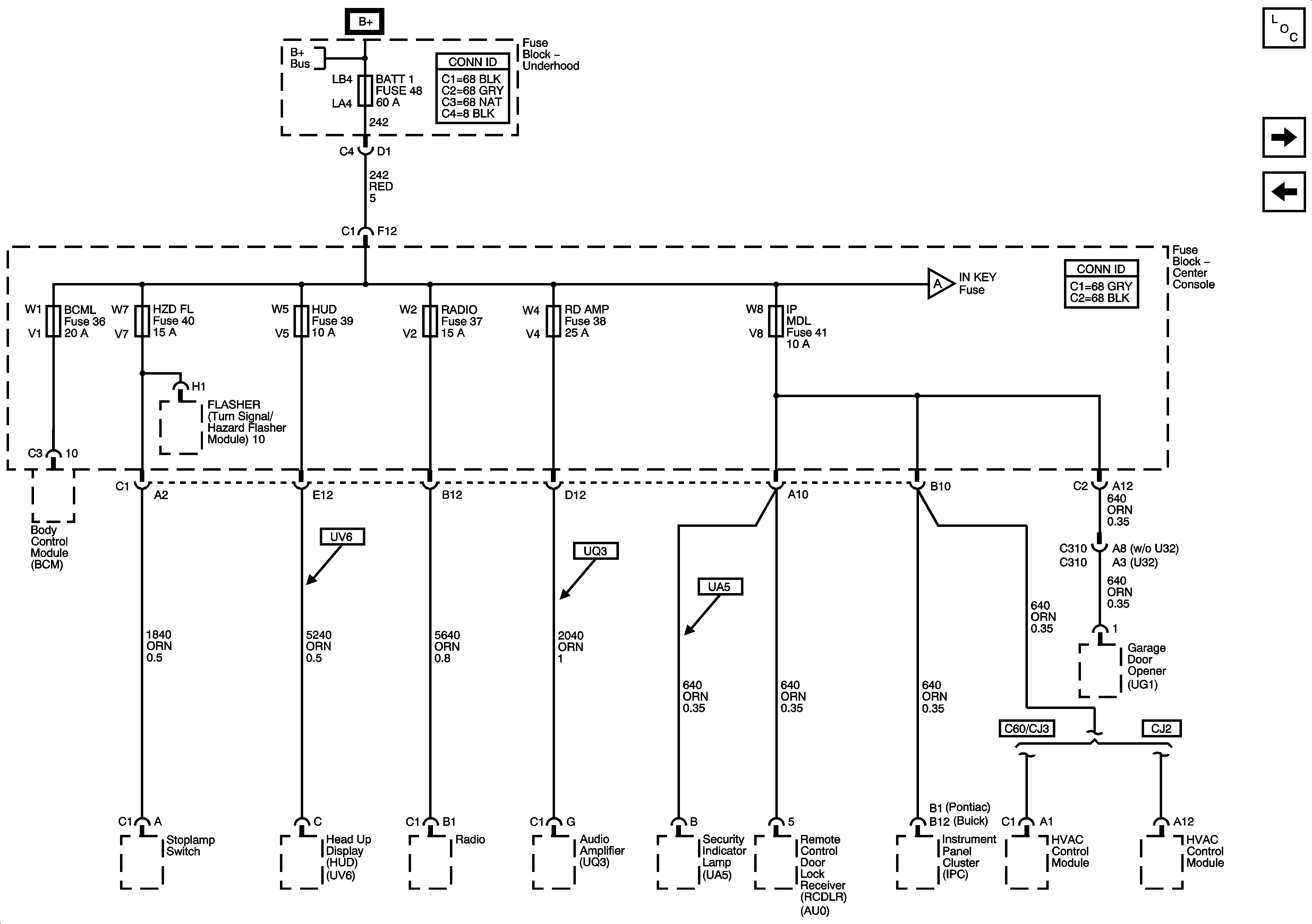
🢒 Fuse Block-Underhood Fuse:48 Fuse Block-Center Console Fuses:BCM L, HZD FL, HUD, RADIO, RD AMP and IP MDL
Fuse Block-Underhood Fuse:48 Fuse Block-Center Console Fuses:BCM L, HZD FL, HUD, RADIO, RD AMP and IP MDL
Fuse Block--Underhood BATT 1 Fuse and Fuse Block--Center Console BCML, HZD FL, HUD, RADIO, RD AMP and IP MDL Fuses
Master Electrical Component List
Fuse Block-Underhood Fuse: 47 Fuse Block-Center Console Fuses: INKEY, KEY SOL, IGN 0 and FRT BLWR
Fuse Block-Underhood Buss Schematics
Fuse Block-Underhood Buss Schematics