GM Service Manual Online
For 1990-2009 cars only
Makes
🢒
Pontiac
🢒
2002
🢒
Aztek - FWD
🢒 Dimmings Control and Panel Lamps 1 of 2-Buick
Dimmings Control and Panel Lamps 1 of 2-Buick
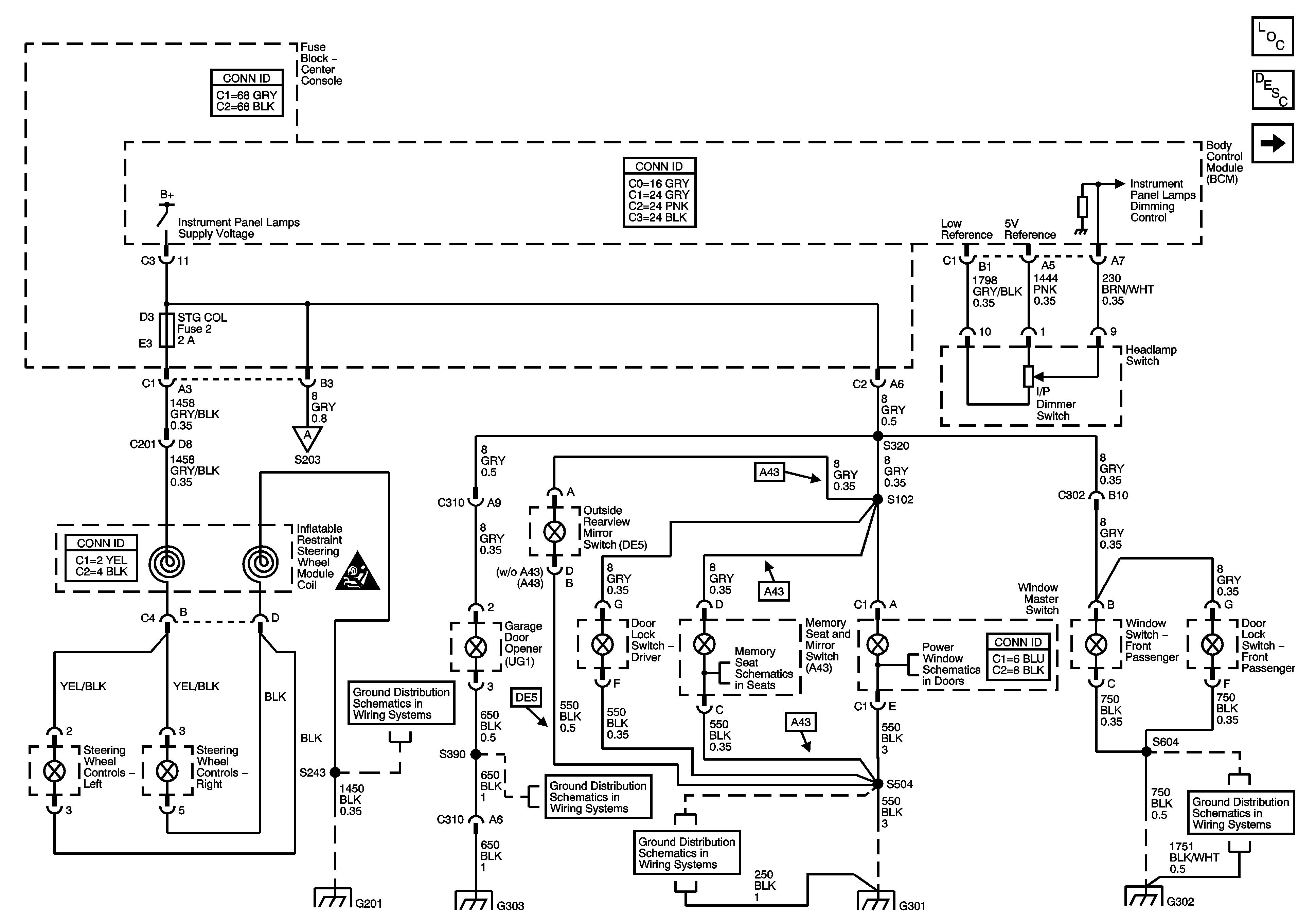
Dimming Controls and Panel Lamps 1 of 2 -- Buick
Master Electrical Component List
Interior Lighting Systems Description and Operation
Dimming Controls and Panel Lamps 2 of 2-Buick
Fuse Block-Underhood Fuses: 32, 36, 9, 5 and 28
Power Window Schematics
Ground G201 Schematics
Ground G303 Schematics
Ground G301 Schematics
Ground G301 Schematics
Ground G302 Schematics
Ground G302 Schematics