GM Service Manual Online
For 1990-2009 cars only
Makes
🢒
Pontiac
🢒
2003
🢒
Aztek - FWD
🢒
Suspension
🢒
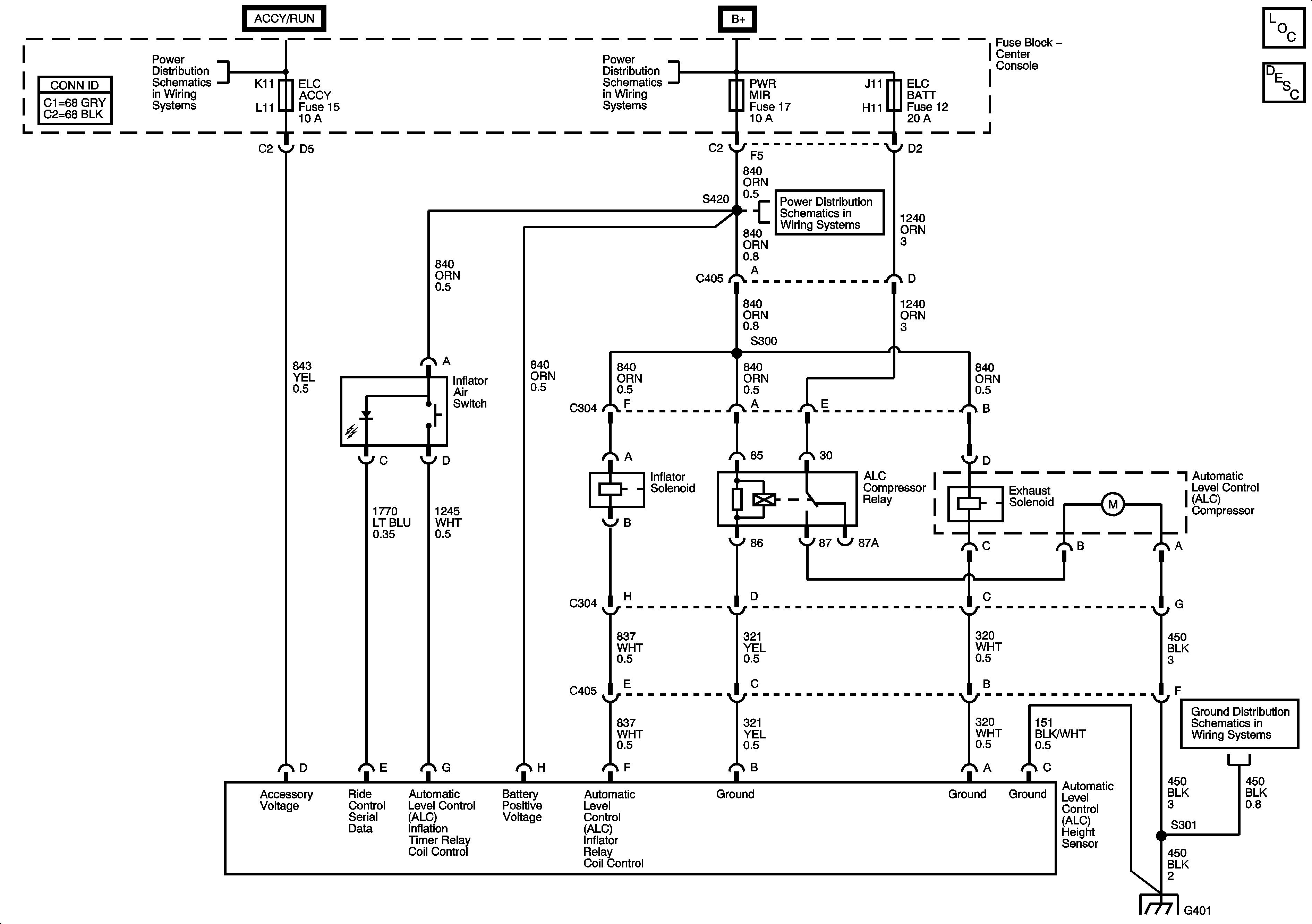
Automatic Level Control
🢒 Automatic Level Control Schematics
Master Electrical Component List
Fuse Block Underhood Fuse: 41 Fuse Block Center Console
Fuse Block Underhood Fuse: 45 Fuse Block Center Console