GM Service Manual Online
For 1990-2009 cars only
Makes
🢒
Pontiac
🢒
2003
🢒
Aztek - FWD
🢒
Steering
🢒
Steering Wheel and Column
🢒 Steering Wheel and Column Component Views
Figure
1:
Center Console - Pontiac
(1)
Body Control Module (BCM) C2
(2)
Body Control Module (BCM) C1
(3)
Body Control Module (BCM) C0
(4)
Automatic Transmission Floor Shift Control
(5)
Fuse Block - Center Console C2
(6)
Fuse Block - Center Console C1
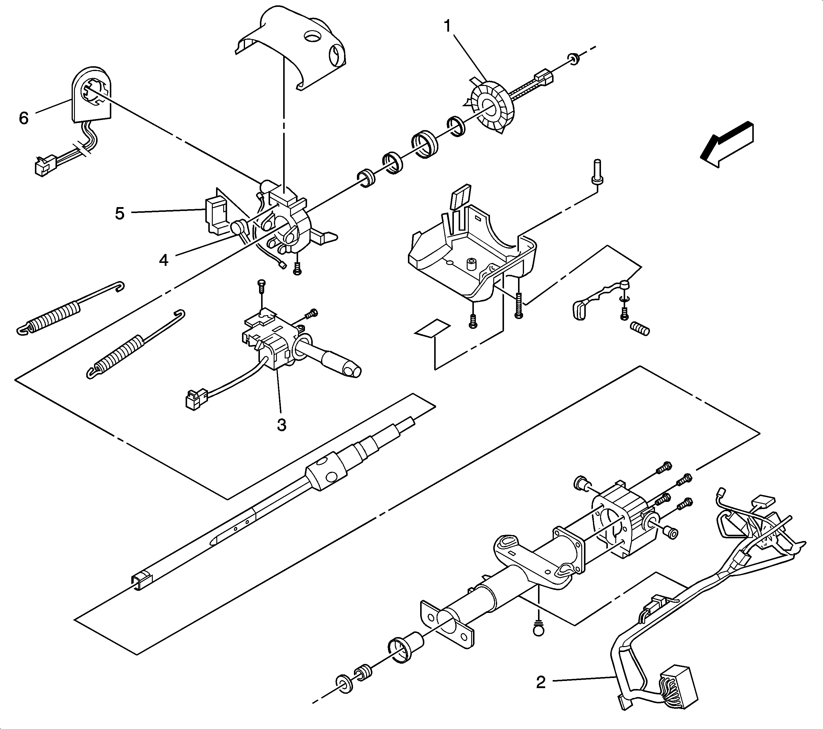
Figure
2:
Steering Column Disassembled View (Pontiac)
(1)
Inflatable Restraint Steering Wheel Module
(2)
Wire Harness Assembly
(3)
Multifunction Switch
(4)
Ignition Lock Cylinder Control Actuator
(5)
Ignition Switch
(6)
Theft Deterrent Module