GM Service Manual Online
For 1990-2009 cars only
Makes
🢒
Pontiac
🢒
2003
🢒
Aztek - FWD
🢒
Body and Accessories
🢒
Wiring Systems
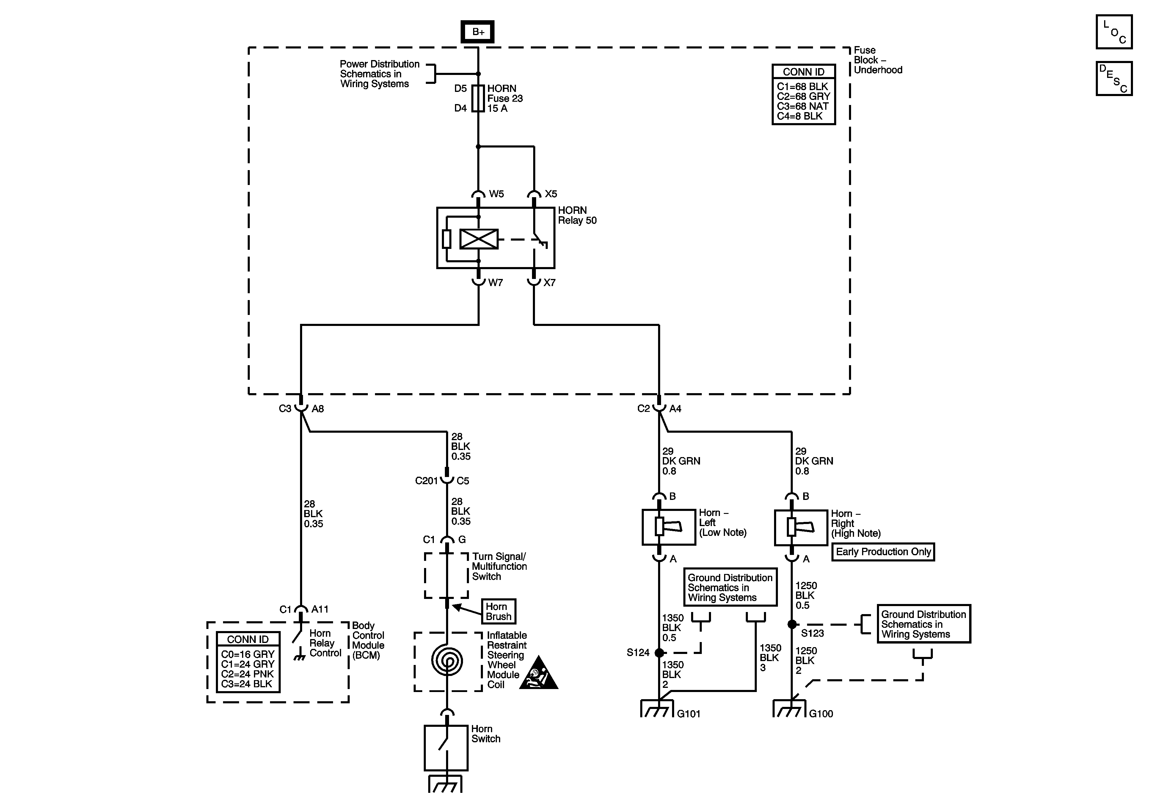
🢒 Horn Schematics
Master Electrical Component List
Fuse Block - Underhood Buss
Ground G101 - Buick
Ground G101 - Buick
Ground G100 - Buick
Ground G100 - Buick