GM Service Manual Online
For 1990-2009 cars only
Figure 1:

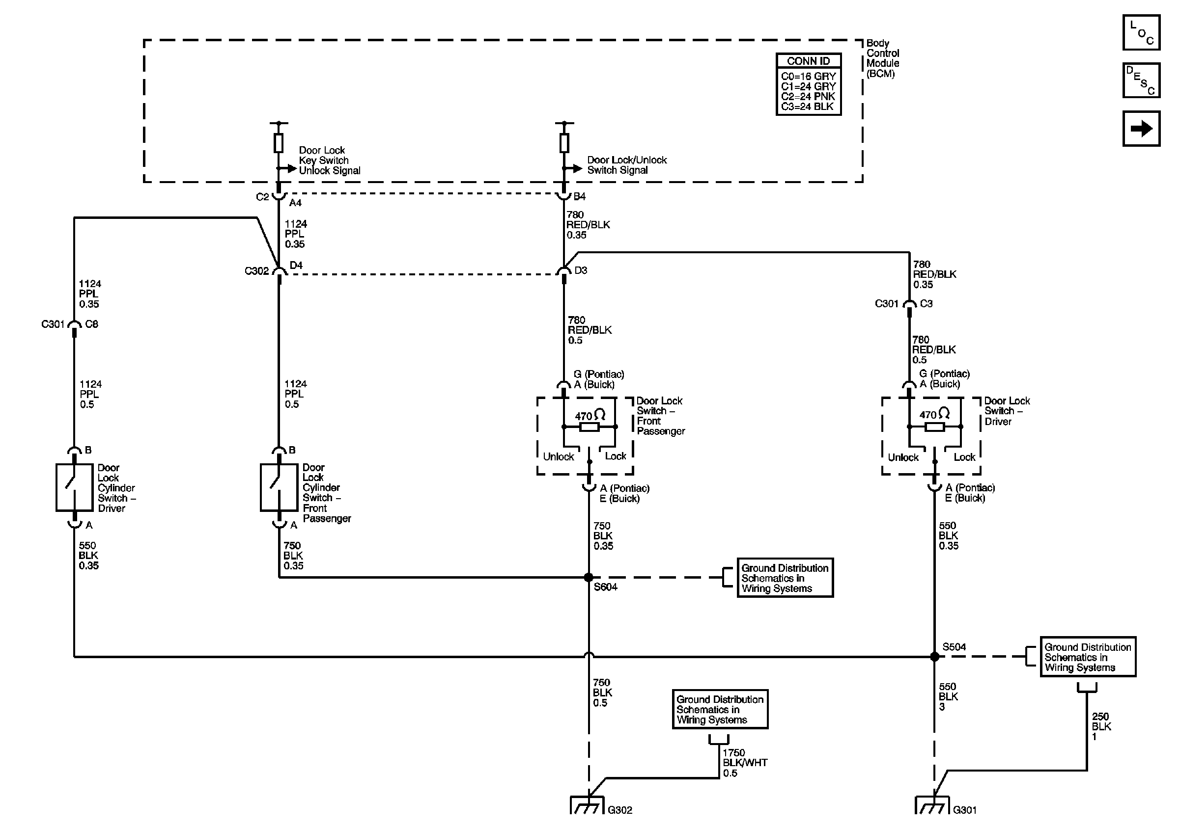
Door Lock Switches


Object Number: 830559  Size: FS
Master Electrical Component List
Door Lock Actuators
Ground G302-Buick
Ground G302-Buick
Ground G302-Buick
Ground G301 - Buick
Ground G301 - Buick
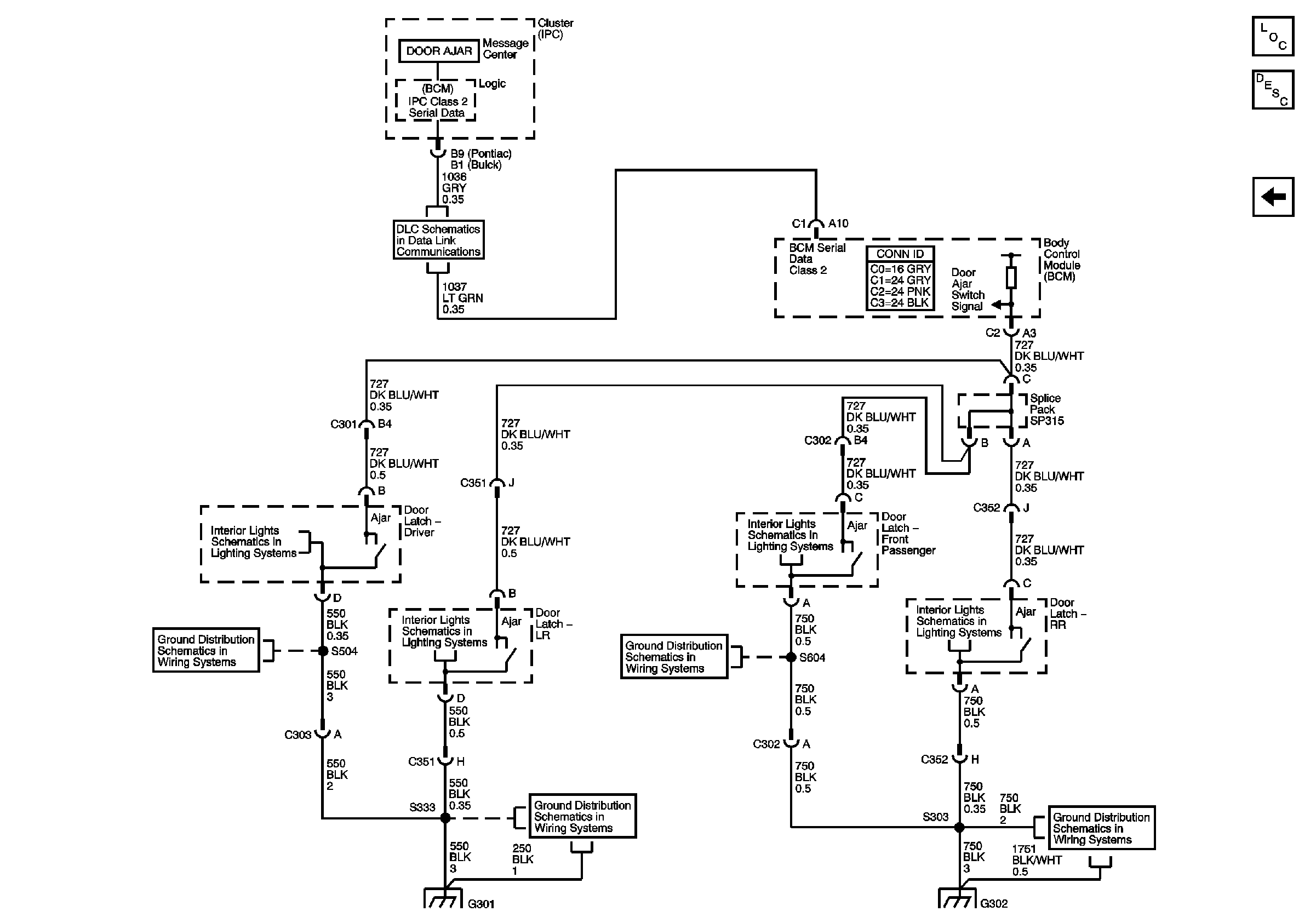
Figure 2:

Door Lock Actuators


Object Number: 629507  Size: FS
Master Electrical Component List
Door Ajar Indicators
Door Lock Switches
Fuse Block Underhood Fuse: 45 Fuse Block Center Console
Ground G301 - Buick
Ground G301 - Buick
Figure 3:

Door Ajar Indicator


Object Number: 813485  Size: FS
Master Electrical Component List
Door Lock Actuators
Data Link Connector (DLC) Schematics
Ground G301 - Buick
Door Switches
Door Switches
Ground G301 - Buick
Ground G302-Buick
Ground G302-Buick
Door Switches
Door Switches
Ground G302-Buick