GM Service Manual Online
For 1990-2009 cars only
Makes
🢒
Pontiac
🢒
2003
🢒
Aztek - FWD
🢒
Body and Accessories
🢒
Seats
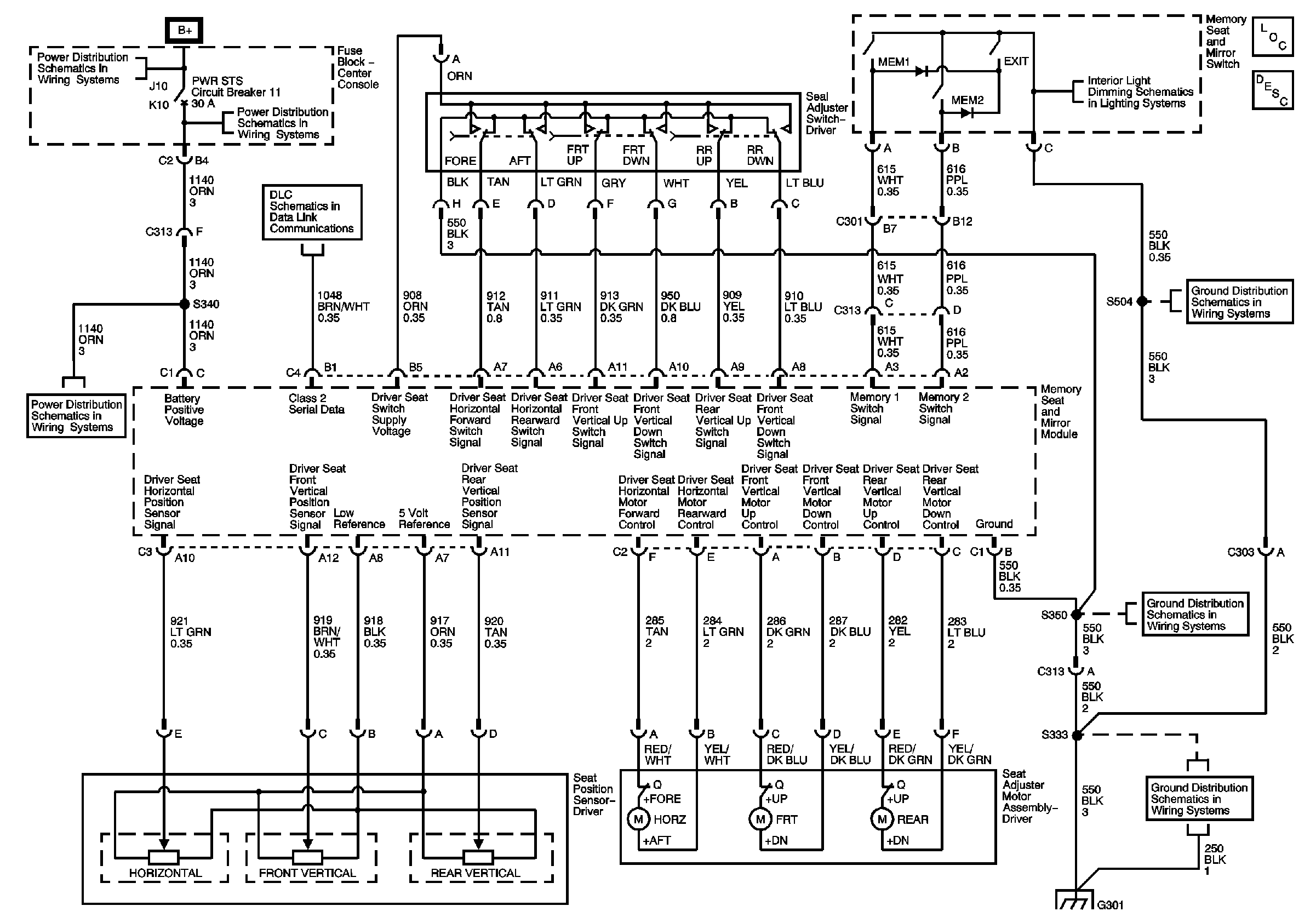
🢒 Memory Seats Schematics
Master Electrical Component List
Fuse Block Underhood Fuse: 45 Fuse Block Center Console
Fuse Block Underhood Fuse: 45 Fuse Block Center Console
Data Link Connector (DLC) Schematics
Fuse Block Underhood Fuse: 45 Fuse Block Center Console
Ground G301 - Buick
Ground G301 - Buick
Ground G301 - Buick