GM Service Manual Online
For 1990-2009 cars only

    Object Number: 1217163  Size: SH

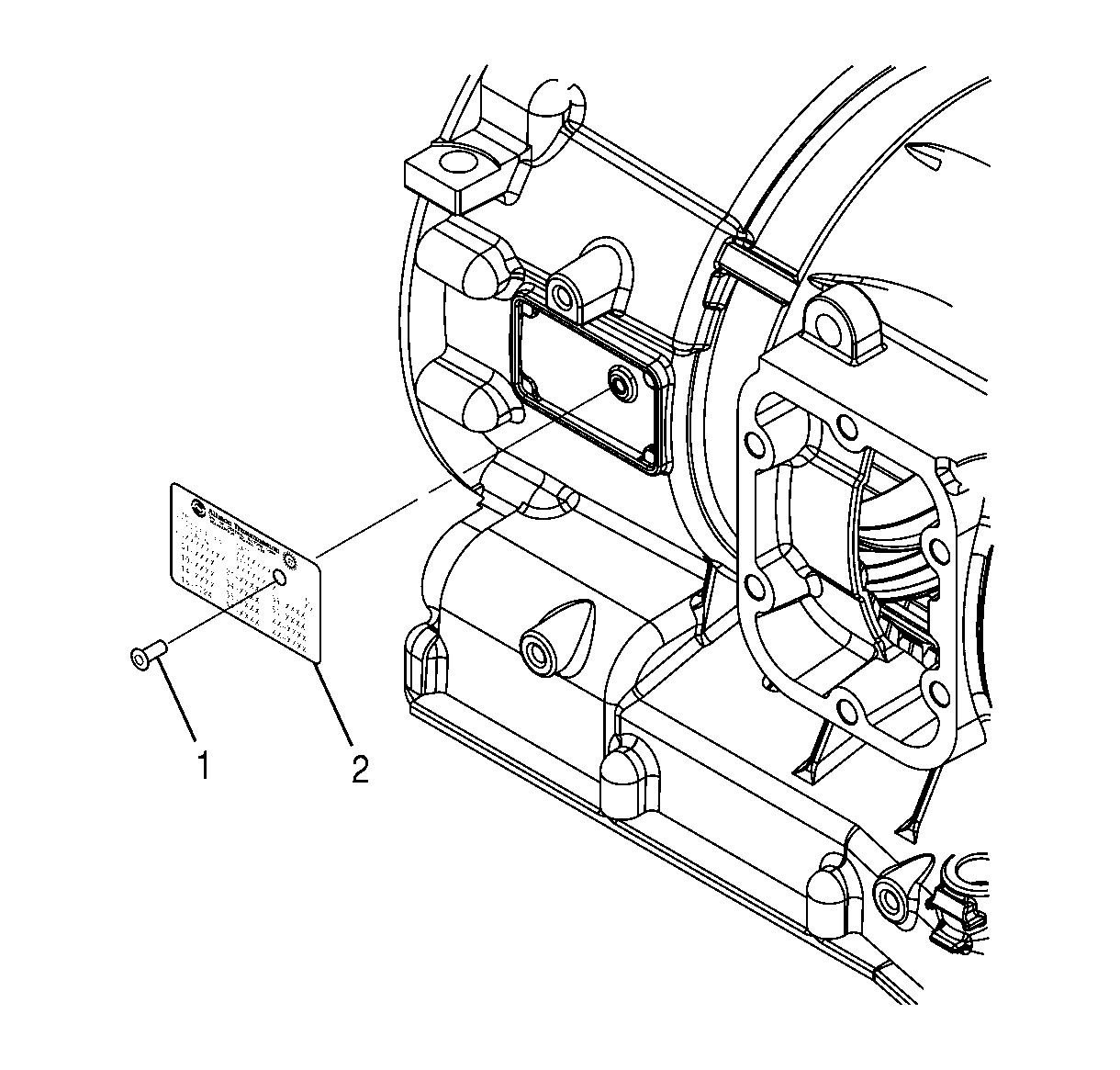
    Important: When replacing a nameplate, keep the original nameplate. Stamp the information from the original nameplate onto the replacement nameplate.

  1. Using a 0.004 mm (3/16 in) drill bit, drill through the rivet fastening the nameplate to the transmission case.
  2. Remove the nameplate and rivet.
  3. Using a new rivet (1) and a pop rivet gun, rivet the new nameplate (2) onto the transmission case.