GM Service Manual Online
For 1990-2009 cars only

Tools Required

J 44247 Wiring Harness Connector Installer


    Object Number: 1216903  Size: SH
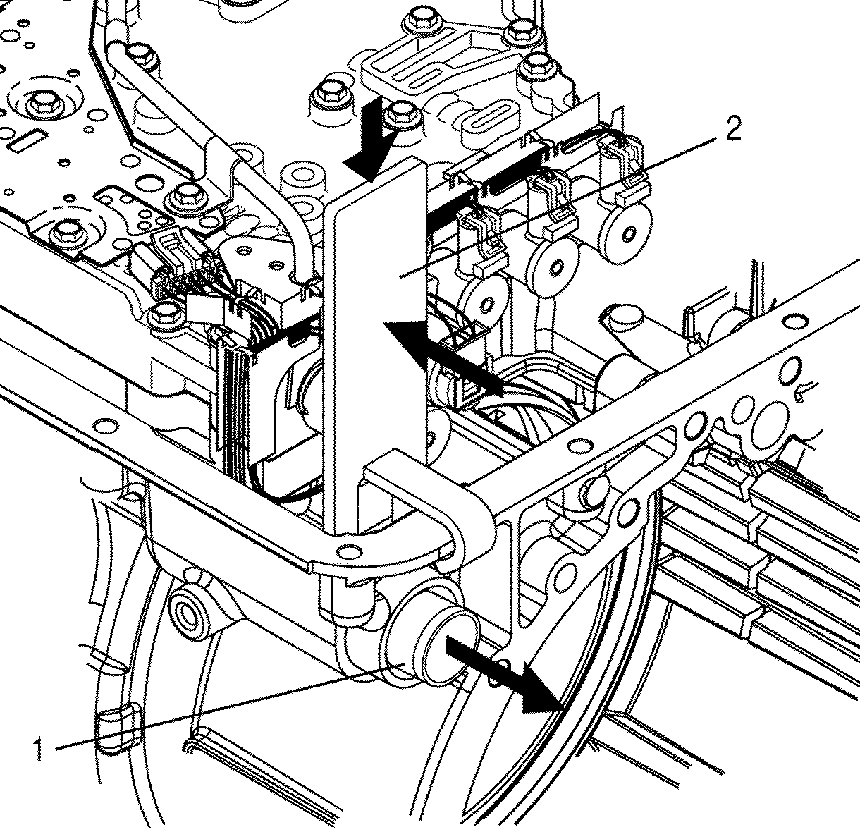
  1. Install the internal wiring harness connector by hand into the main housing.
  2. Using J 44247 (2), install the connector of internal wiring harness (1) into the main housing.
  3. The four tabs on the wiring harness connector snap into place.
  4. Make sure the wiring harness connector is securely in place.

  5. Object Number: 1216919  Size: SH
  6. Remove ON/OFF shift solenoid retainers (1).
  7. Install internal wiring harness (2) onto main valve body (10).
  8. Install ON/OFF shift solenoid retainers (1) over the wiring harness tabs.
  9. Connect internal wiring harness (2) to the following components as shown.
  10. • Pressure switch assembly (9)
    • C ON/OFF shift solenoid (7)
    • F trim solenoid (3)
    • D ON/OFF shift solenoid (4)
    • E ON/OFF shift solenoid (5)
    • B trim solenoid (6)
    • A trim solenoid (8)

    Object Number: 1216916  Size: SH
  11. If required to prevent dirt from entering the connector, install connector shipping cover (1) into the wiring harness connector.