GM Service Manual Online
For 1990-2009 cars only
Makes
🢒
Pontiac
🢒
2003
🢒
Aztek - FWD
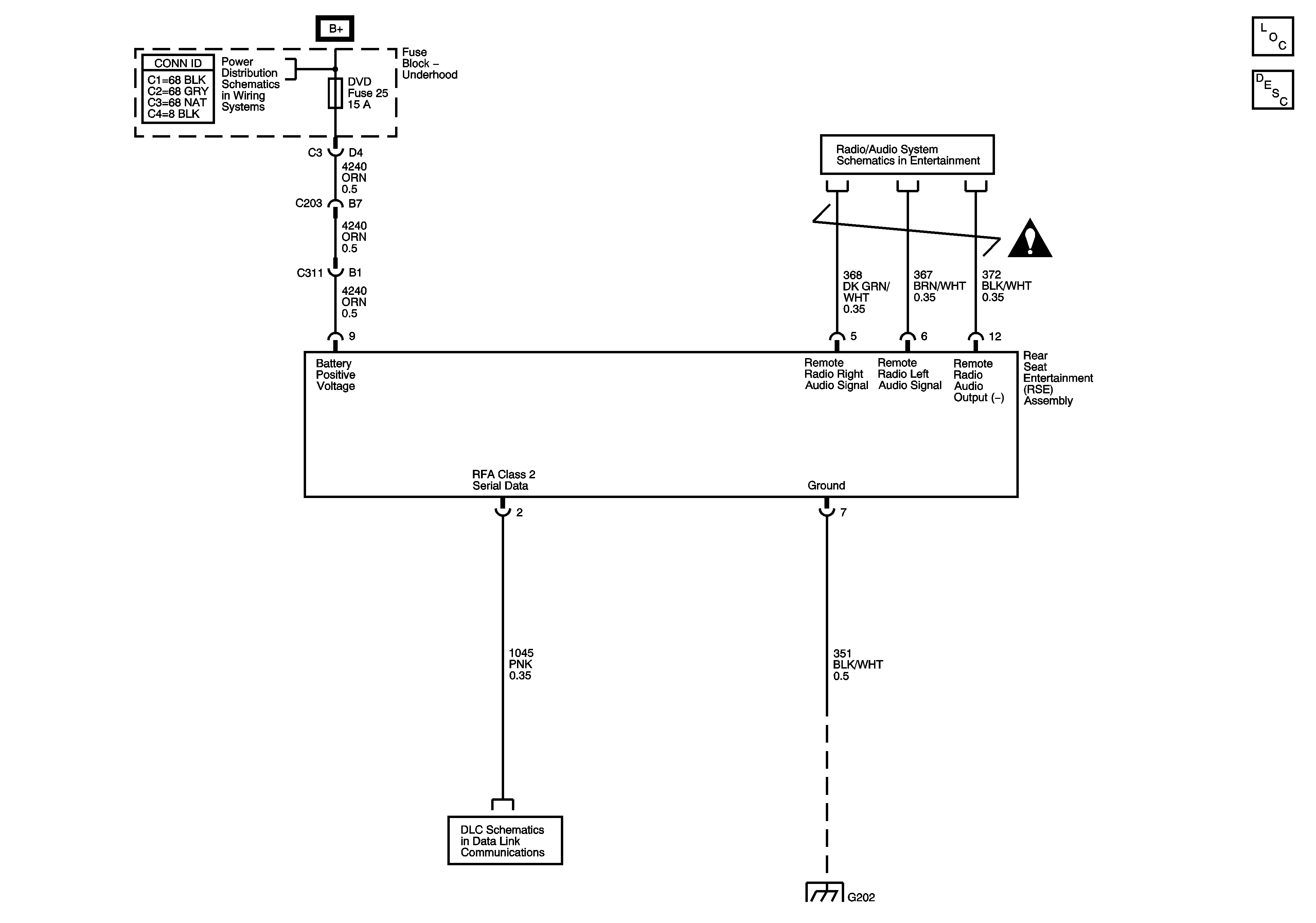
🢒 Video System Schematic
Video System Schematic
Master Electrical Component List
Fuse Block - Underhood Buss
Digital Radio Reciever w/U2K and UE1
Data Link Connector (DLC) Schematics
Ground G202 - Buick