GM Service Manual Online
For 1990-2009 cars only
Makes
🢒
Pontiac
🢒
2003
🢒
Aztek - FWD
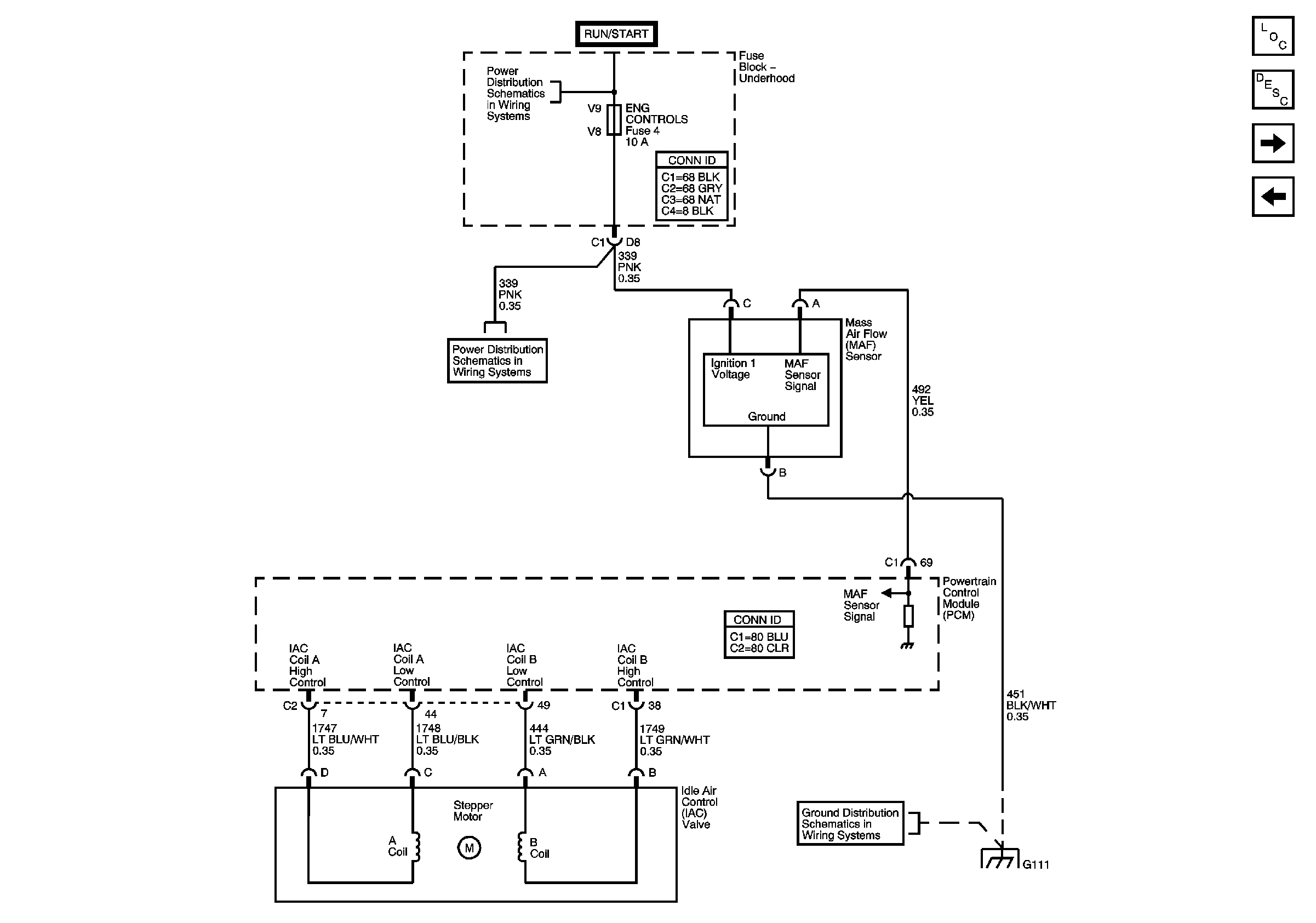
🢒 AIR, IAC and MAF
AIR, IAC and MAF
IAC and MAF
Master Electrical Component List
PCM References, Page 1 of 2
Sensors
Fuse Block - Underhood Buss
Fuse Block Underhood Fuses: 10, 6, 4, 13 and 30
Ground G101 - Buick
Ground G101 - Buick
Ground G111 - Buick
Ground G111 - Buick