GM Service Manual Online
For 1990-2009 cars only
Makes
🢒
Pontiac
🢒
2003
🢒
Aztek - FWD
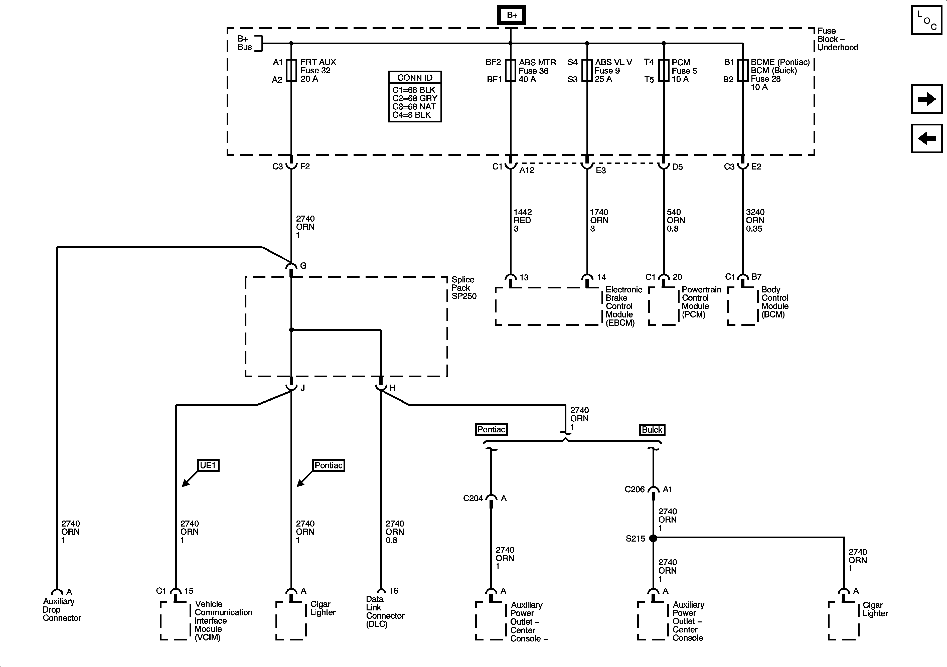
🢒 Fuse Block Underhood Fuses: 32, 36, 9, 5 and 28
Fuse Block Underhood Fuses: 32, 36, 9, 5 and 28
Fuse Block--Underhood Fuses: 32, 36, 9, 5 and 28
Master Electrical Component List
Fuse Block Underhood Fuses: 10, 6, 4, 13 and 30
Fuse Block Underhood Fuse: 41 Fuse Block Center Console
Fuse Block - Underhood Buss