GM Service Manual Online
For 1990-2009 cars only
Makes
🢒
Pontiac
🢒
2003
🢒
Aztek - FWD
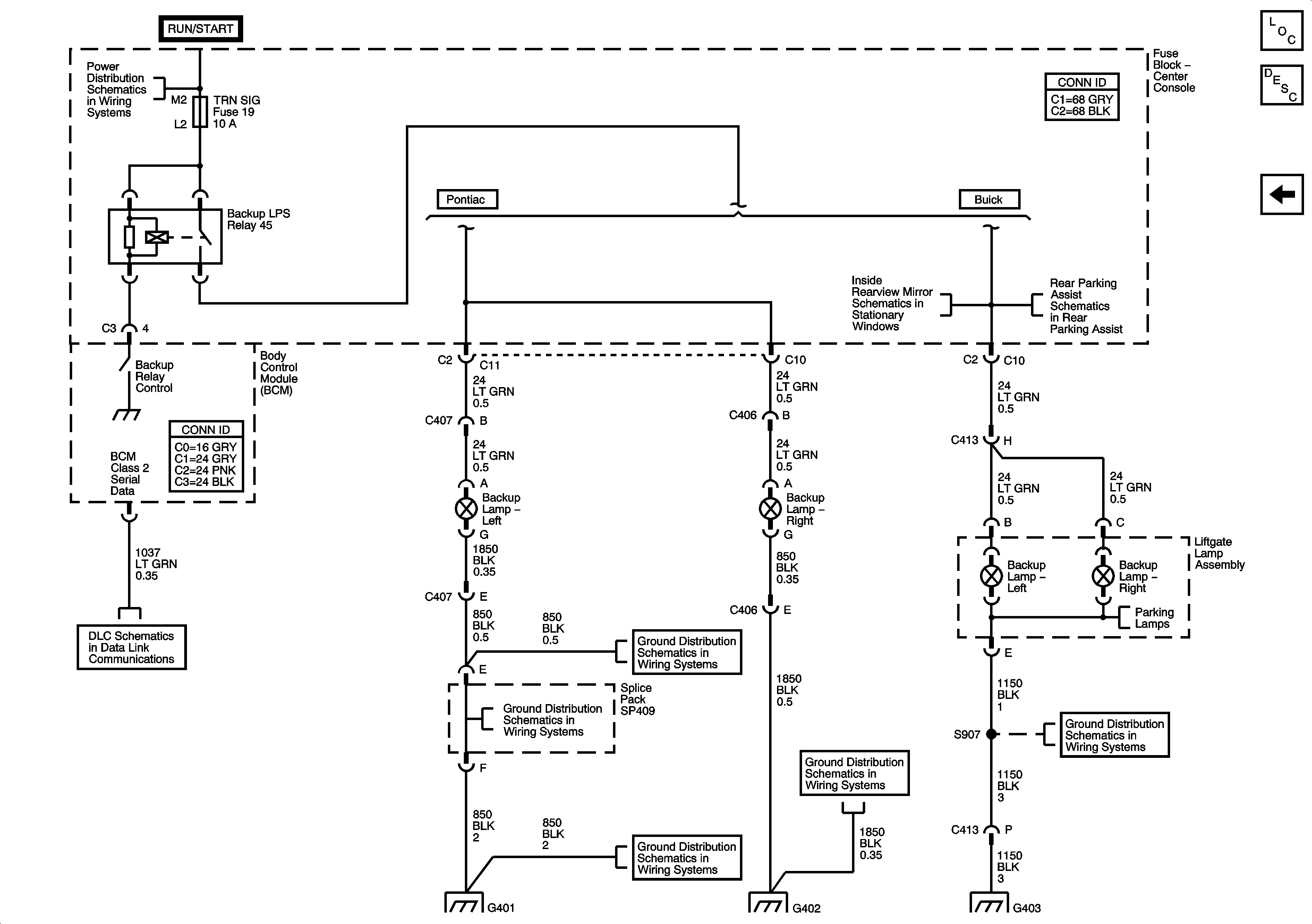
🢒 Backup Lamps
Backup Lamps
Backup Lamps
Master Electrical Component List
Trailer Harness
Fuse Block Underhood Fuse: 27, 31, 33 Fuse Block Center Console
Fuse Block Underhood Fuse: 27, 31, 33 Fuse Block Center Console
Ground G401, G402, and G403 - Pontiac
Ground G401, G402, and G403 - Pontiac
Ground G401, G402, and G403 - Pontiac
Ground G401, 402 and 403-Buick