GM Service Manual Online
For 1990-2009 cars only
Makes
🢒
Pontiac
🢒
2003
🢒
Aztek - FWD
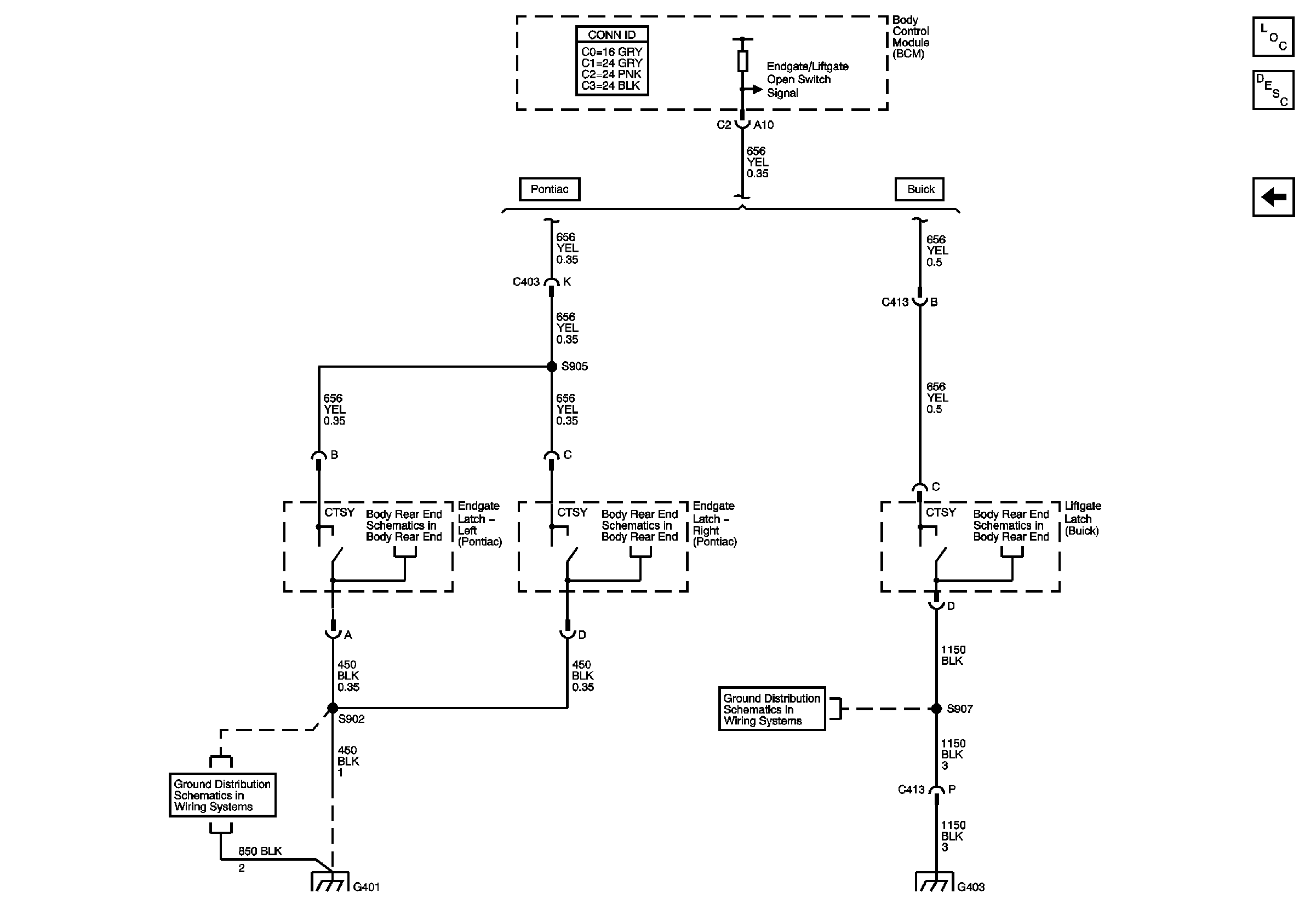
🢒 Lift Window, Endgate and Liftgate Switches
Lift Window, Endgate and Liftgate Switches
Lift Window, Endgate and Liftgate Switches
Master Electrical Component List
Door Switches
Ground G401, G402, and G403 - Pontiac
Ground G401, G402, and G403 - Pontiac
Ground G401, 402 and 403-Buick