GM Service Manual Online
For 1990-2009 cars only
Makes
🢒
Pontiac
🢒
2004
🢒
Aztek - FWD
🢒
Engine
🢒
Engine Cooling
🢒 Engine Cooling Schematics
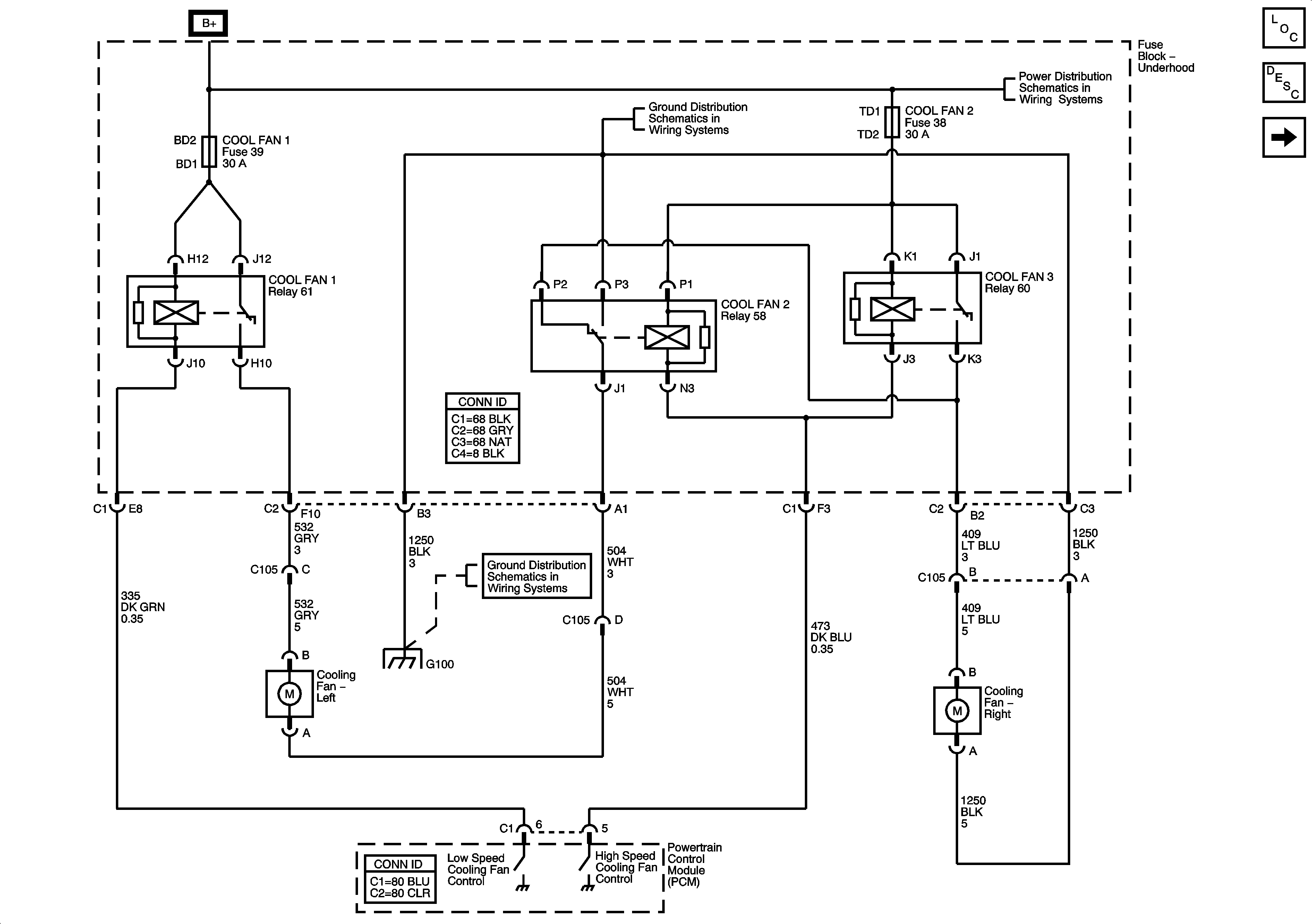
Figure
1:
Cooling Fans
Master Electrical Component List
03 B Van Engine Cooling Schematics (Indicators, Sensors)
Ground G100 - Buick
Ground G100 - Buick
Fuse Block - Underhood Buss
Figure
2:
Indicators, Sensors
Master Electrical Component List
03 B Van Engine Cooling Schematics (Cooling Fans)
Data Link Connector (DLC) Schematics