GM Service Manual Online
For 1990-2009 cars only
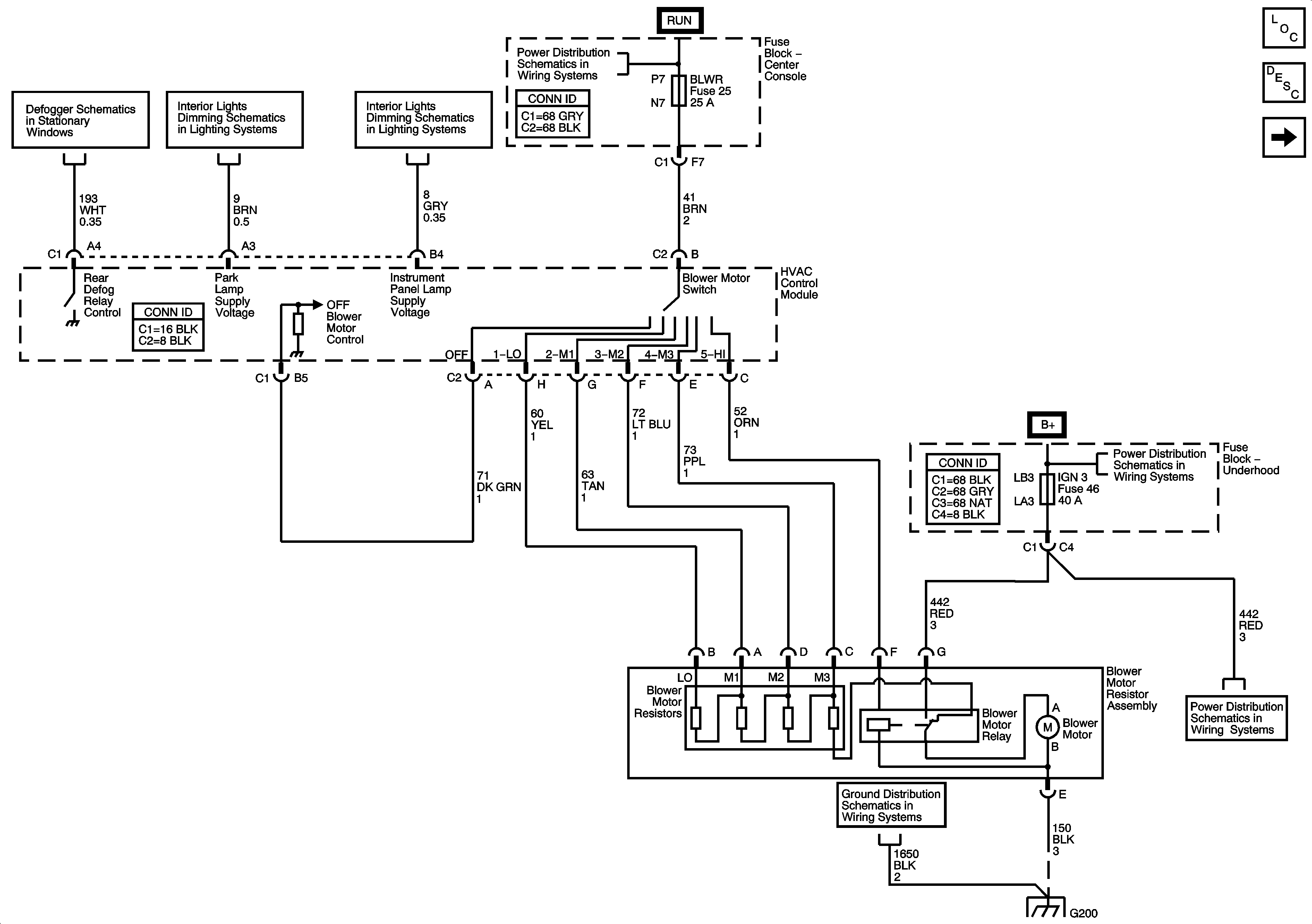
Figure 1:

Blower Controls


Object Number: 1406923  Size: FS
Master Electrical Component List
Air Delivery Description and Operation
Compressor Controls
Defogger Schematics
Panel Lamps - Pontiac, Page 2 of 2
Panel Lamps - Pontiac, Page 2 of 2
Fuse Block-Underhood Fuse: 47, Fuse Block Cent Console Fuses
Ground G200 - Buick
Ground G200 - Buick
Fuse Block-Underhood Fuse: 47, Fuse Block Cent Console Fuses
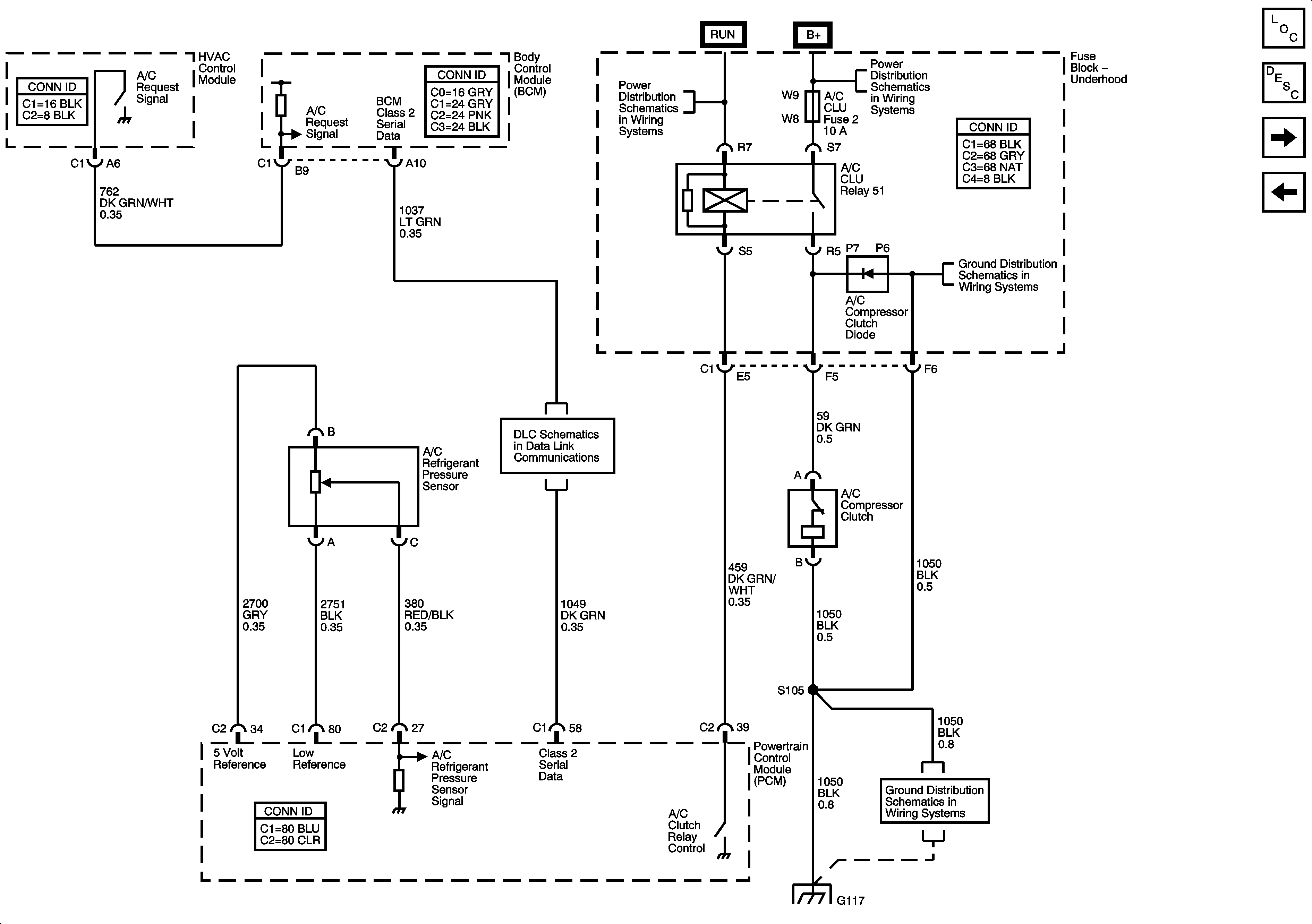
Figure 2:

Compressor Control


Object Number: 1406924  Size: FS
Master Electrical Component List
Air Delivery Description and Operation
Air Delivery and Temperature Control
Blower Controls
Fuse Block - Underhood Buss
Fuse Block - Underhood Buss
Data Link Connector (DLC) Schematics
Ground G117 - Buick
Ground G117 - Buick
Figure 3:

Air Delivery and Temperature Control


Object Number: 626524  Size: FS
Master Electrical Component List
Air Temperature Description and Operation
Compressor Controls
Fuse Block - Center Console Fuse: IGN 3 HVAC
Fuse Block-Underhood Fuse: 48, Fuse Block Center Console Fuses
Fuse Block - Center Console Fuse: IGN 3 HVAC
Fuse Block-Underhood Fuse: 48, Fuse Block Center Console Fuses
Ground G200 - Buick
Ground G200 - Buick