GM Service Manual Online
For 1990-2009 cars only
Makes
🢒
Pontiac
🢒
2004
🢒
Aztek - FWD
🢒
Body
🢒
Wiring Systems
🢒 Headlights/Daytime Running Lights (DRL) Schematics
Figure
1:
Indicator, Lamp Control
Master Electrical Component List
Dimming, Lamps and Relays
Data Link Connector (DLC) Schematics
Ground G202 - Buick
Ground G202 - Buick
Ground G201 - Buick
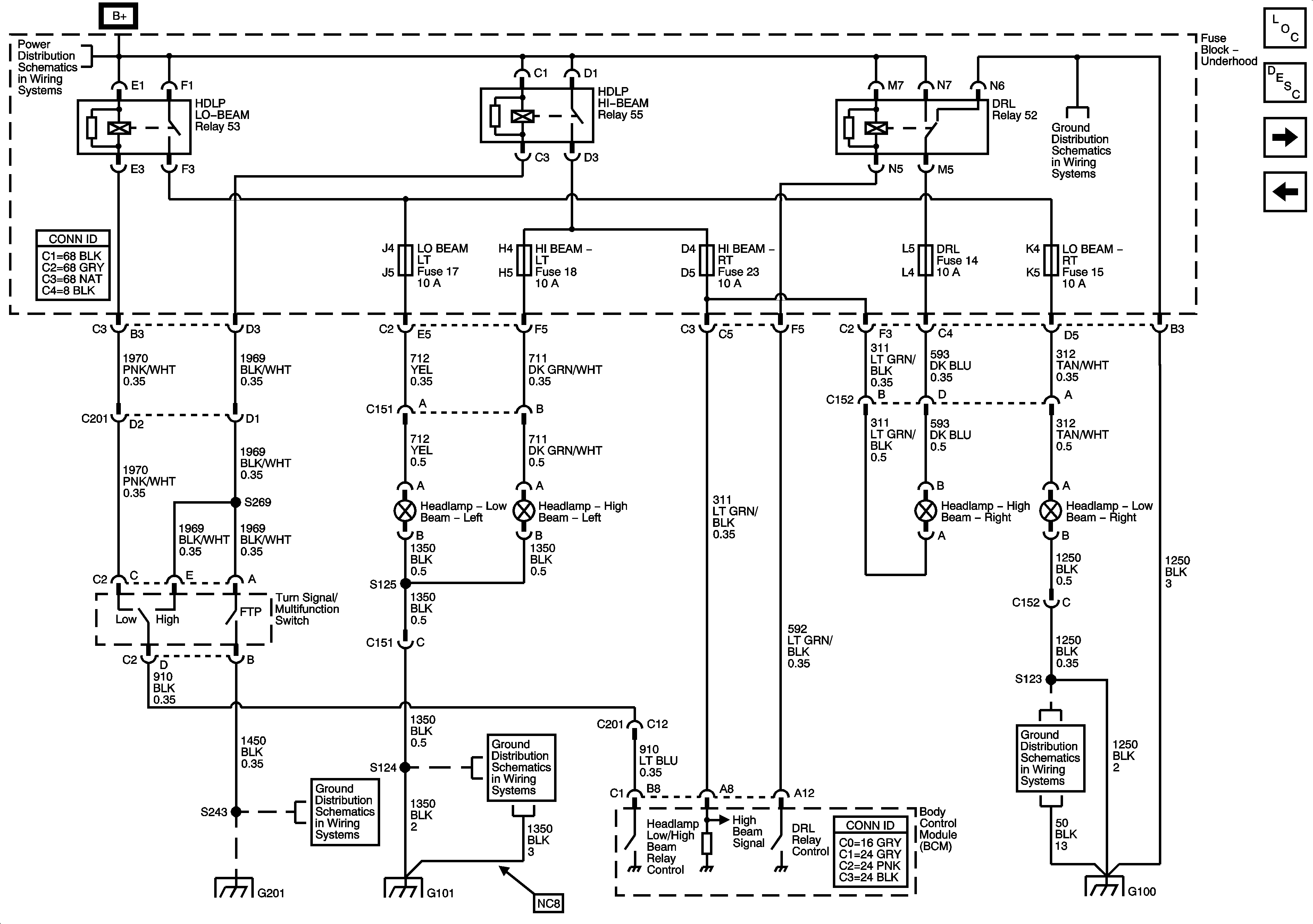
Figure
2:
Dimming, Lamps, and Relays
Master Electrical Component List
Indicators, Lamp Control
Fuse Block Underhood Fuses: 42, 17, 15, 18, 23 and 14
Ground G100 - Buick
Ground G201 - Buick
Ground G101 - Buick
Ground G101 - Buick
Ground G100 - Buick
Ground G201 - Buick