GM Service Manual Online
For 1990-2009 cars only
Makes
🢒
Pontiac
🢒
2004
🢒
Aztek - FWD
🢒
Accessories
🢒
Cruise Control
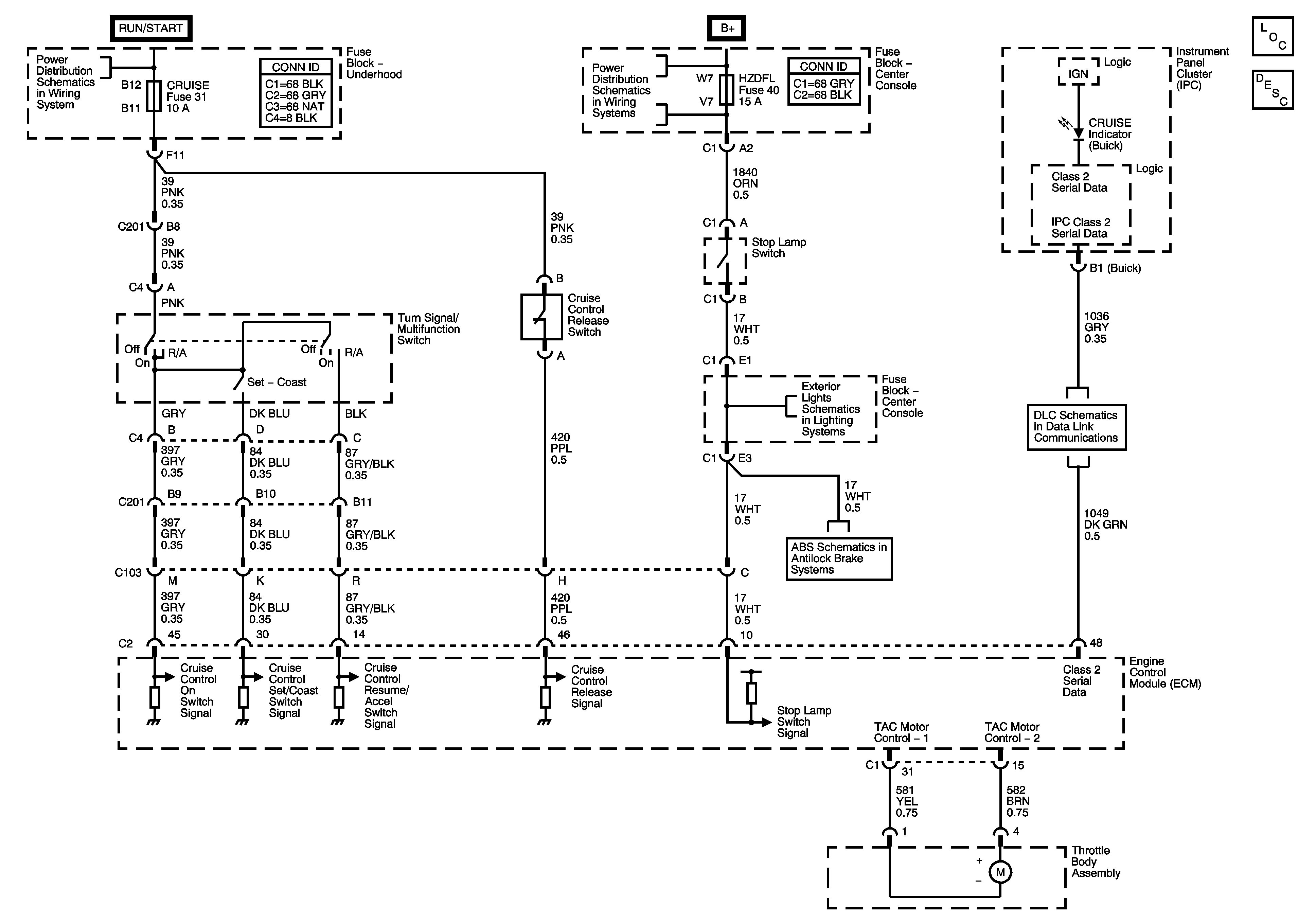
🢒 Cruise Control Schematics
Figure
1:
Cruise Control - LA1
Figure
2:
Cruise Control - LY7