GM Service Manual Online
For 1990-2009 cars only
Makes
🢒
Pontiac
🢒
2004
🢒
Aztek - FWD
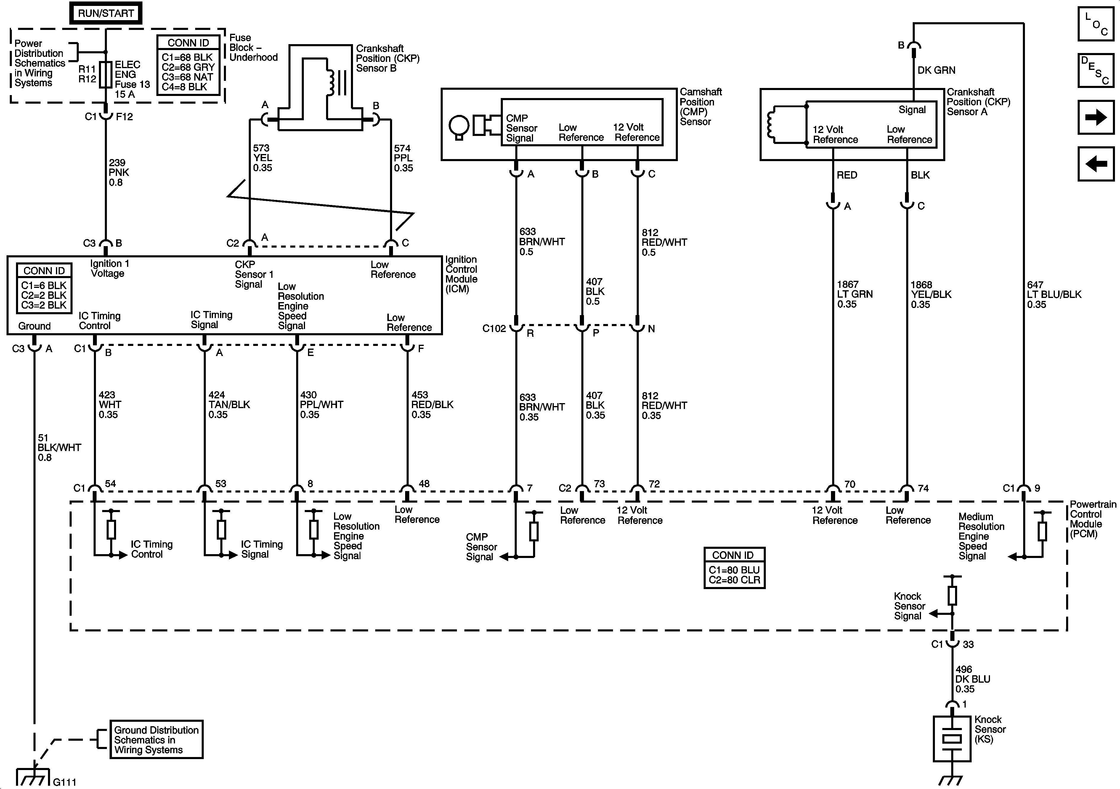
🢒 Ignition Control, KS
Ignition Control, KS
Ignition Control, KS
Master Electrical Component List
Fuel Injectors, Fuel Pump
Power, DLC, Ground and MIL
Fuse Block Underhood Fuses: 10, 6, 4, 13 and 30
Ground G111 - Buick