GM Service Manual Online
For 1990-2009 cars only
Makes
🢒
Pontiac
🢒
2005
🢒
Aztek - FWD
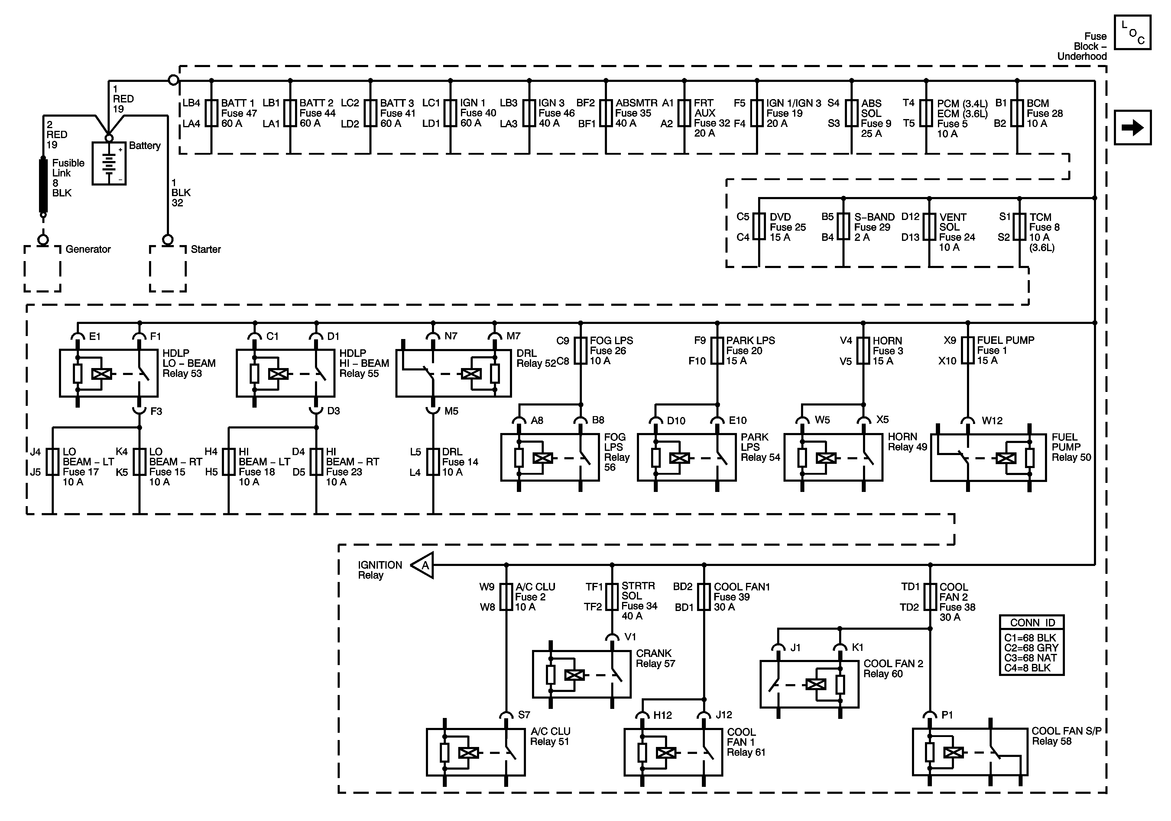
🢒 B+ Bus - 1 of 2
B+ Bus - 1 of 2
B+ Bus - 1 of 2