GM Service Manual Online
For 1990-2009 cars only
Makes
🢒
Pontiac
🢒
2005
🢒
Aztek - FWD
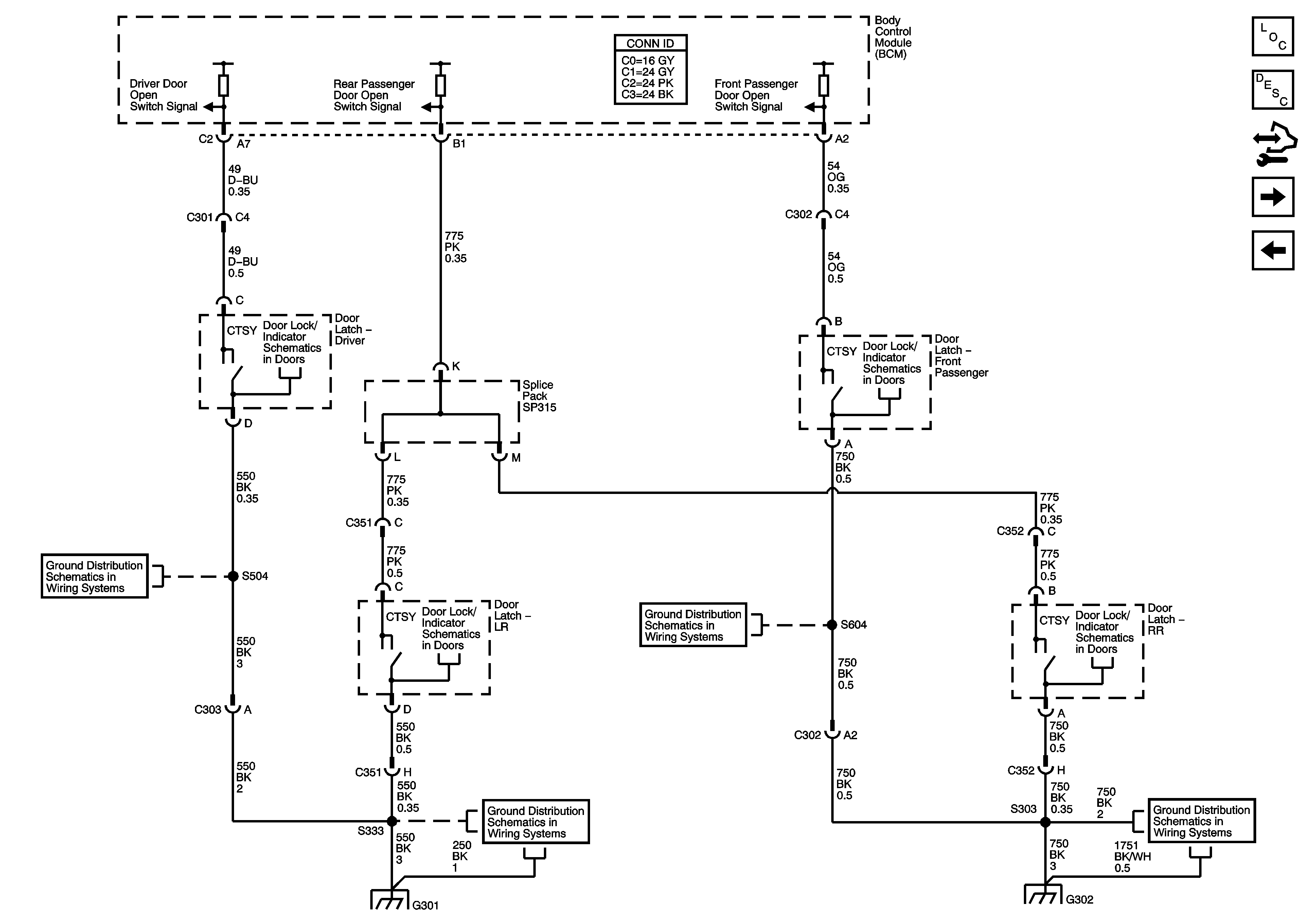
🢒 Door Switches
Door Switches
Door Switches
Master Electrical Component List
Interior Lighting Systems Description and Operation
Control Module References
Lift Window, Endgate and Liftgate Switches
Roof Lighting - Buick
Door Ajar Indicators
Door Ajar Indicators
G301
Door Ajar Indicators
G302
Door Ajar Indicators
G301
G301
G302
G302