GM Service Manual Online
For 1990-2009 cars only
Makes
🢒
Pontiac
🢒
2005
🢒
Aztek - FWD
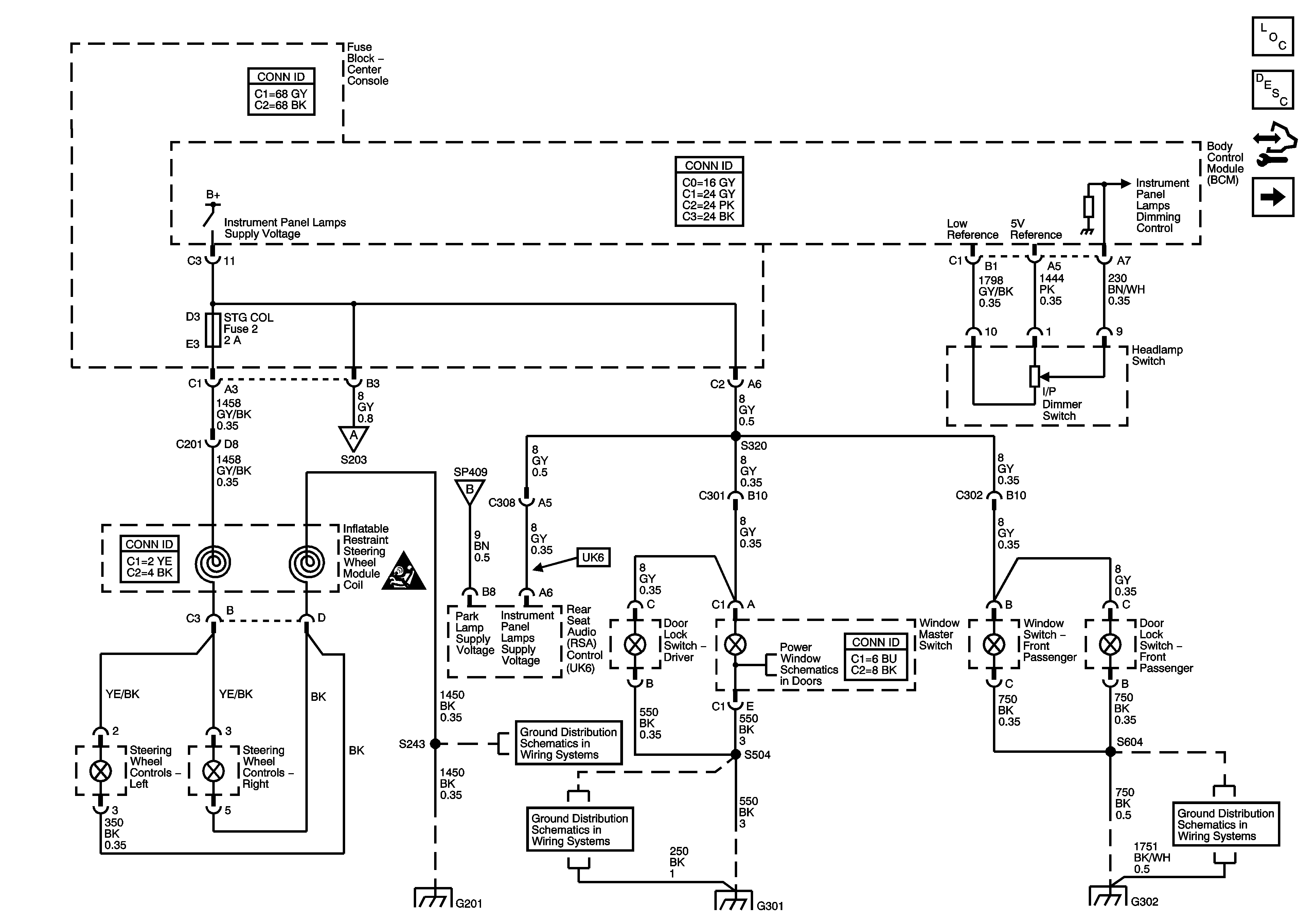
🢒 Dimming Cont and Panel Lamps 1 of 2-Pontiac
Dimming Cont and Panel Lamps 1 of 2-Pontiac
Dimming Controls and Panel Lamps - Pontiac - 1 of 2
Master Electrical Component List
Interior Lighting Systems Description and Operation
Control Module References
Panel Lamps - Pontiac, Page 2 of 2
Panel Lamps - Pontiac, Page 2 of 2
Panel Lamps - Pontiac, Page 2 of 2
SIR Caution for Zoning
G201
G201
G301
G301
G302
Power Window Schematics
G302