GM Service Manual Online
For 1990-2009 cars only
Makes
🢒
Pontiac
🢒
2005
🢒
Aztek - FWD
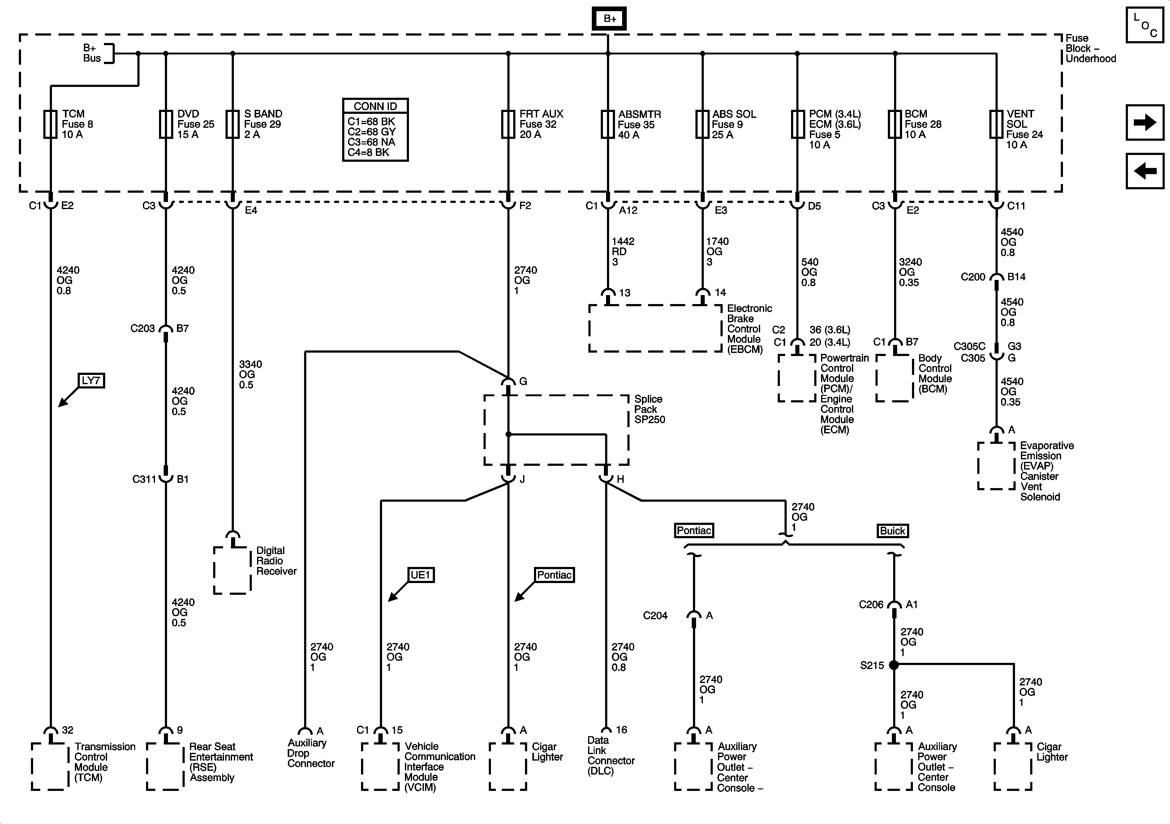
🢒 ABSMTR, ABS SOL, BCM, DVD, ECM (3.6L), FRT AUX, PCM (3.4L), S BAND, and VENT SOL Fuses
ABSMTR, ABS SOL, BCM, DVD, ECM (3.6L), FRT AUX, PCM (3.4L), S BAND, and VENT SOL Fuses
ABSMTR, ABS SOL, BCM, DVD, ECM (3.6L), FRT AUX, PCM (3.4L), S BAND, and VENT SOL Fuses
Master Electrical Component List
Control Module References
ABS, AWD, ELEC ENG, EMS DEV, O2 SENSORS Fuses, and IGNITION Relay - 3.4L
ACCPWR, ELC ACCY, IGN 1, RR WPR, SUN RF, WIPER Fuses, and PWR WDWS Circuit Breaker
B+ Bus 1 of 2