GM Service Manual Online
For 1990-2009 cars only
Makes
🢒
Pontiac
🢒
2005
🢒
Aztek - FWD
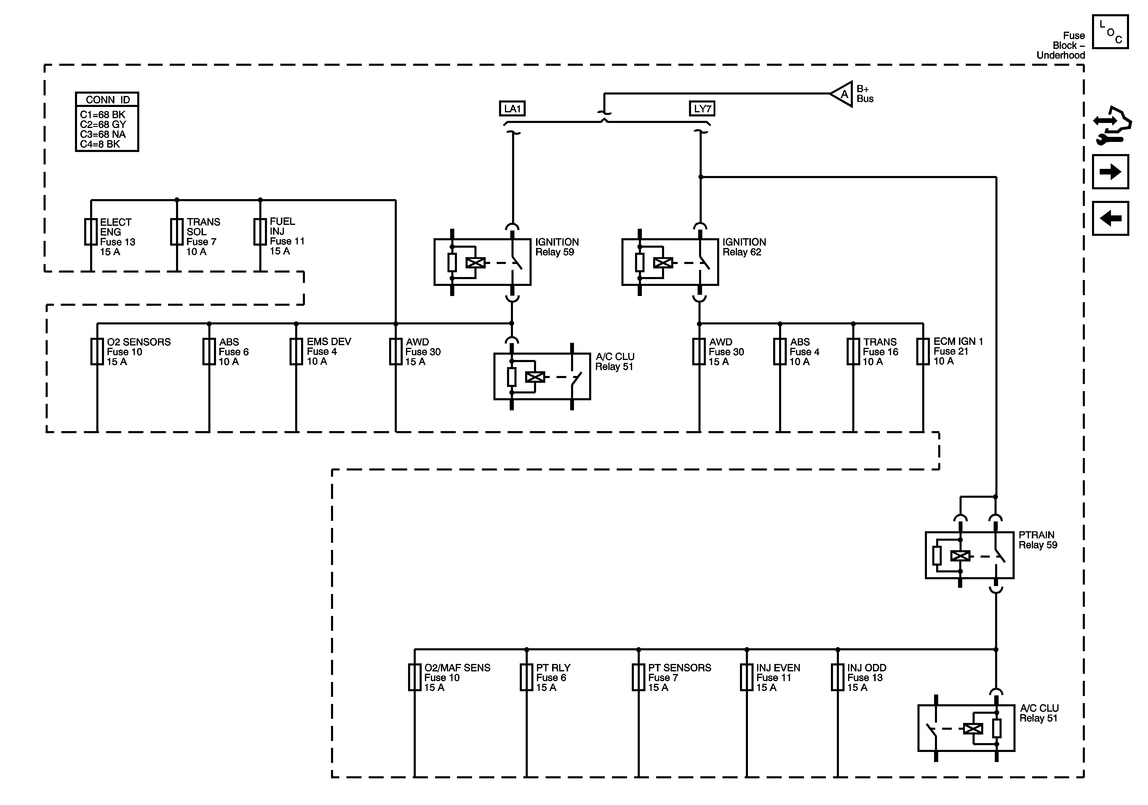
🢒 B+ Bus 2 of 2
B+ Bus 2 of 2
B+ Bus 2 of 2
Master Electrical Component List
Control Module References
BATT 1, BCML, HUD, HZD FL, INKEY, IP MDL, RADIO, and RD AMP Fuses
B+ Bus 1 of 2
B+ Bus 1 of 2