GM Service Manual Online
For 1990-2009 cars only
Makes
🢒
Pontiac
🢒
2005
🢒
Aztek - FWD
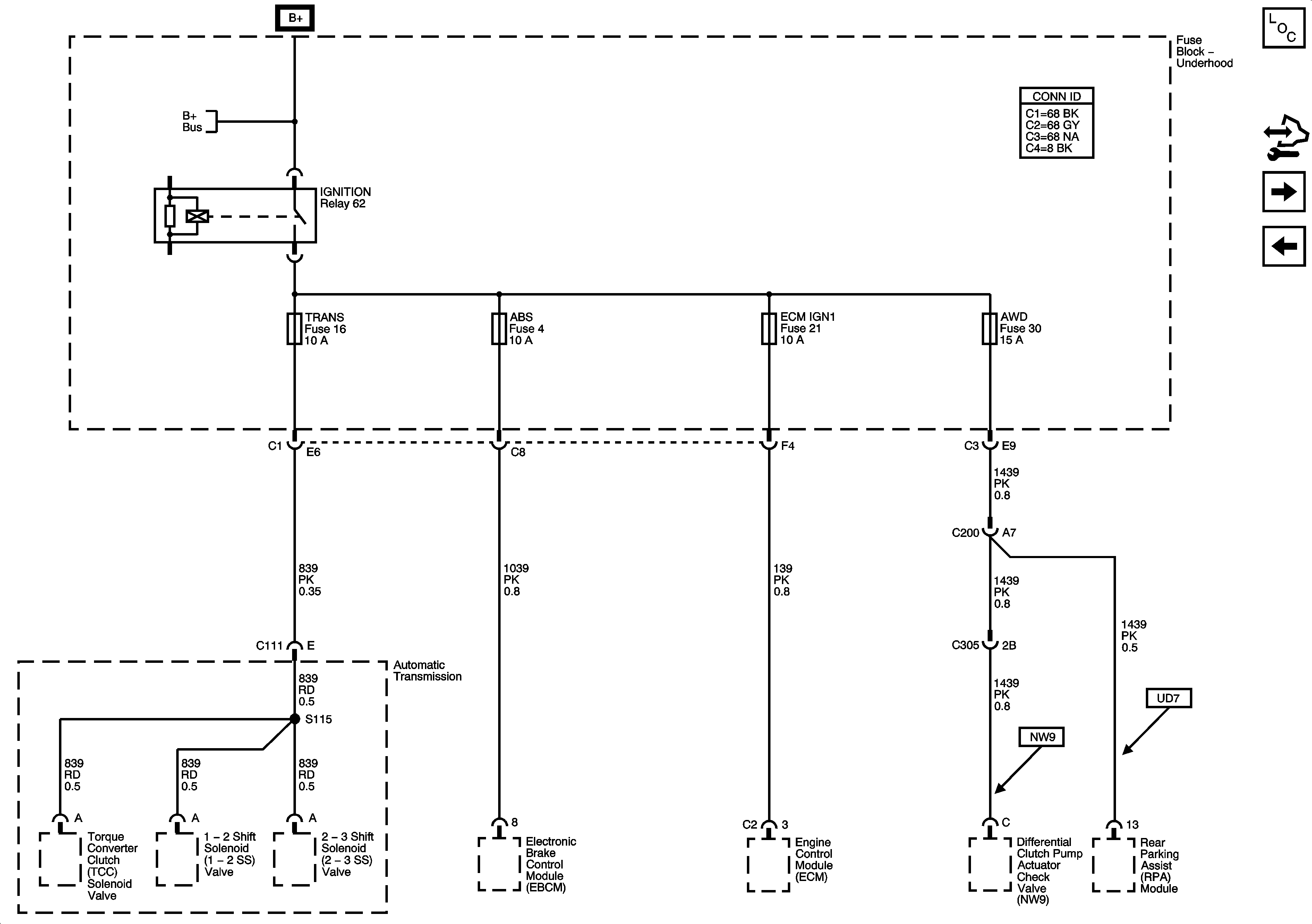
🢒 ABS, AWD, ECM IGN1, TRANS Fuses and IGNITION Relay - 3.6L
ABS, AWD, ECM IGN1, TRANS Fuses and IGNITION Relay - 3.6L
ABS, AWD, ECM IGN1, TRANS Fuses, and IGNITION Relay - 3.6L
Master Electrical Component List
Control Module References
DRL, HI BEAM-LT, HI BEAM-RT, HTD MIRR, LO BEAM-LT, and LO BEAM-RT Fuses
PTRAIN Relay (2 of 2), BTSI, PT RLY, and PT SENSORS Fuses - 3.6L
B+ Bus 1 of 2