GM Service Manual Online
For 1990-2009 cars only
Makes
🢒
Pontiac
🢒
2005
🢒
Aztek - FWD
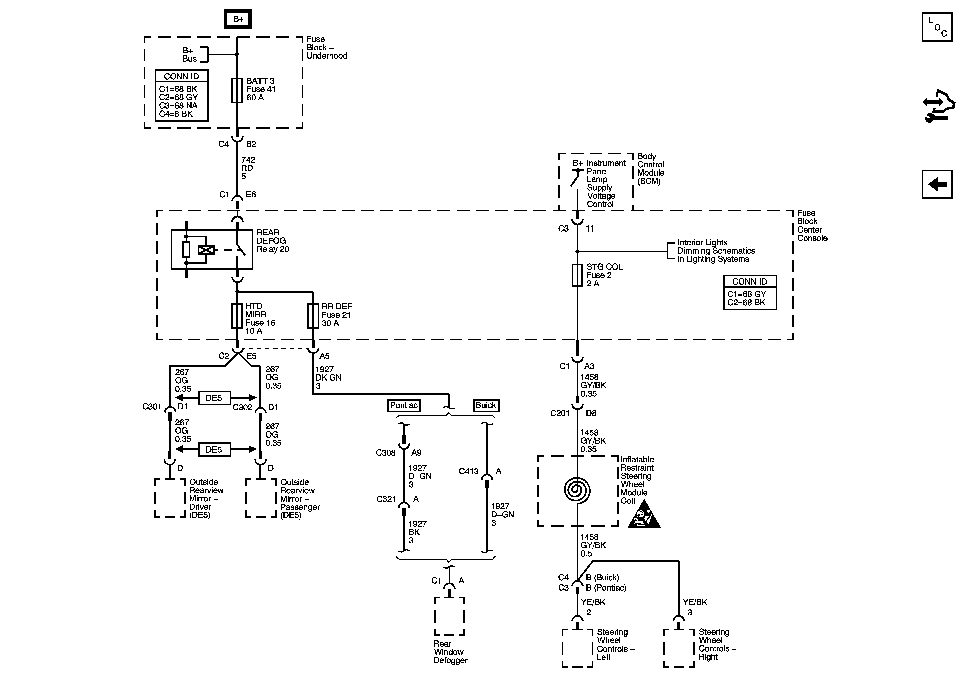
🢒 BATT 3, HTD MIRR, STG COL, and RR DEF Fuses
BATT 3, HTD MIRR, STG COL, and RR DEF Fuses
BATT 3, HTD MIRR , STG COL, and RR DEF Fuses
Master Electrical Component List
Control Module References
DRL, HI BEAM-LT, HI BEAM-RT, HTD MIRR, LO BEAM-LT, and LO BEAM-RT Fuses
B+ Bus 1 of 2
SIR Caution for Zoning