GM Service Manual Online
For 1990-2009 cars only
Makes
🢒
Pontiac
🢒
1996
🢒
Bonneville
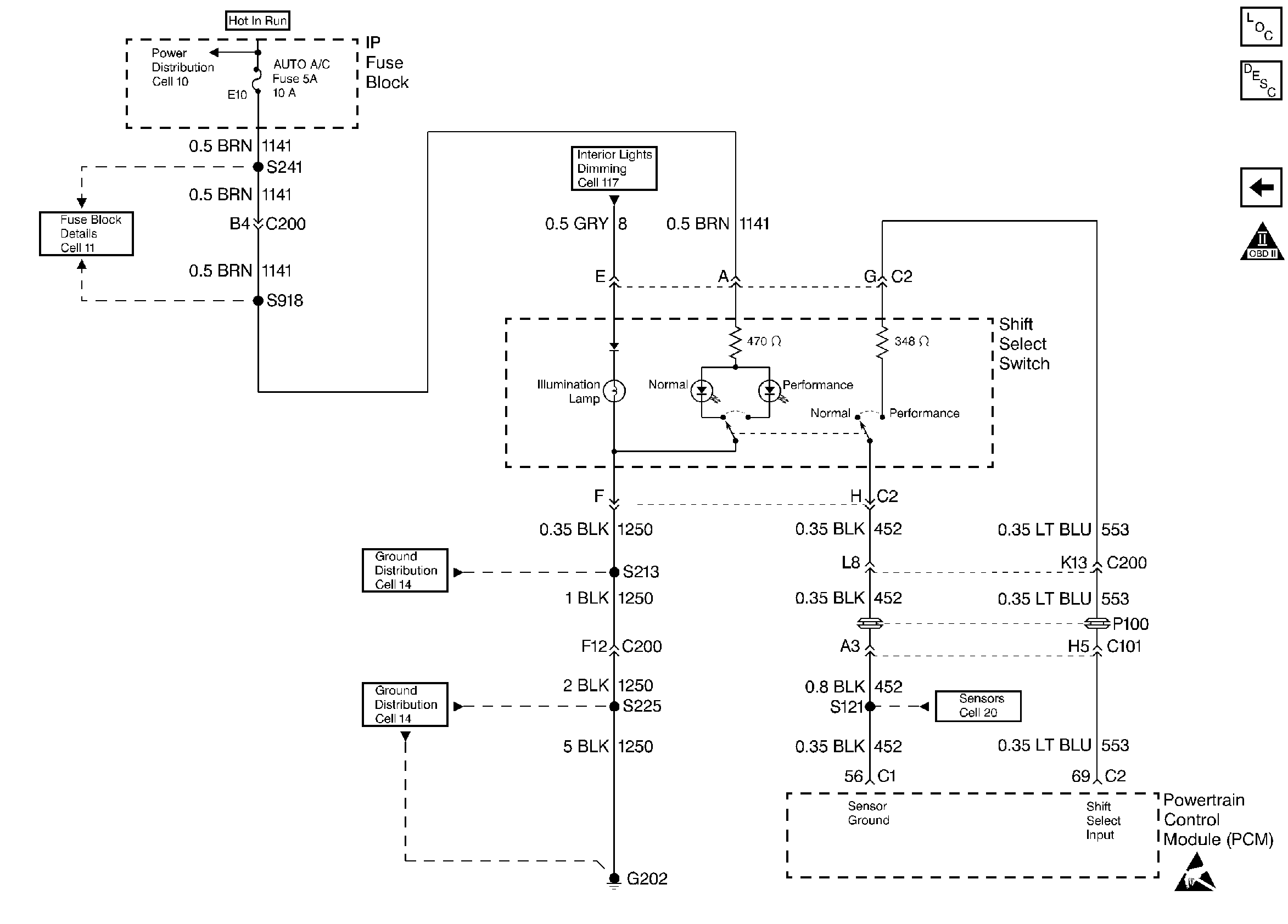
🢒 Shift Select Switch
Shift Select Switch
Shift Select Switch
Automatic Transmission Components
Electronic Component Description
Brake Switch, Solenoids, and TFT Sensor
OBD II Symbol Description Notice
Handling ESD Sensitive Parts Notice
Automatic Transmission Schematic References
Automatic Transmission Schematic References
Automatic Transmission Schematic References
Automatic Transmission Schematic References
Automatic Transmission Schematic References