GM Service Manual Online
For 1990-2009 cars only
Makes
🢒
Pontiac
🢒
1997
🢒
Bonneville
🢒
Transmission/Transaxle
🢒
Automatic Transaxle - 4T65-E
🢒 Automatic Transmission Controls Schematics
Figure
1:
PCM Power and VSS
Automatic Transmission Components
Electronic Component Description
Brake Switch, Solenoids, and TFT Sensor
OBD II Symbol Description Notice
Handling ESD Sensitive Parts Notice
Automatic Transmission Schematic References
Automatic Transmission Schematic References
Automatic Transmission Schematic References
Automatic Transmission Schematic References
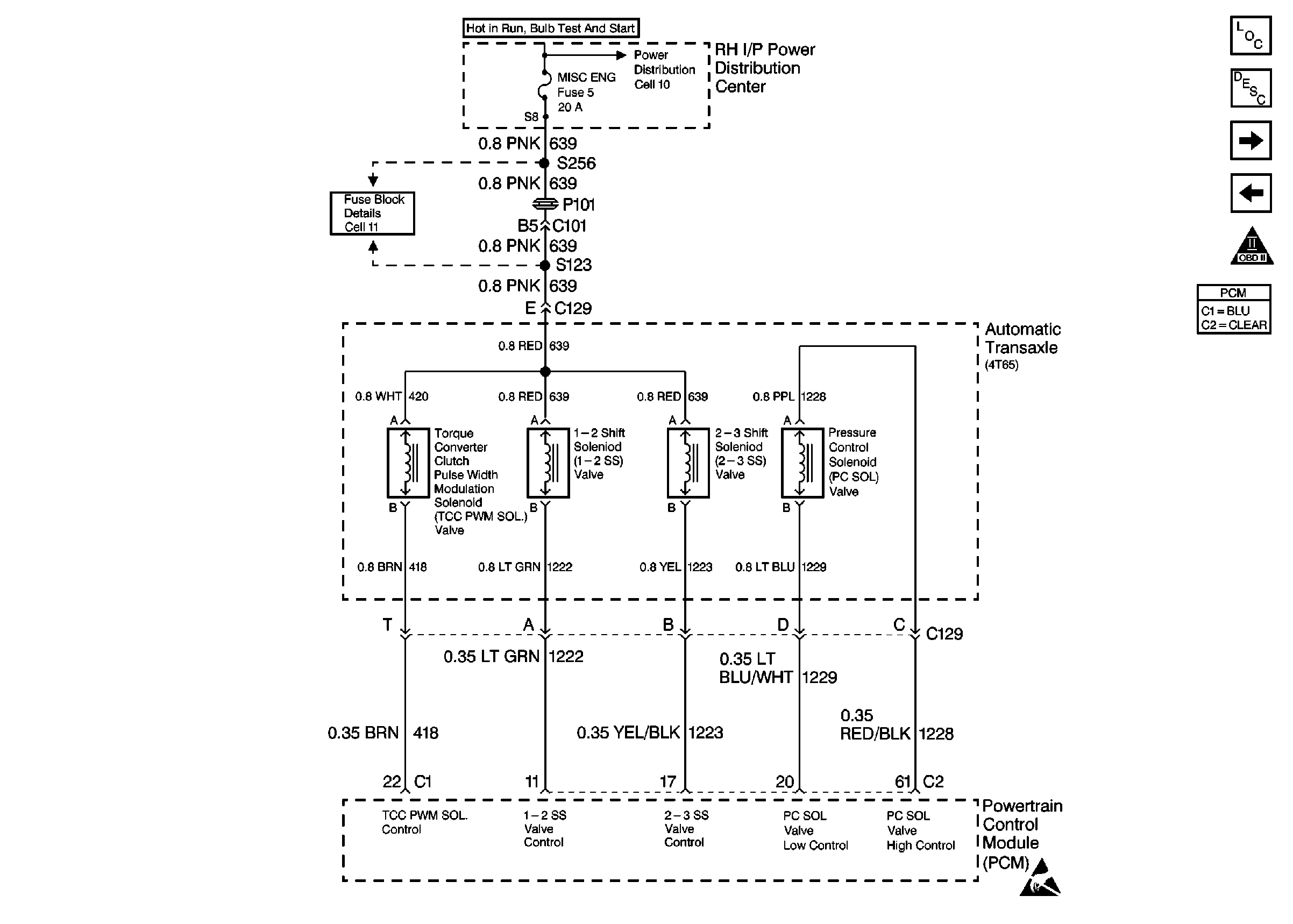
Figure
2:
Brake Switch, TCC PWM, 1-2 Shift, 2-3 Shift, and PC Solenoids -- VIN 1
Automatic Transmission Components
Electronic Component Description
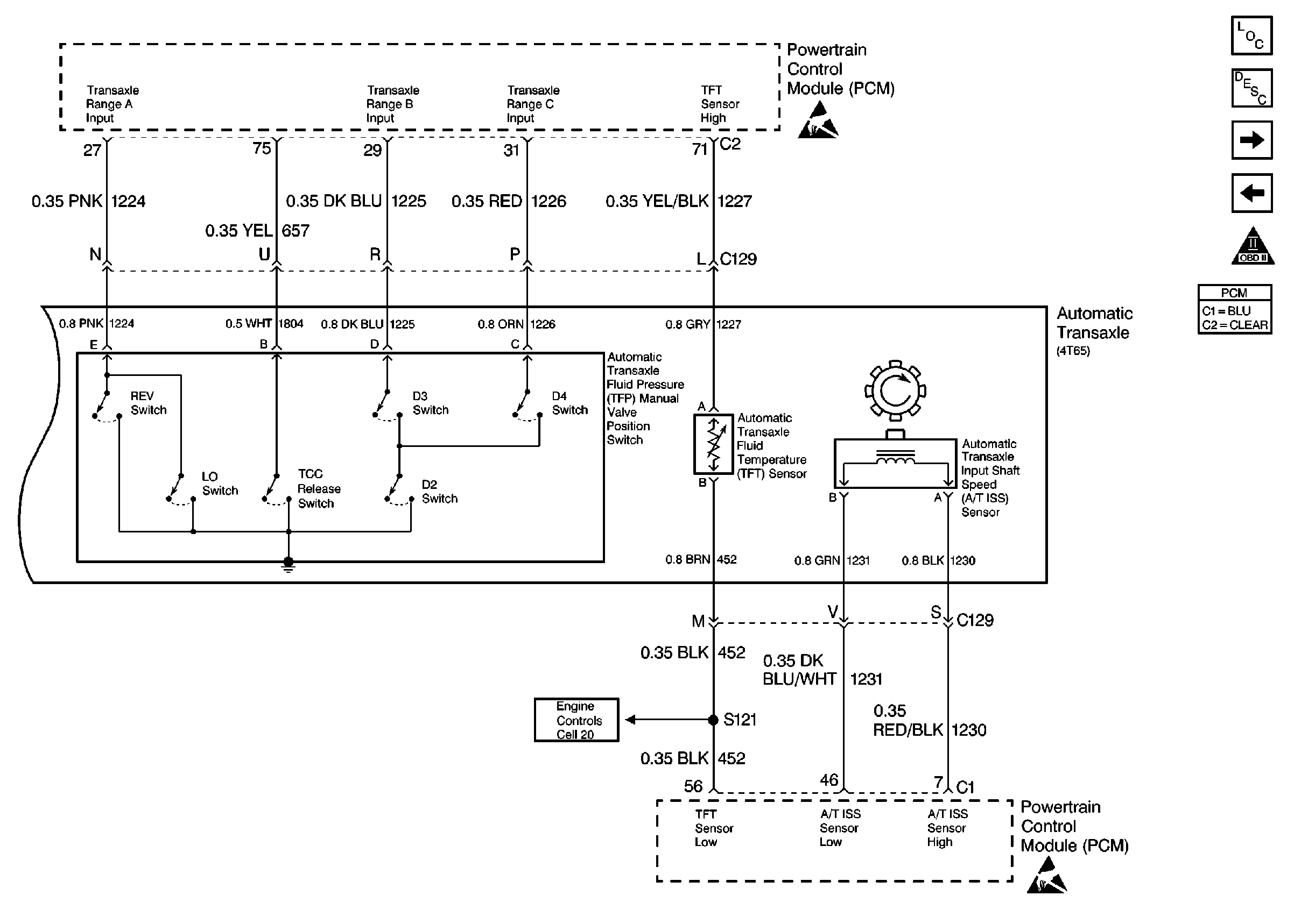
TFP Switch, TFT and A/T ISS Sensors - VIN 1
Brake Switch, Solenoids, and TFT Sensor
OBD II Symbol Description Notice
Handling ESD Sensitive Parts Notice
Automatic Transmission Schematic References
Automatic Transmission Schematic References
Figure
3:
TFP Switch, TFT and A/T ISS Sensors -- VIN 1
Automatic Transmission Components
Electronic Component Description
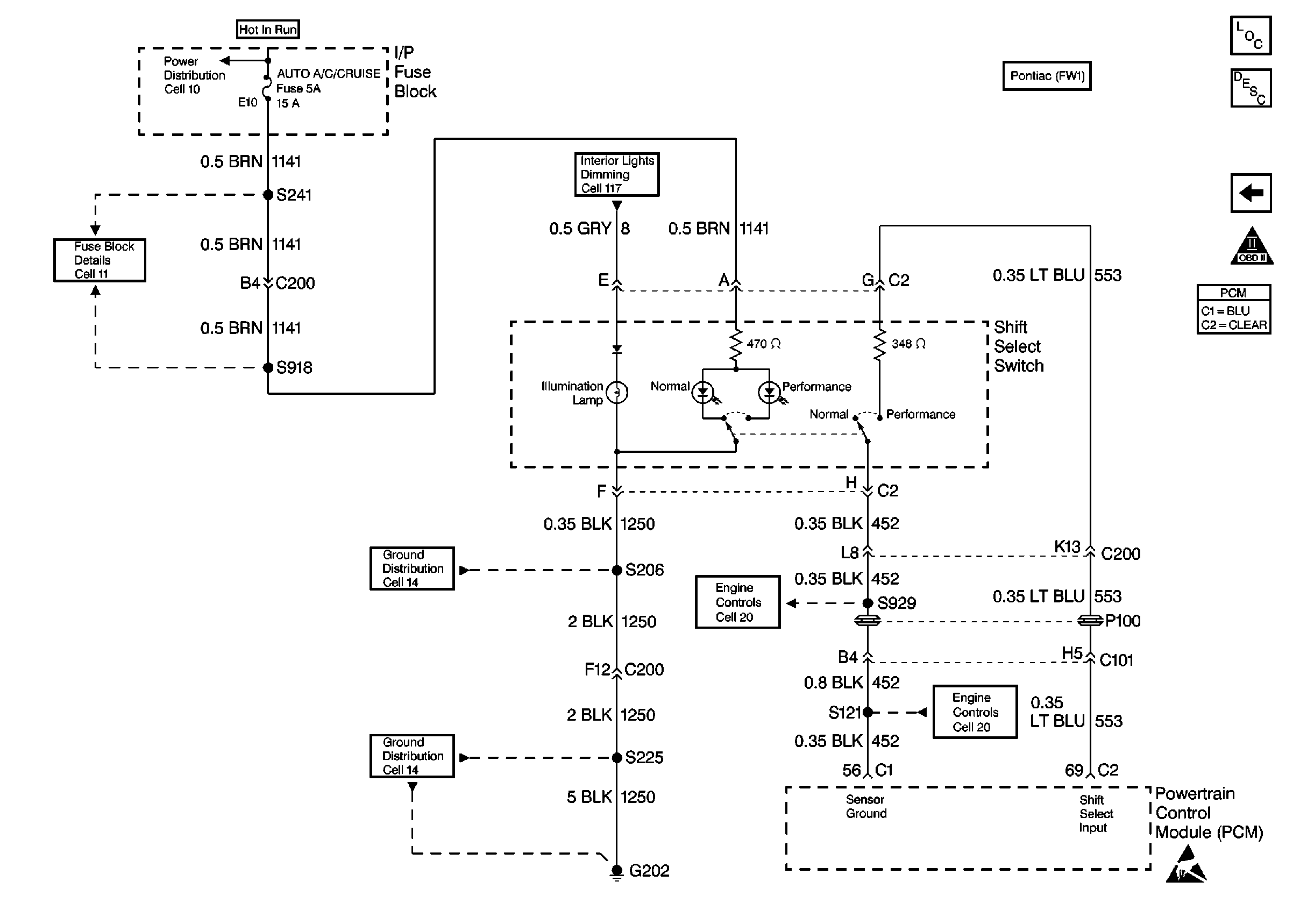
Shift Select Switch - Pontiac
Brake Switch, TCC PWM, 1-2 Shift, 2-3 Shift, and PC Solenoids - VIN 1
OBD II Symbol Description Notice
Handling ESD Sensitive Parts Notice
Handling ESD Sensitive Parts Notice
Automatic Transmission Schematic References
Figure
4:
Shift Select Switch -- Pontiac
Automatic Transmission Components
Electronic Component Description
TFP Switch, TFT and A/T ISS Sensors - VIN 1
OBD II Symbol Description Notice
Handling ESD Sensitive Parts Notice
Automatic Transmission Schematic References
Automatic Transmission Schematic References
Automatic Transmission Schematic References
Automatic Transmission Schematic References
Automatic Transmission Schematic References
Automatic Transmission Schematic References
Automatic Transmission Schematic References