GM Service Manual Online
For 1990-2009 cars only
Makes
🢒
Pontiac
🢒
2000
🢒
Bonneville
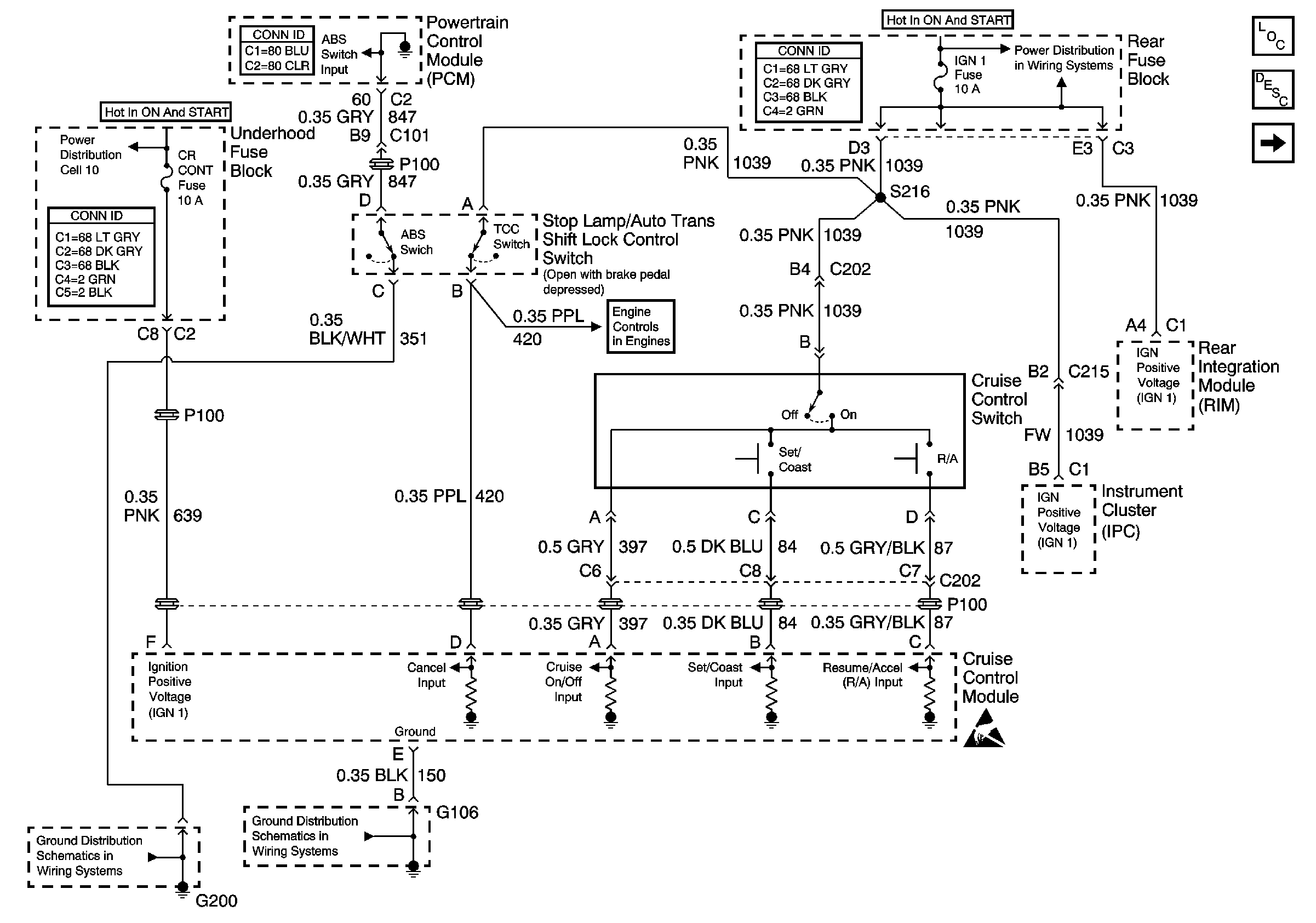
🢒 Cruise Control Switch, CCM Power and Grounds
Cruise Control Switch, CCM Power and Grounds
Cruise Control Switch, CCM Power and Grounds
Cruise Control Components
Cruise Control System Circuit Description
CCM, PCM Controls and Vehicle Speed Input
INJ1 and INJ2 Fuses, CR CONT, PCM IGN Fuses (Underhood Fuse Block)
IGN 1, VENT SOL, and SIR Fuses (Rear Fuse Block)
G101, G106 and G107