GM Service Manual Online
For 1990-2009 cars only
Makes
🢒
Pontiac
🢒
2000
🢒
Bonneville
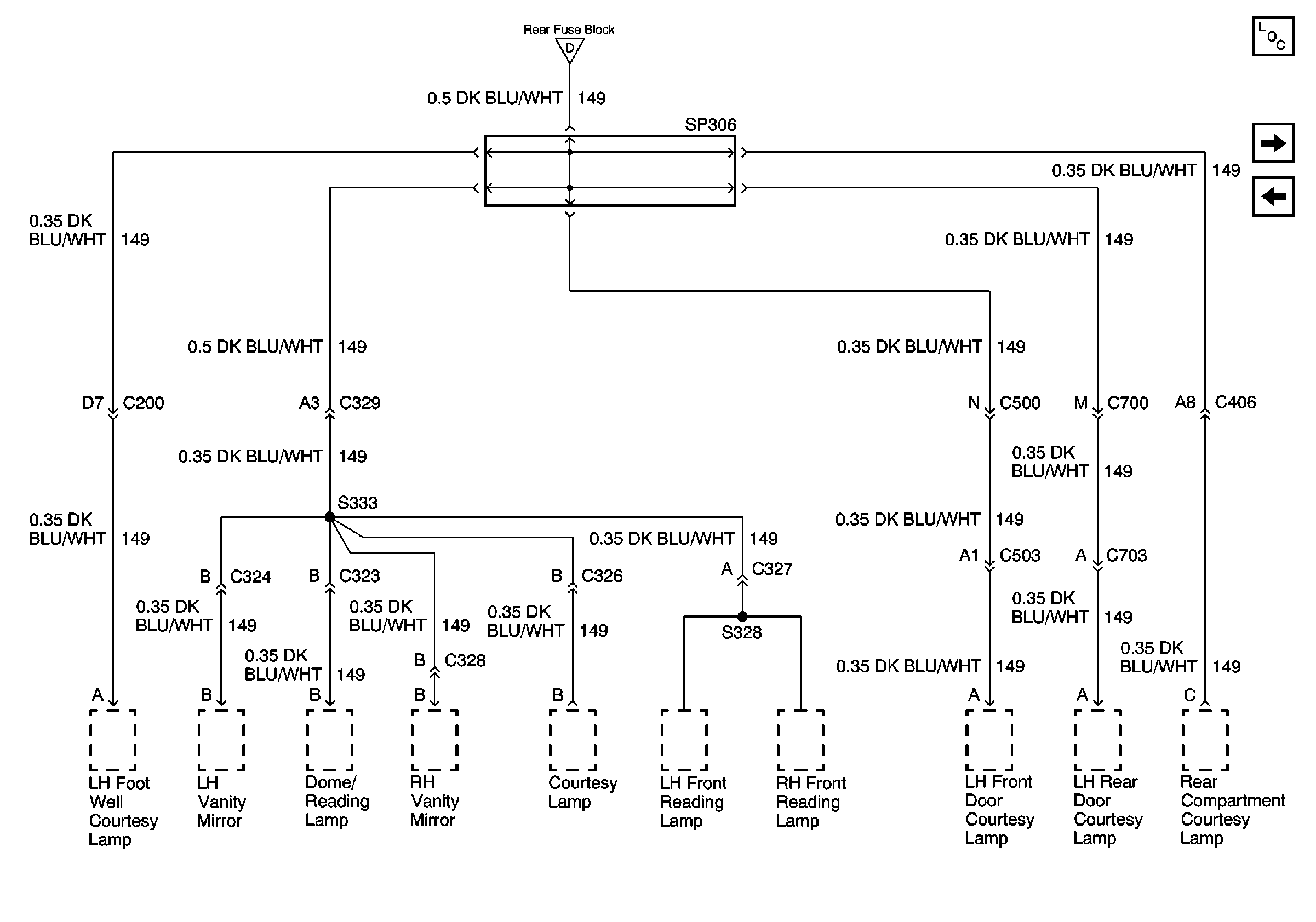
🢒 INT LP Relay, SP306 Circuits
INT LP Relay, SP306 Circuits
INT LP Relay, SP306 Circuits
Power and Grounding Components
DIMR, LP PKR, LP PKL Fuses, F/TRNKDRLOCK and F/TNKDR REL Relays
INT LP and BODY Fuses (Rear Fuse Block)
INT LP and BODY Fuses (Rear Fuse Block)