GM Service Manual Online
For 1990-2009 cars only
Makes
🢒
Pontiac
🢒
2000
🢒
Bonneville
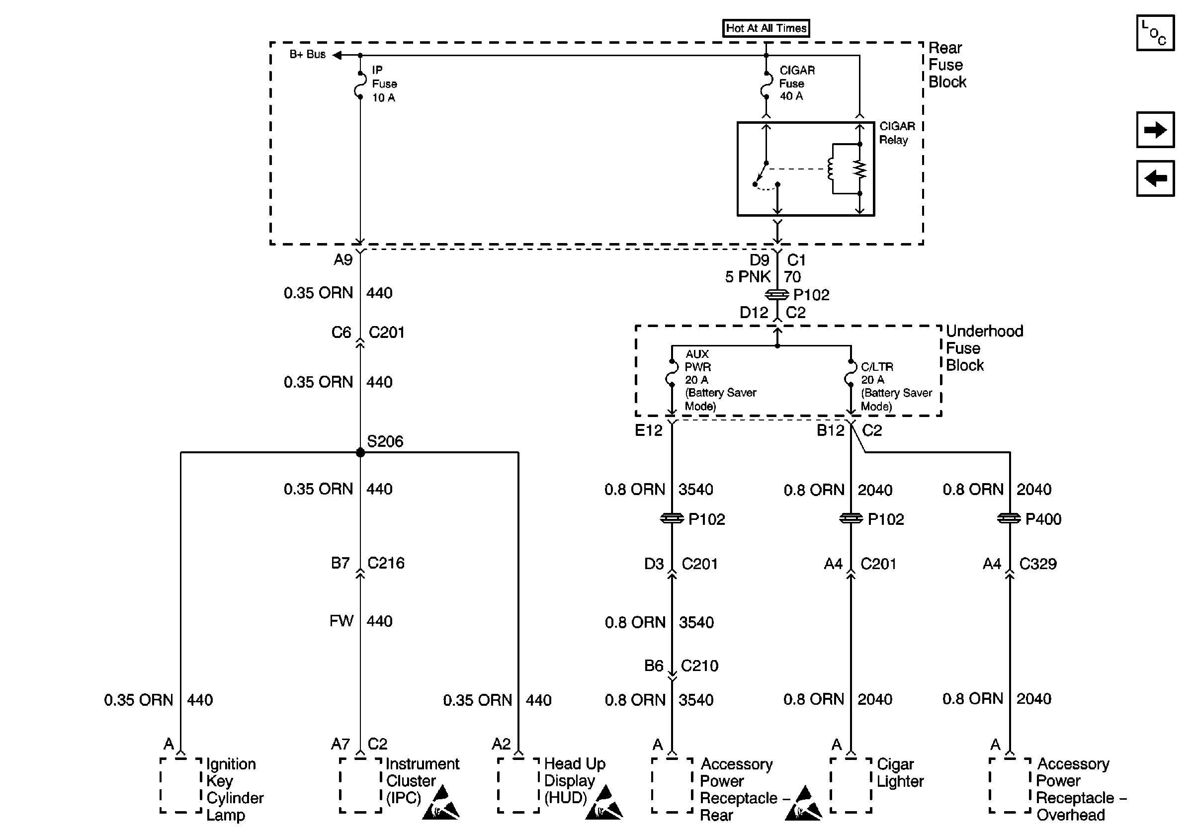
🢒 CIGAR and IP Fuses (Rear Fuse Block)
CIGAR and IP Fuses (Rear Fuse Block)
CIGAR and IP Fuses (Rear Fuse Block)
Power and Grounding Components
IGN SW and NSBU Fuses (Rear Fuse Block)
TSIG/HAZ, STOP LP, AUDIO, and CD Fuses
Handling ESD Sensitive Parts Notice
Handling ESD Sensitive Parts Notice
Handling ESD Sensitive Parts Notice