GM Service Manual Online
For 1990-2009 cars only
Makes
🢒
Pontiac
🢒
2000
🢒
Bonneville
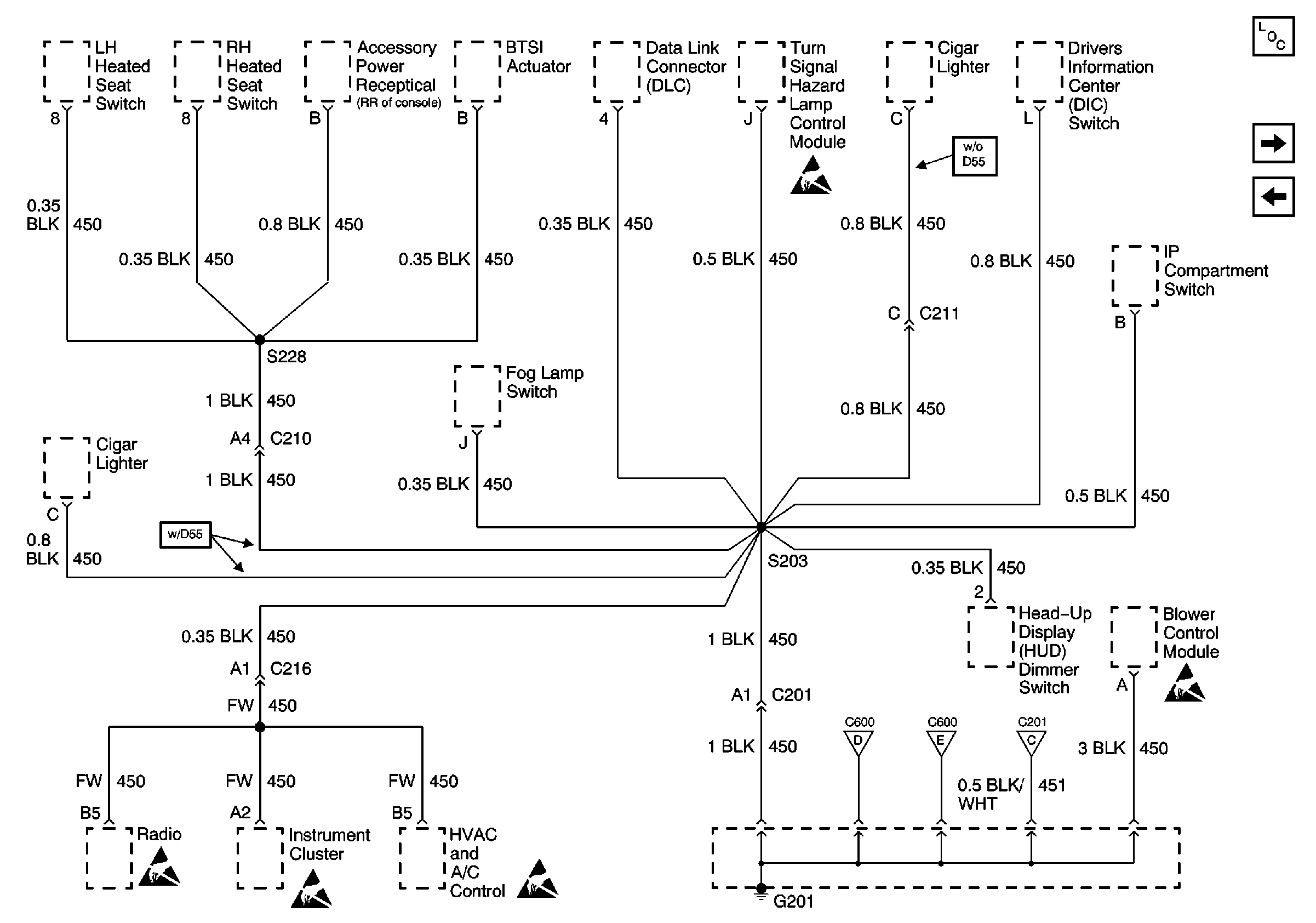
🢒 G201 (1 of 3)
G201 (1 of 3)
G201 (1 of 3)
Power and Grounding Components
G201 (2 of 3)
G200 (2 of 2)
Handling ESD Sensitive Parts Notice
Handling ESD Sensitive Parts Notice
Handling ESD Sensitive Parts Notice
Handling ESD Sensitive Parts Notice
Handling ESD Sensitive Parts Notice
G201 (3 of 3)
G201 (3 of 3)
G201 (3 of 3)