GM Service Manual Online
For 1990-2009 cars only
Makes
🢒
Pontiac
🢒
2000
🢒
Bonneville
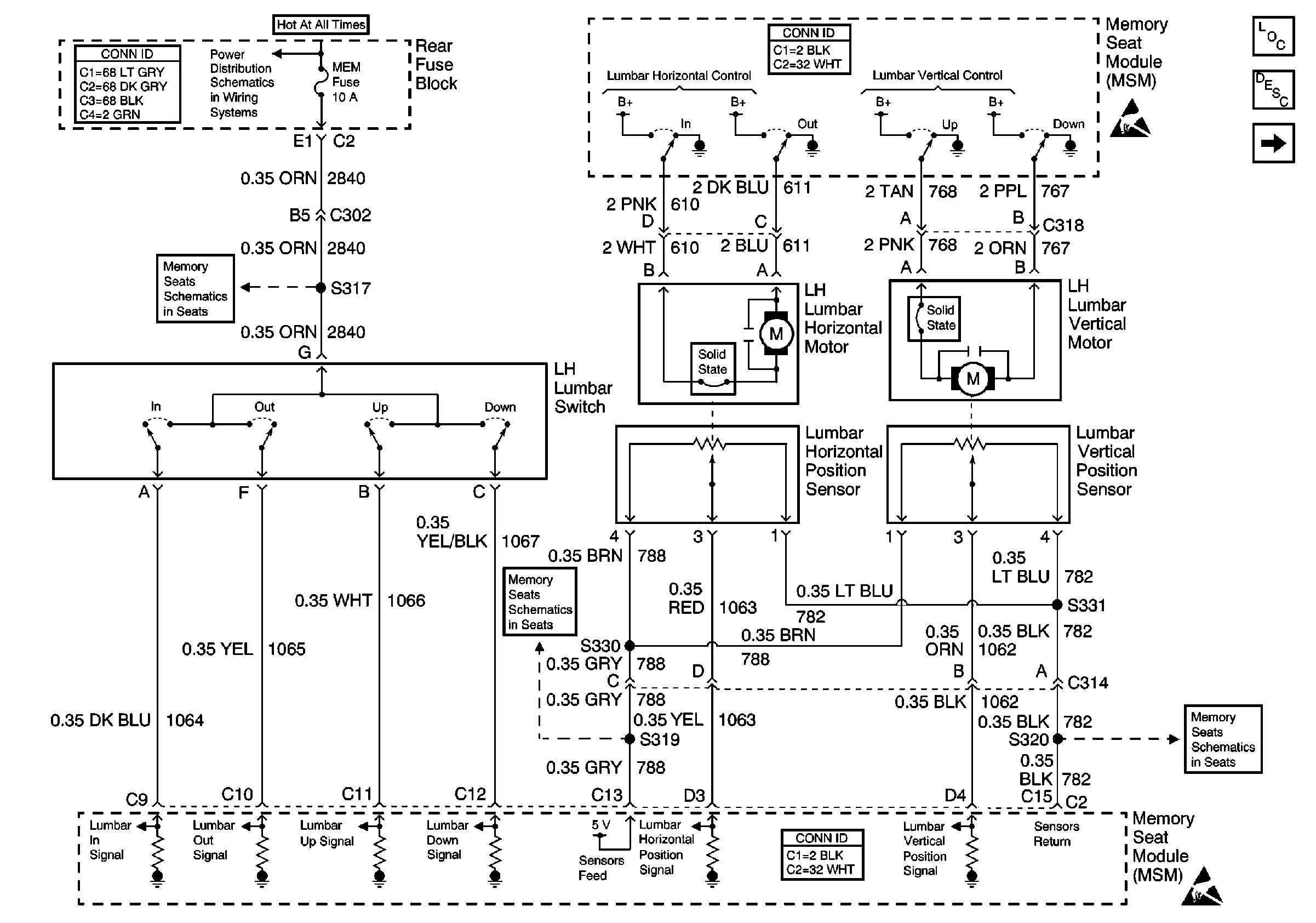
🢒 LH Lumbar Switch, Motors and Sensors (w/ A45)
LH Lumbar Switch, Motors and Sensors (w/ A45)
LH Lumbar Switch, Motors and Sensors (w/ A45)
Power Seat Systems Components
Power Lumbar Circuit Description w/o A45
RH Lumbar Switch
Handling ESD Sensitive Parts Notice
Handling ESD Sensitive Parts Notice
HTDST RF , HTDST LF, DIM, and MEM Fuses (Rear Fuse Block)
Power, Ground, LH Seat Switch and MSM
Vertical and Horizontal Motors and Sensors
Vertical and Horizontal Motors and Sensors