GM Service Manual Online
For 1990-2009 cars only
Makes
🢒
Pontiac
🢒
2000
🢒
Bonneville
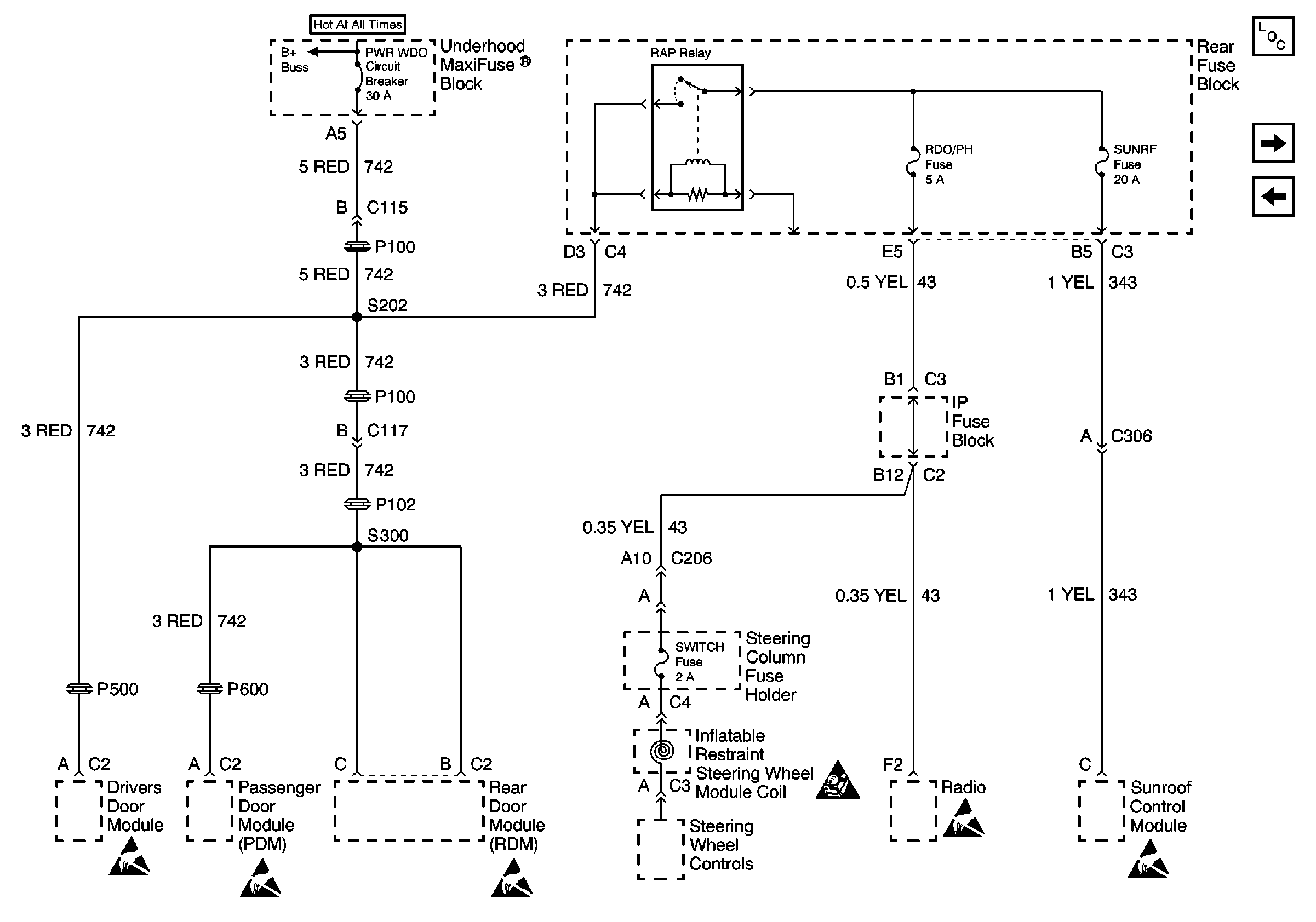
🢒 Underhood Maxi-Fuse Block, RAP Fuse/Rear Fuse Block, RAP Relay, RADIO and SUNROOF Fuses
Underhood Maxi-Fuse Block, RAP Fuse/Rear Fuse Block, RAP Relay, RADIO and SUNROOF Fuses
Underhood Maxi-Fuse Block, RAP Fuse/Rear Fuse Block, RAP Relay, RADIO and SUNROOF Fuses
Power and Grounding Components
Underhood Fuse Block, HEADLAMP, LO BEAM, HI BEAM START SOLENOID Fuses and Starter Relay
Underhood Maxi-Fuse Block, AIR PUMP, HI FAN, AUX PWR, and REARDEFOG Fuses
Underhood Fuse Block and Underhood Maxi-Fuse Block
00 C-Car RAP Cell 15
Handling ESD Sensitive Parts Notice
Handling ESD Sensitive Parts Notice
Handling ESD Sensitive Parts Notice
Handling ESD Sensitive Parts Notice
Handling ESD Sensitive Parts Notice