GM Service Manual Online
For 1990-2009 cars only
Makes
🢒
Pontiac
🢒
2000
🢒
Bonneville
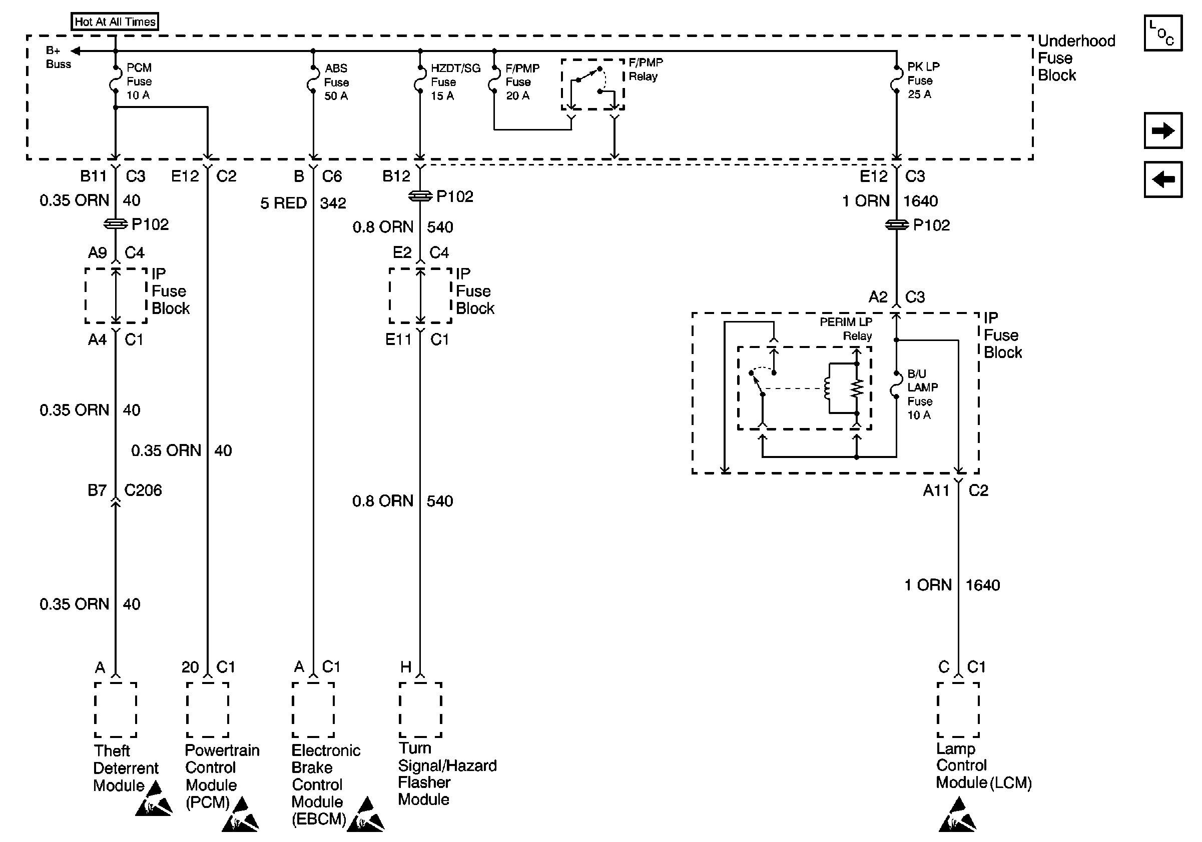
🢒 Underhood Fuse Block, PCM, ABS, HAZARD, FUEL PUMP, PARKLMP Fuses And Fuel Pump Relay
Underhood Fuse Block, PCM, ABS, HAZARD, FUEL PUMP, PARKLMP Fuses And Fuel Pump Relay
Underhood Fuse Block, PCM, ABS, HAZARD, FUEL PUMP, PARKLMP Fuses and Fuel Pump Relay
Power and Grounding Components
Underhood Fuse Block, BAT 1 Fuse/Rear Fuse Block, RDM, C/LTR, DDM, HTDST L and TRK REL Fuses/ IP Fuse Block, PDM, SBM and CSTR/SBM Fuses
Underhood Fuse Block, BLOWER and BRAKE Fuses, Low Fan and Horn Relays
Underhood Fuse Block and Underhood Maxi-Fuse Block
Handling ESD Sensitive Parts Notice
Handling ESD Sensitive Parts Notice
Handling ESD Sensitive Parts Notice
Handling ESD Sensitive Parts Notice
Handling ESD Sensitive Parts Notice