GM Service Manual Online
For 1990-2009 cars only
Makes
🢒
Pontiac
🢒
2000
🢒
Bonneville
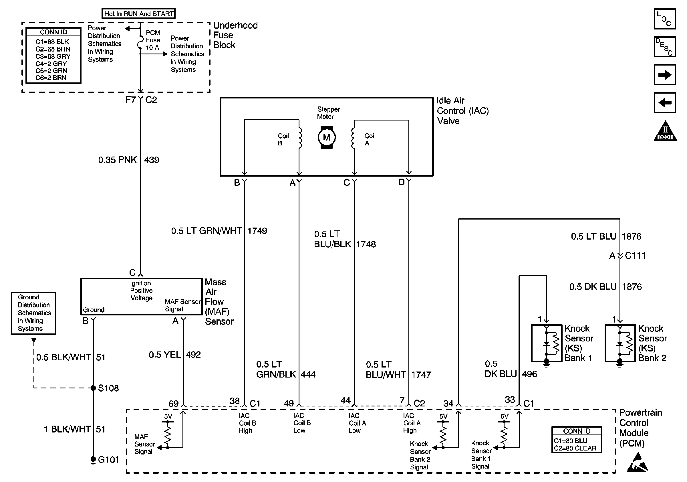
🢒 MAF, IAC, and Knock Sensors
MAF, IAC, and Knock Sensors
MAF, IAC, and Knock Sensors
Engine Controls Components
Powertrain Control Module Description
OBD II Symbol Description Notice
Cruise Control Module and VSS Control
Heated Oxygen Sensors
Underhood Fuse Block, PCM, SDM and INJ Fuses
Underhood Fuse Block, PCM, SDM and INJ Fuses
G100, G101, G102, G103
Handling ESD Sensitive Parts Notice