GM Service Manual Online
For 1990-2009 cars only
Makes
🢒
Pontiac
🢒
2000
🢒
Bonneville
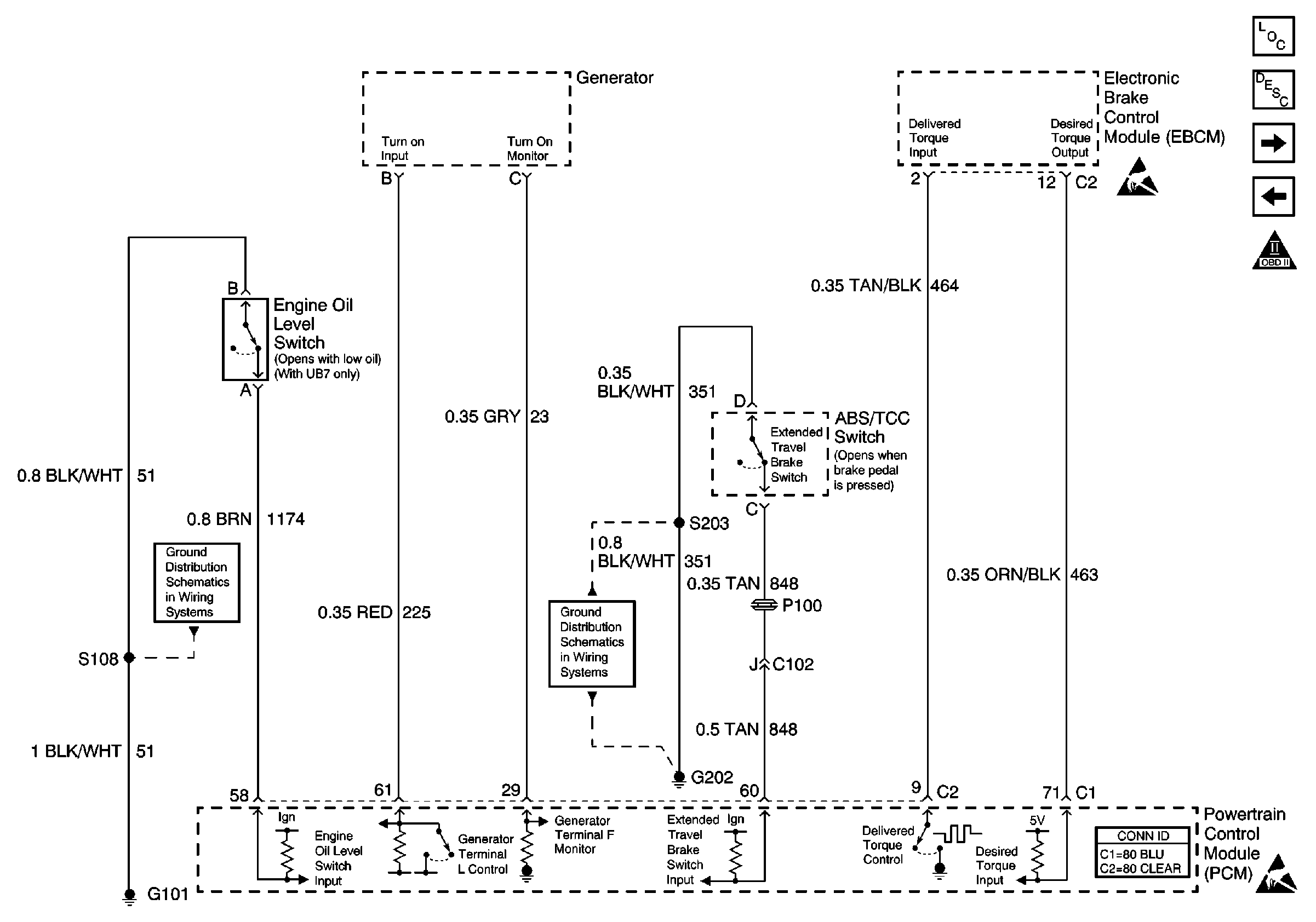
🢒 EBCM, Generator, Engine Oil Level Switch
EBCM, Generator, Engine Oil Level Switch
EBCM, Generator, Engine Oil Level Switch
Engine Controls Components
Powertrain Control Module Description
OBD II Symbol Description Notice
Transaxle Sensors
EGR and EVAP Purge Valve
Handling ESD Sensitive Parts Notice
G100, G101, G102, G103
G202, 1 of 4
Handling ESD Sensitive Parts Notice