GM Service Manual Online
For 1990-2009 cars only
Makes
🢒
Pontiac
🢒
2000
🢒
Bonneville
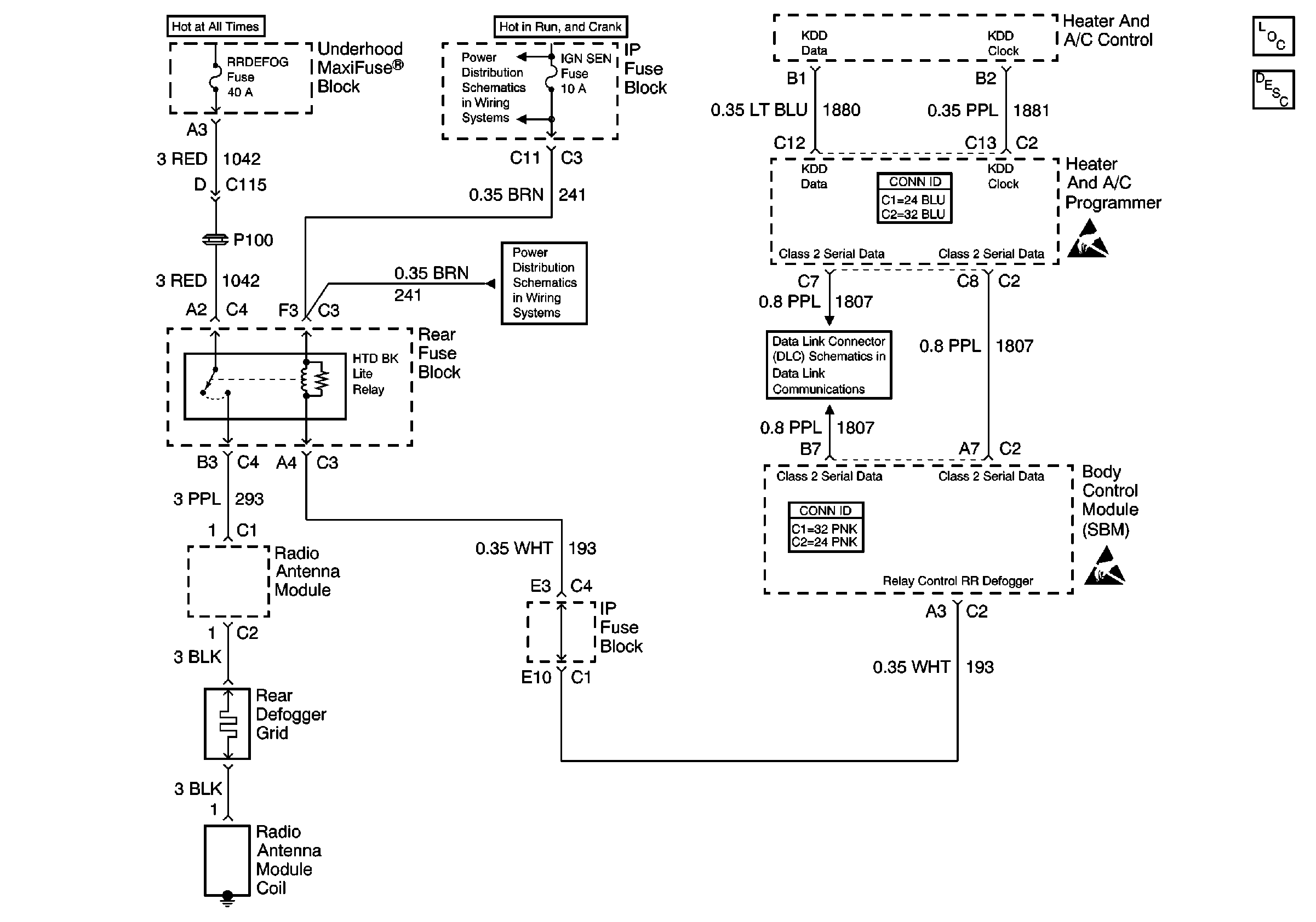
🢒 00_C Rear Defog Schematic
00_C Rear Defog Schematic
Handling ESD Sensitive Parts Notice
Handling ESD Sensitive Parts Notice
Cell 10: IGN SEN, ABS, RUN, AUX and AUXOT LT
IP Fuse Block, IGN-3 Fuse/Rear Fuse Block, Rear Defogger Relay
IP Fuse Block, IGN-3 Fuse/Rear Fuse Block, Rear Defogger Relay
Stationary Windows Components
Rear Window Defogger Description
Class 2 Serial Data Line