GM Service Manual Online
For 1990-2009 cars only
Makes
🢒
Pontiac
🢒
2000
🢒
Bonneville
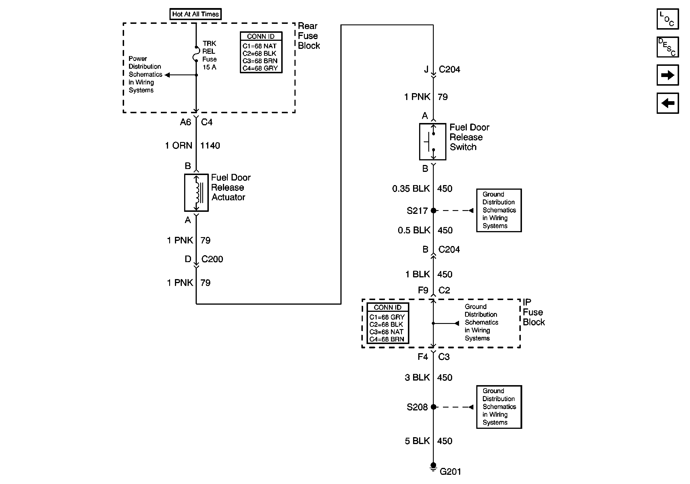
🢒 Fuel Door Release
Fuel Door Release
Fuel Door Release
G201, 2 of 2
Body Rear End Components
Fuel Filler Door Release Circuit Description
Rear Compartment Lid Release
G201, 1 of 2
G201, 2 of 2
Underhood Fuse Block, BAT 1 Fuse/Rear Fuse Block, RDM, C/LTR, DDM, HTDST L and TRK REL Fuses/ IP Fuse Block, PDM, SBM and CSTR/SBM Fuses
Trunk Ajar Switch