GM Service Manual Online
For 1990-2009 cars only
Makes
🢒
Pontiac
🢒
2000
🢒
Bonneville
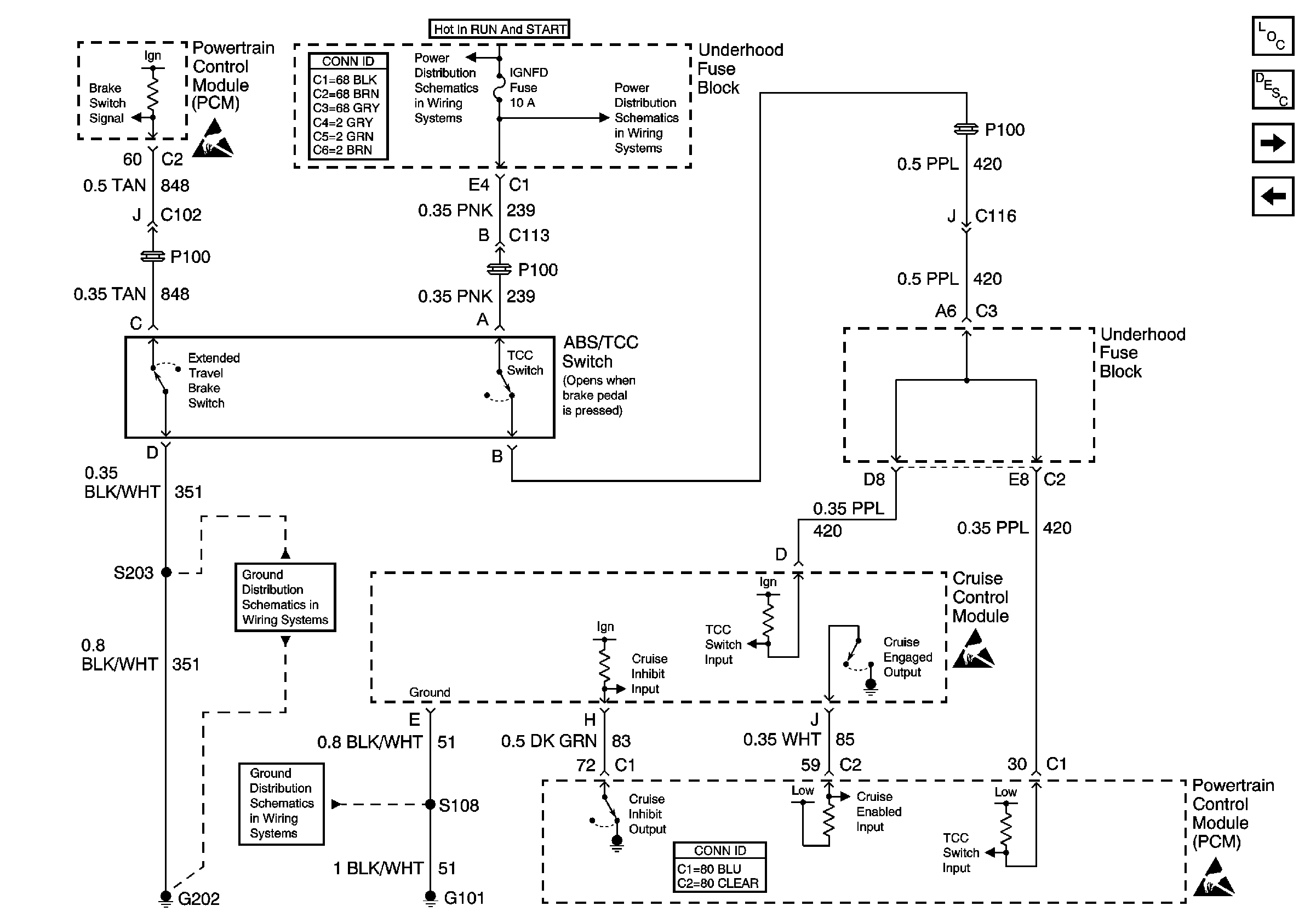
🢒 ABS/TCC Switch
ABS/TCC Switch
ABS/TCC Switch
Cruise Control Components
Cruise Control System Circuit Description
Stoplamp Switch
Multifunction Lever
Underhood Fuse Block, RUN/CRANK Fuse and IGN-1 Relay
Underhood Fuse Block, RUN/CRANK Fuse and IGN-1 Relay
G100, G101, G102, G103
Handling ESD Sensitive Parts Notice
Handling ESD Sensitive Parts Notice
Powertrain Control Module Connector End Views