GM Service Manual Online
For 1990-2009 cars only
Makes
🢒
Pontiac
🢒
2000
🢒
Bonneville
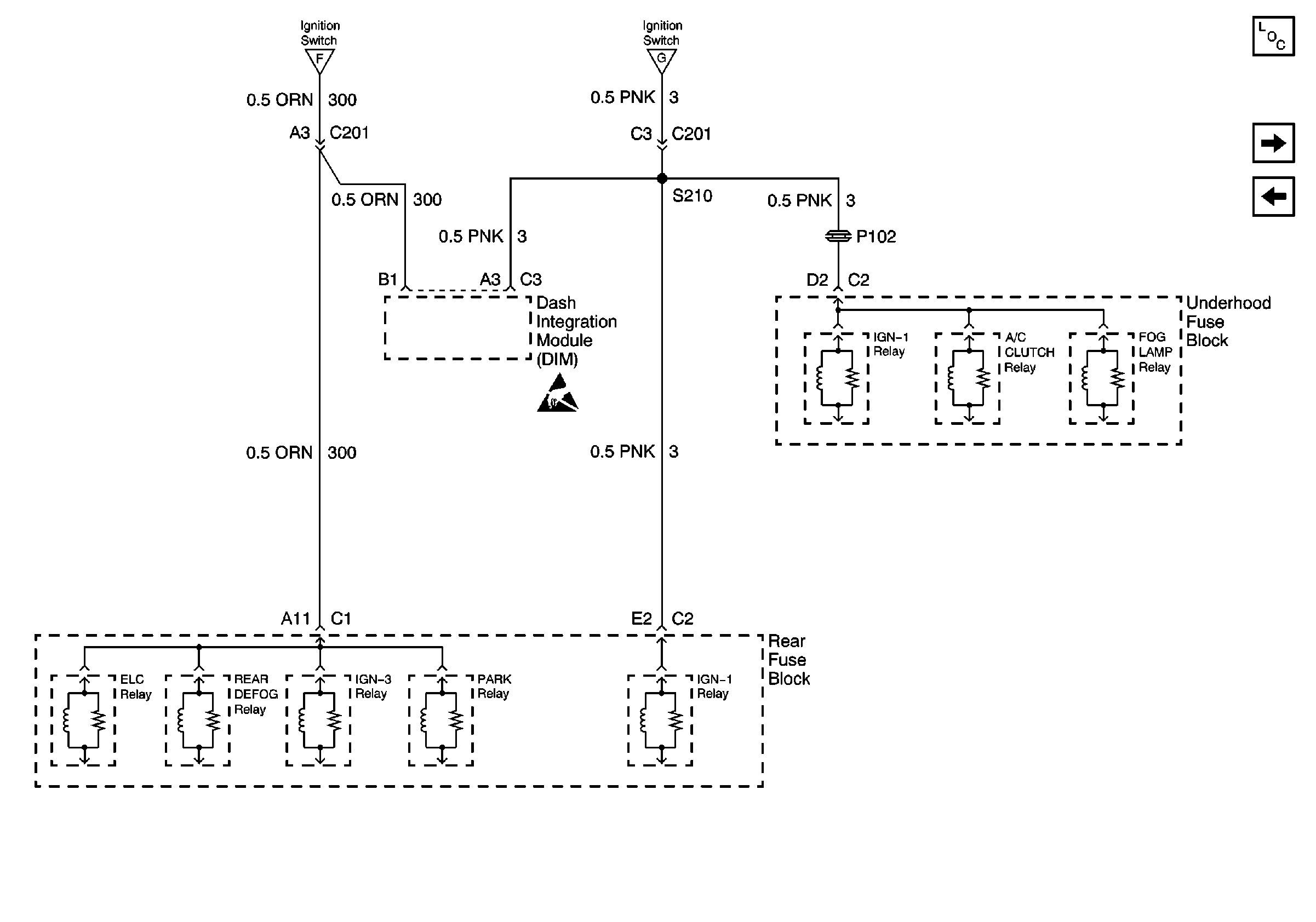
🢒 Circuits from the Ignition Switch
Circuits from the Ignition Switch
Circuits from the Ignition Switch
Power and Grounding Components
IGN 1, VENT SOL, and SIR Fuses (Rear Fuse Block)
Ignition Switch
Ignition Switch
Ignition Switch
Handling ESD Sensitive Parts Notice
G103
Compressor Control W/C67
Fog Lamps (Front)
ALC Suspension (Pontiac)
Rear Window Defogger
G302
License Plate Lamps, Park Lamp Relay
G302