GM Service Manual Online
For 1990-2009 cars only
Makes
🢒
Pontiac
🢒
2000
🢒
Bonneville
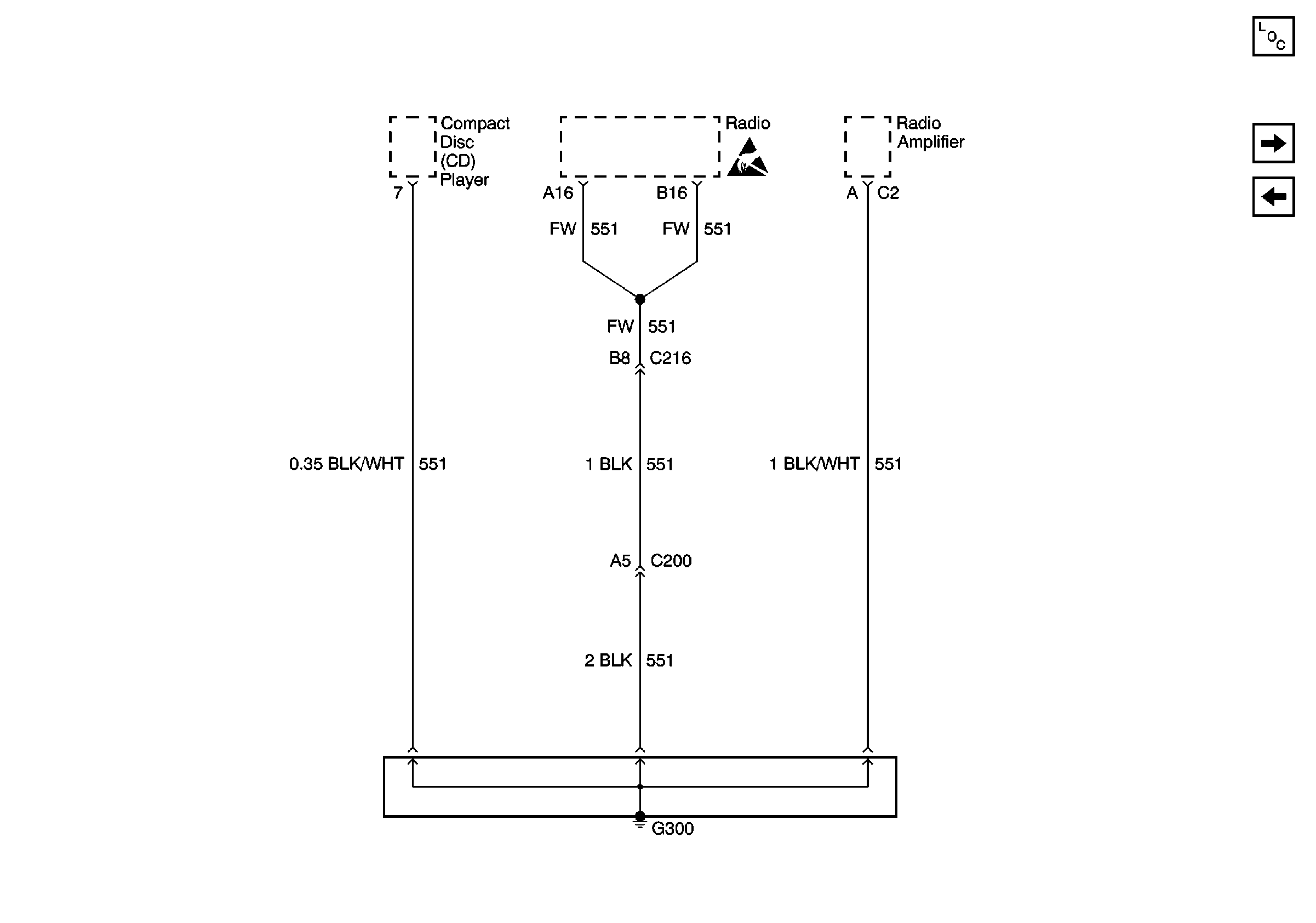
🢒 G300
G300
G300
Power and Grounding Components
G301 (1 of 2)
G201 (3 of 3)
Handling ESD Sensitive Parts Notice