GM Service Manual Online
For 1990-2009 cars only

Evaporative Emission Hoses/Pipes Replacement - Engine VIN K

Removal Procedure


    Object Number: 49594  Size: SH
  1. Remove the fuel injector sight shield. Refer to Fuel Injector Sight Shield Replacement in Engine Mechanical.

  2. Object Number: 486596  Size: SH
  3. Remove the hardware retaining the EVAP pipes, if applicable.
  4. Inspect the location of the attaching hardware for installation.
  5. Remove the EVAP pipe/hoses.
  6. Inspect the pipe/hoses for bends, kinks, and cracks.
  7. Replace the pipes/hoses as required.

Installation Procedure


    Object Number: 486596  Size: SH

    Notice: Properly secure the EVAP pipe in order to prevent chafing of the pipe.

  1. Install the EVAP pipe/hoses.
  2. Install the hardware retaining the EVAP pipe/hoses.

  3. Object Number: 49594  Size: SH
  4. Install the fuel injector sight shield. Refer to Fuel Injector Sight Shield Replacement in Engine Mechanical.

Evaporative Emission Hoses/Pipes Replacement - Engine VIN 1

Removal Procedure

Notice: Do Not attempt to repair the EVAP pipes or the connecting hoses. Replace the damaged EVAP pipes or the connecting hoses are damaged. If the nylon EVAP pipe becomes kinked and cannot be straightened, it must be replaced.


    Object Number: 49593  Size: SH
  1. Remove the fuel injector sight shield. Refer to Fuel Injector Sight Shield Replacement in Engine Mechanical.

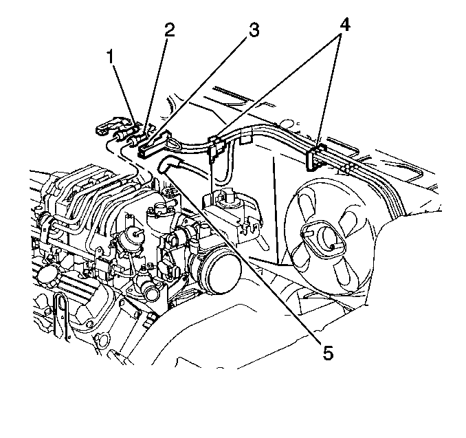
  2. Object Number: 65853  Size: SH
  3. Remove the hardware retaining the EVAP pipe/hose (4).
  4. Inspect the location of the attaching hardware for installation.
  5. Remove the EVAP pipe/hose (5).
  6. Inspect the pipe/hose for bends, kinks, and cracks.
  7. Replace the pipes/hose as required.

Installation Procedure


    Object Number: 65853  Size: SH

    Notice: Properly secure the EVAP pipe in order to prevent chafing of the pipe.

  1. Install the EVAP pipe/hose (5).
  2. Install the hardware retaining the EVAP pipe/hose (4).
  3. Notice: Use the correct fastener in the correct location. Replacement fasteners must be the correct part number for that application. Fasteners requiring replacement or fasteners requiring the use of thread locking compound or sealant are identified in the service procedure. Do not use paints, lubricants, or corrosion inhibitors on fasteners or fastener joint surfaces unless specified. These coatings affect fastener torque and joint clamping force and may damage the fastener. Use the correct tightening sequence and specifications when installing fasteners in order to avoid damage to parts and systems.

  4. Install the fuel injector sight shield. Refer to Fuel Injector Sight Shield Replacement in Engine Mechanical.