GM Service Manual Online
For 1990-2009 cars only

Removal Procedure

  1. Remove the radio. Refer to Radio Replacement .
  2. Remove the right side windshield garnish molding. Refer to Windshield Pillar Garnish Molding Replacement in Interior Trim.
  3. Remove the upper instrument panel trim pad. Refer to Instrument Panel Upper Trim Pad Replacement in Instrument Panel, Gages, and Console.

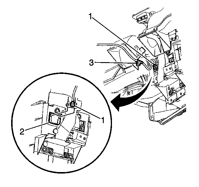
  4. Object Number: 428732  Size: SH
  5. Disconnect the antenna coaxial cable (1) from the radio cavity by sliding the cable connection upwards out of the retainer (2).
  6. Remove the cable clip (3) from the ductwork.

  7. Object Number: 428736  Size: SH
  8. Remove the remaining cable clips (1) from the instrument panel support.
  9. Disconnect the coaxial cable connector (2).
  10. Remove the antenna extension cable from the vehicle.

Installation Procedure


    Object Number: 428736  Size: SH
  1. Connect the coaxial cable connector (2).
  2. Install the cable clips (1) to the instrument panel support.

  3. Object Number: 428732  Size: SH
  4. Insert the cable connector (1) into the retainer (2) in the radio cavity.
  5. Install the cable clip (3) to the ductwork.
  6. Install the upper instrument panel trim pad. Refer to Instrument Panel Upper Trim Pad Replacement in Instrument Panel, Gages, and Console.
  7. Install the radio. Refer to Radio Replacement .
  8. Install the right side windshield garnish molding. Refer to Windshield Pillar Garnish Molding Replacement in Interior Trim.