GM Service Manual Online
For 1990-2009 cars only
Makes
🢒
Pontiac
🢒
2001
🢒
Bonneville
🢒
Body and Accessories
🢒
Body Rear End
🢒 Body Rear End Schematics
Figure
1:
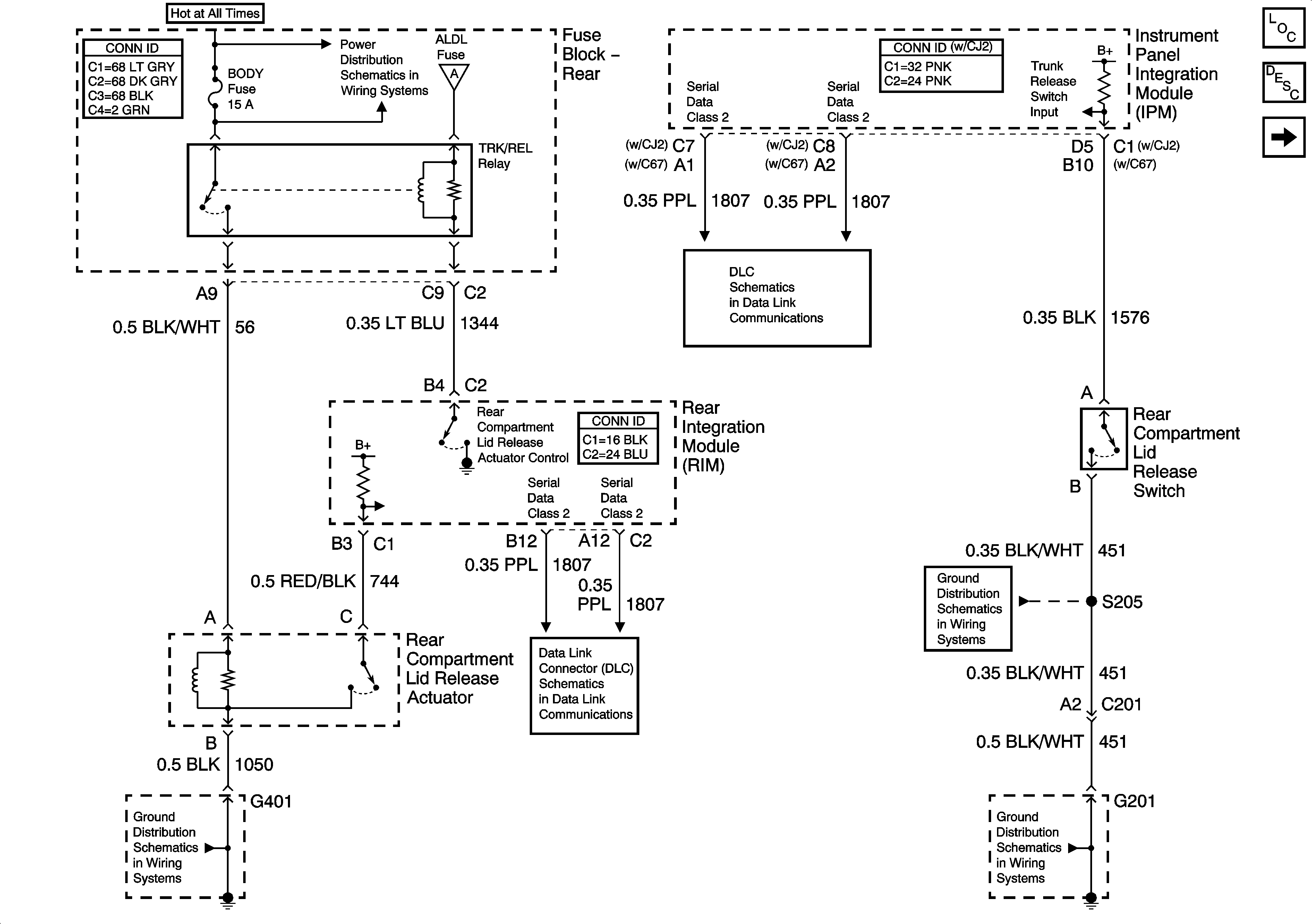
Rear Compartment Lid Release
Master Electrical Component List
Battery Voltage to the Rear Fuse Block
G401 (1 of 2)
Class 2 Serial Data
Class 2 Serial Data
G201 (2 of 2)
G201 (2 of 2)
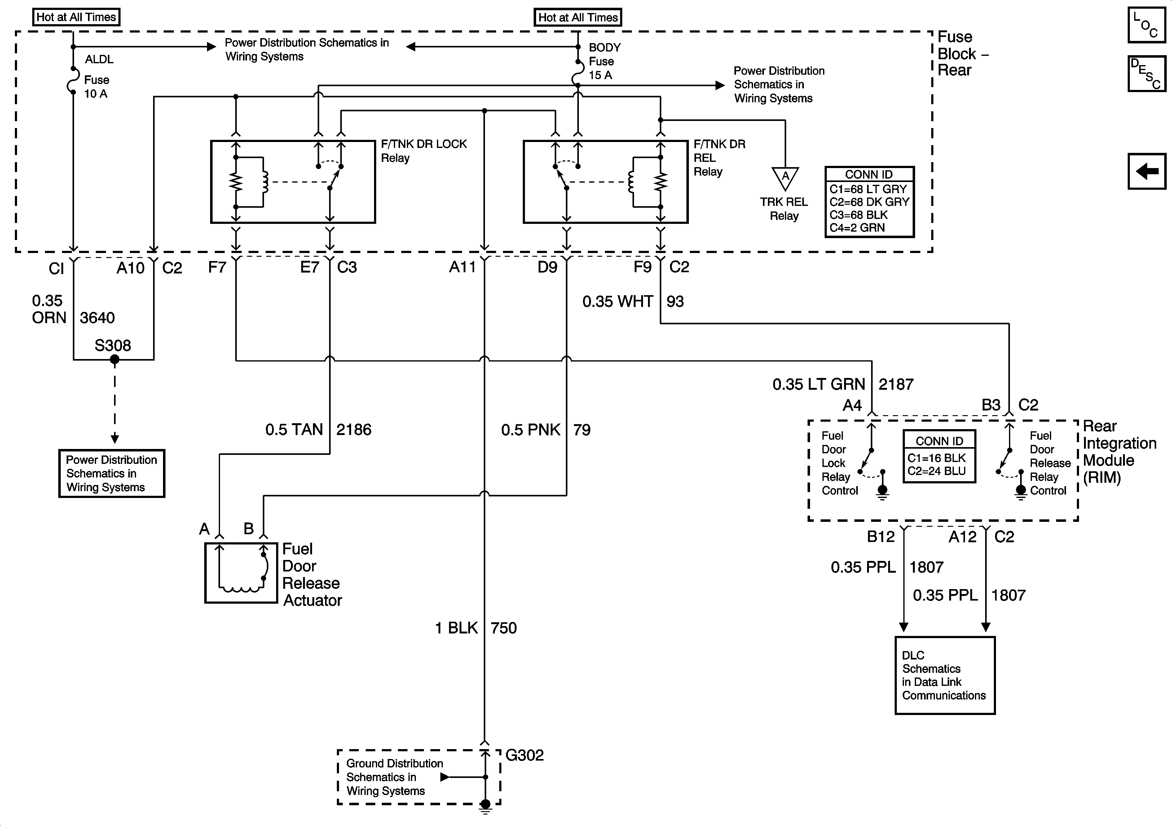
Fuel Door Lock
Figure
2:
Fuel Door Lock
Master Electrical Component List
Battery Voltage to the Rear Fuse Block
ELC, RRFOG, ALDL Fuses and the ELC, REAR DEFOG, F/TNKDR REL, and F/TNKDRLOCK Relays (Fuse Block - Rear)
G302
Battery Voltage to the Rear Fuse Block
Class 2 Serial Data
Rear Compartment Lid Release