GM Service Manual Online
For 1990-2009 cars only
Figure 1:

Ground Locations


Object Number: 490776  Size: MF
(1)G101
(2)G102
(3)G107
(4)G103
(5)G105
(6)G201
(7)G301
(8)G303
(9)G404
(10)G305
(11)G401
(12)G402
(13)G302
(14)G310
(15)G300
(16)G200
(17)G104
(18)G106
(19)G100
Figure 2:

Engine Compartment, In the Right Front Corner


Object Number: 575865  Size: MF
(1)Body Harness
(2)Fuse Block-Underhood C2
(3)Forward Lamp Harness
(4)G103
(5)S100
(6)Fuse Block-Underhood C1
(7)C102
Figure 3:

Fuse Block - Underhood


Object Number: 460291  Size: LF
(1)Fuse Block-Underhood C3
(2)Fuse Block-Underhood C1
(3)Fuse Block-Underhood C2
Figure 4:

Engine Compartment, Near the Top Left of the Transmission


Object Number: 460300  Size: LF
(1)G100
(2)G104
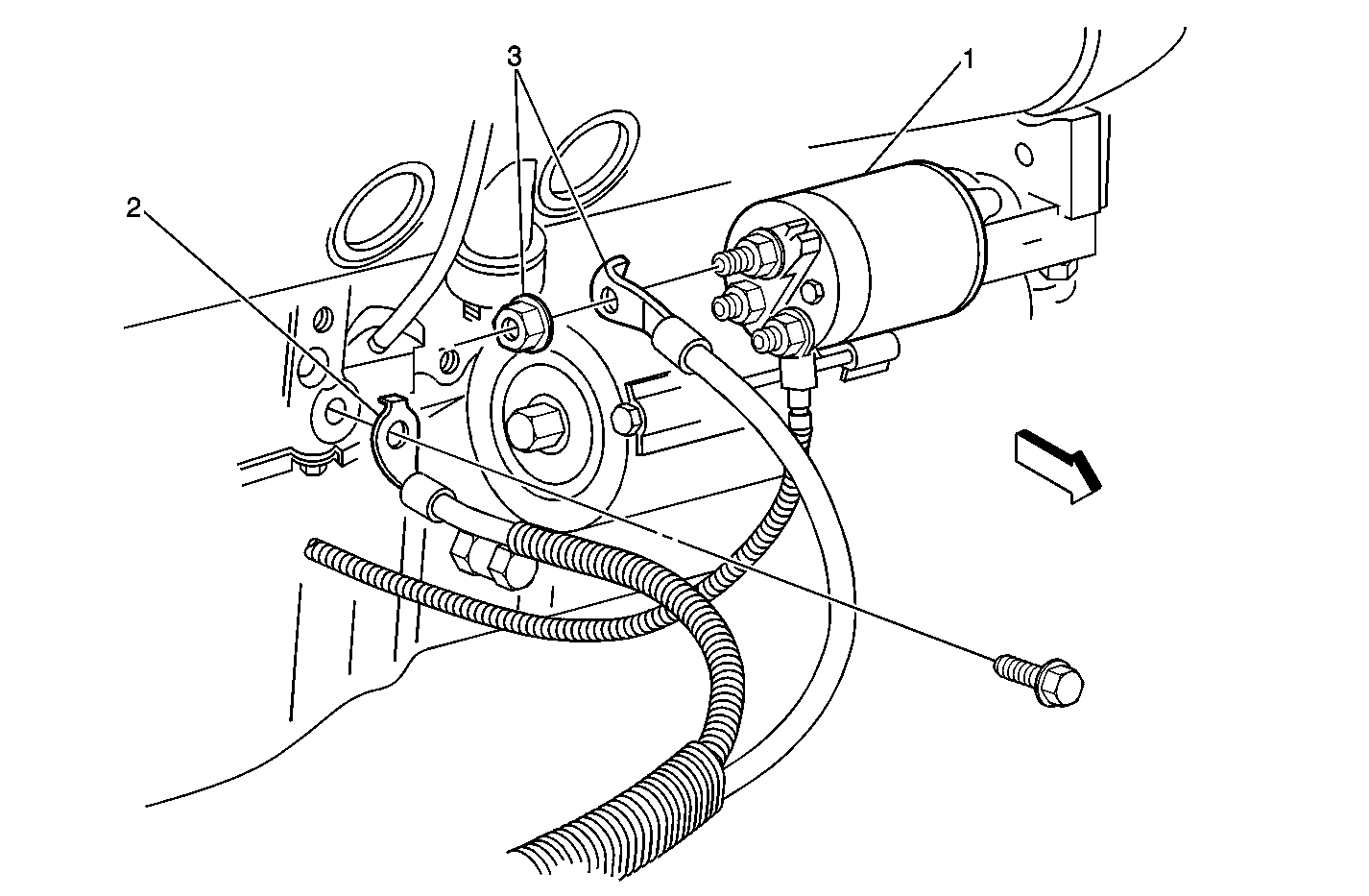
Figure 5:

Engine, On the Lower Front Side


Object Number: 575880  Size: MF
(1)Starter Solenoid
(2)G101
(3)Positive Battery Cable
Figure 6:

Engine, Below the Ignition Control Module


Object Number: 634712  Size: MF
(1)G102
(2)G105
Figure 7:

Engine Compartment, On the Left Side


Object Number: 735444  Size: LF
(1)Brake Fluid Level Switch
(2)Cruise Control Module (CCM)
(3)G106
(4)Inflatable Restraint Front End Sensor
(5)C101
(6)P100
(7)C112
Figure 8:

Engine Compartment, In the Right Front Side


Object Number: 575867  Size: MF
(1)Ignition Control Module (ICM)
(2)Radiator
(3)Negative Ground Cable
(4)G107
(5)Underhood Fuse Block
(6)Positive Battery Cable
Figure 9:

Passenger Compartment, Lower Left Front Corner


Object Number: 461069  Size: LF
(1)C215
(2)S215
(3)S216
(4)P100
(5)Inflatable Restraint Steering Wheel Module Coil
(6)C200
(7)C202
(8)To Stop Lamp Switches
(9)C500
(10)G200
(11)S217
(12)Park Brake Switch
Figure 10:

Passenger Compartment, In the Right Front Corner


Object Number: 575861  Size: MF
(1)Blower Motor Connector
(2)Inflatable Restraint IP Module
(3)G201
(4)C600
(5)Right Side Body Harness
(6)Dash Integration Module (DIM), C1
(7)Dash Integration Module (DIM), C2
(8)Dash Integration Module (DIM), C3
(9)P102
(10)C201
(11)S210
Figure 11:

Passenger Compartment, Behind the Center Dash Panel


Object Number: 599799  Size: MF
(1)Dash Panel
(2)IP Wiring Harness
(3)Ignition Switch C1
(4)Ignition Switch C2
(5)Ignition Switch Lamp
(6)Ignition Switch
(7)Theft Deterrent Exciter Module
Figure 12:

Passenger Compartment, Under the Left Front Seat


Object Number: 575888  Size: MF
(1)G300
Figure 13:

Passenger Compartment, Under the Right Front Seat


Object Number: 576100  Size: MF
(1)G301
(2)G303
Figure 14:

Passenger Compartment, Under the Left Side of the Rear Seat


Object Number: 575851  Size: MF
(1)Rear Fuse Block
(2)Left Body Harness
(3)G302
(4)Lateral Acceleration Sensor
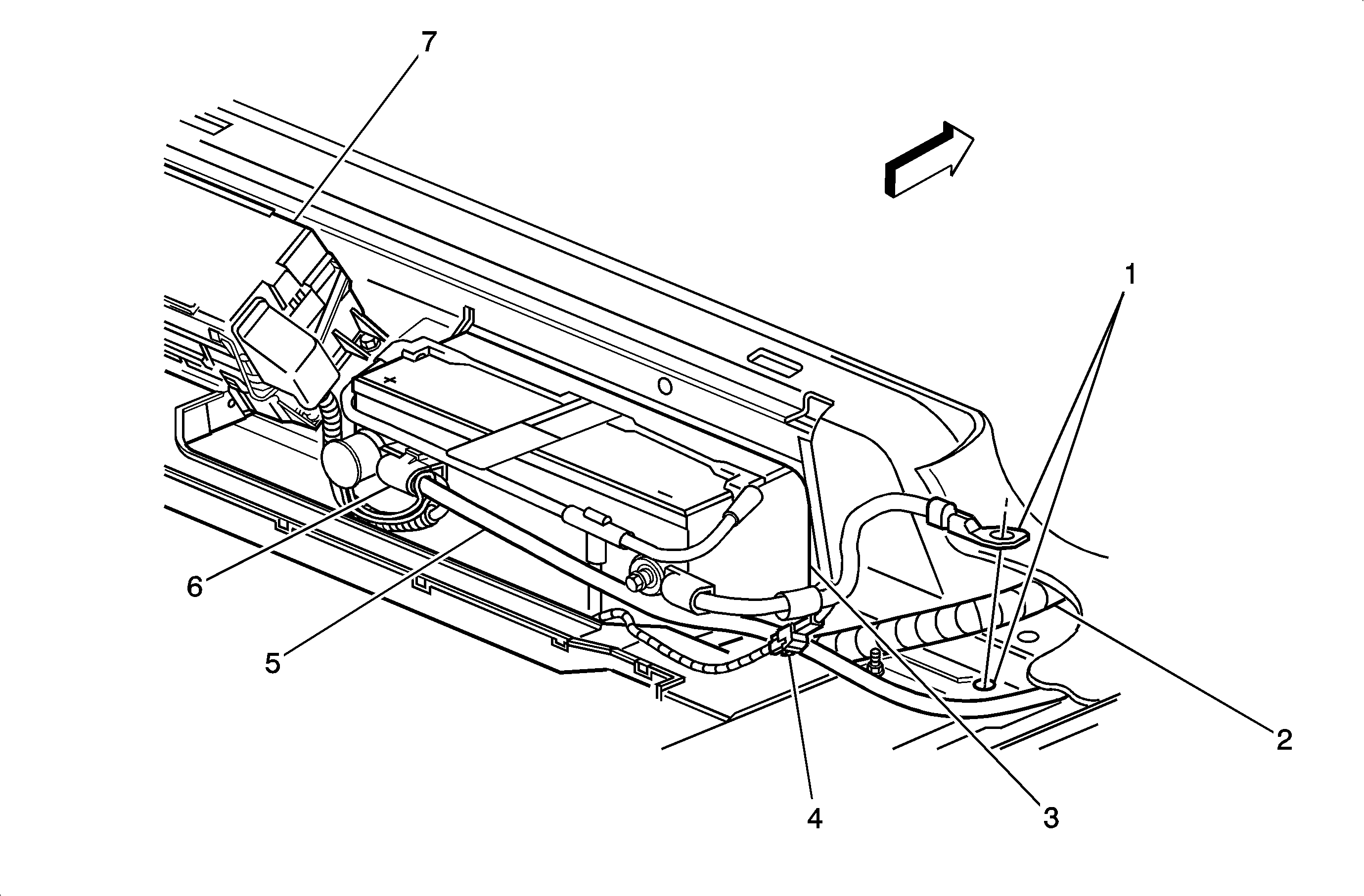
Figure 15:

Passenger Compartment, Under the Right Side of the Rear Seat


Object Number: 575864  Size: MF
(1)G305
(2)Body Harness, Right Side
(3)Battery
(4)C305
(5)S345 (w/UE1)
(6)Battery Positive Cable
(7)Fuse Block - Rear
Figure 16:

Passenger Compartment, On the Left Rear Pillar


Object Number: 575859  Size: MF
(1)G310
(2)Body Harness, Left Rear
(3)Rear Window Defogger Connector
Figure 17:

Passenger Compartment, On the Right Rear Pillar


Object Number: 575856  Size: MF
(1)C405
(2)Rear Window Defogger Connector
(3)G404
(4)High Mount Stoplamp Connector
Figure 18:

Rear Compartment, In the Right Rear Corner


Object Number: 575882  Size: MF
(1)Remote Playback Device-CD Changer
(2)C402 (Right); C400 (Left)
(3)G401 (Right); G402 (Left)
(4)Right Body Harness (Left Similiar)