GM Service Manual Online
For 1990-2009 cars only
Makes
🢒
Pontiac
🢒
2001
🢒
Bonneville
🢒
Body and Accessories
🢒
Wiring Systems
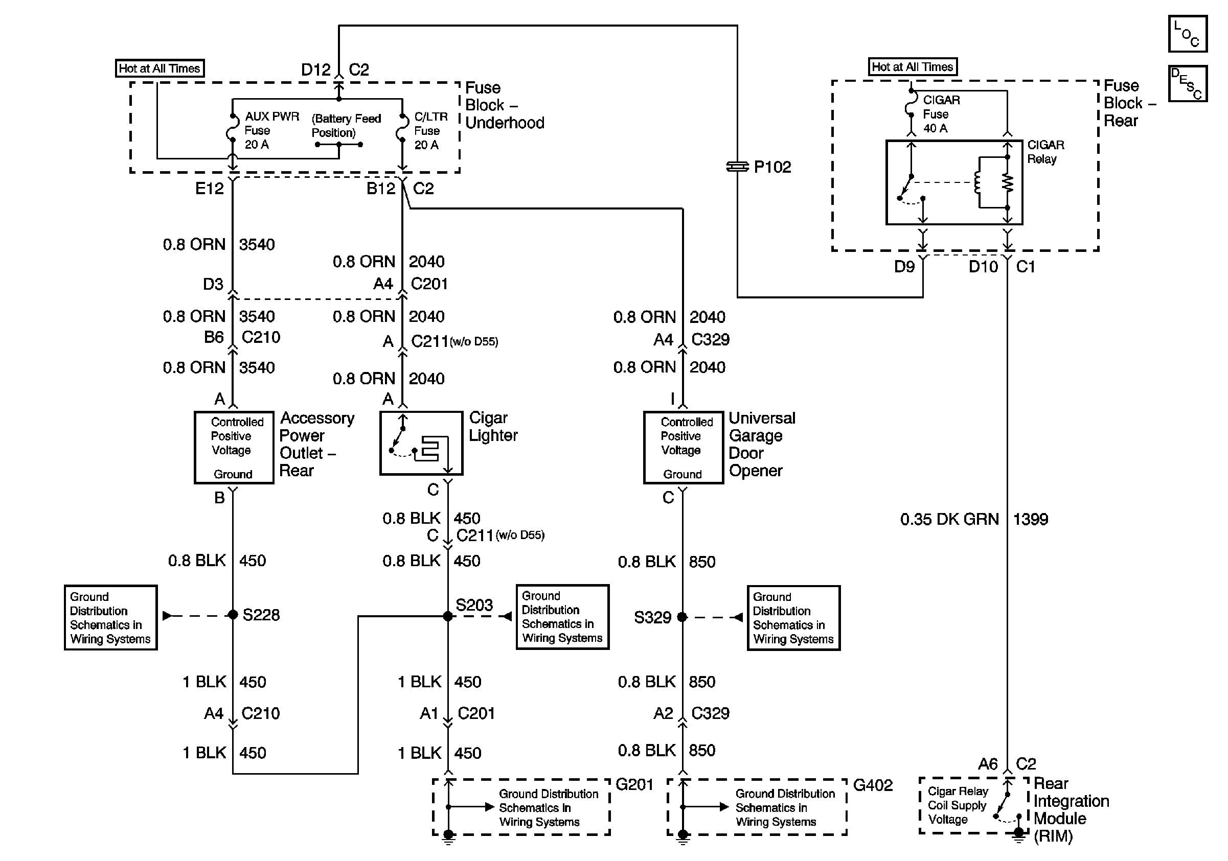
🢒 Cigar Lighter/Power Outlet Schematics
Master Electrical Component List
G201 (1 of 2)
G201 (1 of 2)
G201 (1 of 2)
G402
G402